Портал для радиолюбителей
   Простой сигнализатор протечки (влажности)
    Главная -> Статьи -> Бытовая электроника -> Простой сигнализатор протечки (влажности)


<< Назад в раздел   Распечатать Дата добавления: 2011-02-20 | Просмотров: 13595

И. НЕЧАЕВ, г. Москва

Жителям городов и благоустроенных поселков известно, какими неприятностями чревата протечка в водопроводных или канализационных трубах. Опасны как сильные протечки, которые могут привести к "потопу" и порче потолков соседей снизу, так и слабые, вызывающие намокание и постепенное разрушение строительных конструкций. Но если первые заметить несложно, то вторые проявляются не сразу, поэтому полезно иметь прибор, обнаруживающий протечку задолго до возникновения опасной ситуации.

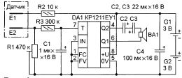
Рис. 1

Предлагаемый сигнализатор располагают в месте возможной протечки, где визуальный контроль затруднен — например, под ванной, под стиральной машиной и т. д. Конечно, если место вероятной протечки известно (например, она там уже случалась), то лучше загодя принять меры, исключающие возможность ее возникновения. К сожалению, об этом нередко забывают...

Устройство (его схема изображена на рис. 1) собрано на основе специализированной микросхемы КР1211ЕУ1. Она, как известно, предназначена для построения нестабилизированных преобразователей напряжения и содержит RC-генератор с внешней частотозадающей цепью, два работающих в противофазе мощных буферных каскада и несколько элементов управления. Проведенные автором исследования показали, что встроенный генератор начинает работать, когда напряжение на конденсаторе С1 частотозадающей цепи достигает определенного значения (при меньшем напряжении микросхема находится в "спящем" состоянии и потребляемый ею ток очень мал). Это натолкнуло на мысль включить датчик влажности (присутствия воды), состоящий из элементов Е1 и Е2, в частотозадающую цепь генератора. В отсутствие воды сопротивление между элементами датчика велико, напряжение на резисторе R1, а следовательно, и на

конденсаторе С1 практически отсутствует и генератор микросхемы не работает. С появлением воды сопротивление датчика уменьшается, напряжение на резисторе и конденсаторе возрастает и генератор самовозбуждается. Частота генерируемых импульсов не превышает долей герца, поэтому динамической головкой ВА1 сигнал не воспроизводится. Однако, поскольку форма импульсов близка к прямоугольной, спектр колебаний довольно широк, поэтому головка излучает щелчки. Для повышения экономичности устройства она подключена к выходам буферных каскадов через соединенные последовательно оксидные конденсаторы довольно большой емкости С2 и СЗ. Питается сигнализатор от батареи, составленной из двух литиевых элементов CR2025 напряжением 3 В каждый. Выключатель в цепи питания отсутствует, так как ток в дежурном режиме не превышает нескольких микроампер. Шунтирующий батарею питания конденсатор С4 сглаживает пульсации напряжения, вызванные импульсной нагрузкой.

Большинство деталей смонтировано на печатной плате (рис. 2) из односторонне фольгированного стеклотекстолита. Постоянные резисторы — МЛТ, С2-23, Р1-4, подстроечный — СПЗ-19а, конденсаторы — оксидные импортные (например, серии ТК фирмы Jamicon), динамическая головка — любая мощностью 0,25... 1 Вт со звуковой катушкой сопротивлением 8... 16 Ом. Элементы питания CR2025 устанавливают в специальные держатели, закрепленные пайкой на плате. Можно, конечно, составить батарею и из гальванических элементов типоразмера АА или AAA, но габариты устройства в этом случае увеличатся.

Смонтированную плату и динамическую головку размещают в пластмассовом корпусе подходящих размеров. Автор использовал круглый корпус диаметром 65 и высотой 27 мм (рис. 3). Плата с помощью термоклея закреплена на его дне, а динамическая головка — на крышке, в которой просверлены несколько отверстий для прохода звука.

Датчик представляет собой круглую пластину (рис. 4), вырезанную из одностороннего фольгированного стеклотекстолита толщиной 1...1,5 мм. Оба

участка фольги (Е1 и Е2) облуживают хорошо разогретым паяльником и, припаяв соединительные провода, покрывают все остальные поверхности влагостойким лаком или краской. Датчик приклеивают влагостойким клеем ко дну корпуса фольгой наружу. Нижняя часть корпуса должна быть герметичной, поэтому после проверки устройства на работоспособность отверстие, через которое проходят провода, соединяющие датчик с сигнализатором, а также все щели и швы (если таковые есть) необходимо тщательно замазать герметиком. Для защиты динамической головки от попадания воды крышку следует накрывать тонкой полиэтиленовой пленкой.

Налаживание устройства сводится к установке подстроечным резистором R1 порога срабатывания Переведя движокрезистора в верхнее (по схеме) положение и поместив датчик на дно тарелки, залитое тонким слоем воды, поворачивают движок до появления издаваемых динамической головкой щелчков. Затем датчик извлекают из воды и, тщательно осушив его "чувствительную" поверхность, убеждаются в отсутствии каких-либо звуков. Далее датчик снова вводят в соприкосновение с водой. Если при этом щелчки появляются вновь, налаживание можно считать законченным.

В заключение следует отметить, что описанное устройство пригодно и для контроля влажности самых разнообразных объектов. Для этого достаточно изменить конструкцию датчика и заново установить порог срабатывания.


Добавил:  Павел (Admin)  
Автор:  И. НЕЧАЕВ (Радио N2 2011) 

Вас может заинтересовать:

  1. Лазерная указка в исполнительном устройстве
  2. Автомат плавного включения и выключения лампы накаливания
  3. Регулятор мощности
  4. Регулятор мощности для электроплитки
  5. Простой регулятор мощности


    © PavKo, 2007-2018   Обратная связь   Ссылки views: 8158 -- users: 8120 -- web3   Яндекс.Метрика