Портал для радиолюбителей
   Охранная система с цифровой индикацией
    Главная -> Статьи -> Автомобильные сигнализации -> Охранная система с цифровой индикацией


<< Назад в раздел   Распечатать Дата добавления: 2011-10-26 | Просмотров: 6119

О. СОЛДАТОВ, г. Балаково, Саратовской обл.

Система, описанная в предлагаемой статье, предназначена для охраны удаленных объектов, недоступных сторожу или часовому.

Объектом охраны может быть гараж, автомобиль и т. д. Помимо контроля состояния датчиков, система обеспечивает:

  • автоматическое выключение звукового сигнала при срабатывании датчика на время более одной минуты, позволяющее экономить энергию аккумулятора;
  • отображение в цифровой форме числа срабатываний, что удобно для их регистрации при смене дежурства, а также для контроля за объектом;
  • автоматическую установку дежурного режима при восстановлении замкнутого состояния контактов датчика.

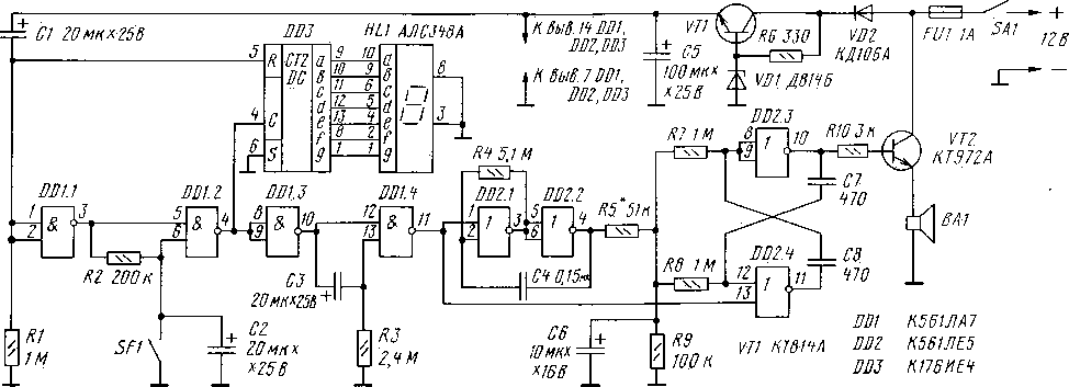
Схема устройства показана на рисунке.

Схема охранной системы

На микросхеме DD1 собран блок контроля, на DD3 и HL1 блок цифровой индикации, а на микросхеме DD2 и транзисторе VT2 сирена. Сирена собрана по схеме, описанной в статье М. Шустова "Сирены личной охраны" в журнале "Радиолюбитель", 8 за 1995 г.

Для постановки системы на охрану нужно включить питание потайным тумблером SA1, выйти из помещения и закрыть дверь, при этом замкнутся контакты дверного датчика SF1 (можно использовать несколько датчиков, включенных последовательно). Ток зарядки конденсатора С1, протекая через резистор R1, создает напряжение высокого уровня на входе элемента DD1.1. На его выходе низкий уровень, а на выходе DD1.2 высокий. Следовательно, на выходе элемента DD1.4 тоже окажется высокий уровень и сирена не будет работать. Высокий уровень с резистора R1 поступает на вход R счетчика-дешифратора DD3 и устанавливает его в нулевое состояние. На индикаторе HL1 высвечивается цифра "О". Время зарядки конденсатора С1 около 20 с. В это время можно размыкать и замыкать контакты дверного датчика сирена не сработает и индикатор останется в "нулевом" состоянии.

После зарядки конденсатора С1 система переходит в дежурный режим. На входе DD1.1 устанавливается низкий уровень, который поступает на вывод 5 DD3, разрешая работу счетчику. На выходе DD1.1 высокий уровень, и если контакты датчика SF1 замкнуты, на выходе DD1.2 будет тот же уровень: сирена при этом не работает.

После открывания двери (размыкания контактов SF1) необходимо отключить систему тумблером SA1. Если этого не сделать, то примерно через 5 с (время зарядки конденсатора С2) на выходе элемента DD1.2 появится низкий уровень, а на выходе DD1.3 высокий. С выхода элемента DD1.2 низкий уровень поступает на вход С счетчика DD3, и на индикаторе HL1 высвечивается "1". На выводе 13 DD1.4 высокий уровень присутствует лишь во время зарядки конденсатора СЗ, которое примерно равно одной минуте. В течение этого времени на выходе элемента DD1.4 низкий уровень, который разрешает работу сирены. По истечении одной минуты СЗ зарядится и на выводе 13 элемента DD1.4 возникнет низкий уровень. Высокий уровень на выходе DD1.4 запретит работу сирены. Система также сработает, если при ее постановке на охрану оказался не замкнут датчик SF1, что позволяет контролировать состояние датчика.

При замыкании контактов SF1 конденсаторы С2 и СЗ разряжаются и система входит в дежурный режим. Счетчик DD3 срабатывает только во время размыкания контактов SF1, индикатор HL1 высвечивает число размыканий.

Включив дополнительные датчики между выводом б DD1.2 и точкой соединения SF1 и С2, можно добиться того, что система будет срабатывать мгновенно при их размыкании и с задержкой при размыкании SF1.

В устройстве использованы резисторы МЛТ, конденсаторы К53-1. Так как система разрабатывалась для контроля объекта, находящегося под охраной часового, то устройство индикации было помещено в отдельный корпус и установлено внутри объекта с возможностью визуального контроля снаружи для снятия показаний индикаторапри передаче смены. Соединительный кабель от системы сигнализации к устройству индикации был тщательно замаскирован.

В дежурном режиме основная часть потребляемой энергии расходуется на работу индикатора. При питании системы от аккумуляторной батареи целесообразно включать индикатор лишь на время контроля. Для этого нужно установить кнопку, которая замыкала бы точку соединения выводов 3 и 8 индикатора HL1 с общим проводом. Тем самым можно снизить до минимума ток потребления в дежурном режиме. В режиме тревоги ток возрастает до 0,7...0,8 А.

В предлагаемом устройстве не имеет значения высокая стабильность временных интервалов, задаваемых RC-цепями. От качества используемых конденсаторов зависит лишь надежность работы системы в различных температурных условиях.

РАДИО 10, 1998 г., с. 60,61.


Добавил:  Павел (Admin)  
Автор:  Неизвестно 

Вас может заинтересовать:

  1. Простая система радиооповещения
  2. SUN-I модель M-100 - инструкция по установке и использованию
  3. Пиропатрон — элемент активной охраны
  4. Датчики для охранной сигнализации
  5. Системы дистанционного управления запиранием/отпиранием замков дверей


    © PavKo, 2007-2018   Обратная связь   Ссылки views: 14736 -- users: 14518 -- web3   Яндекс.Метрика