Портал для радиолюбителей
   Электронный регулятор громкости
    Главная -> Статьи -> Регуляторы громкости, тембра, эквалайзеры -> Электронный регулятор громкости

Бизнес такси машины аренда мерседес класса под бизнес такси.

<< Назад в раздел   Распечатать Дата добавления: 2007-10-10 | Просмотров: 14660

   При разработке предлагаемого читателям устройства автор стремился создать электронный регулятор громкости, по техническим характеристикам соответствующий аналогичным регуляторам с использованием ЦАП, но содержащий минимальное число дефицитных радиоэлементов. Для его реализации потребовалось всего восемь микросхем, однако диапазон выполняемых им функций достаточно широк. Это увеличение и уменьшение громкости во время нажатия на соответствующие кнопки "+" и "-", автоматическое плавное снижение громкости до нуля при кратковременном нажатии на кнопку "- Авт.", возможность прерывания этого снижения кратковременным нажатием на кнопку "+", установка желаемого заранее заданного уровня громкости при включении питания и, наконец, светодиодная индикация наибольшего и наименьшего коэффициента передачи регулятора громкости.
   Регулятор имеет следующие технические характеристики: число каналов регулирования - 2; диапазон регулирования громкости - не менее 60 дБ; число шагов дискретизации - 256; ток, потребляемый от источника напряжением +15 (-15) В,- не более 10 (6) мА. Характеристика регулирования линейная.
   Регулятор может использоваться в простых стереофонических усилителях ЗЧ и звуковоспроизводящих стереокомплексах. Все изменения громкости происходят в обоих каналах синхронно. Раздельная регулировка громкости по каналам требует неоправданного усложнения схемы и к тому же снижает удобство пользования регулятором громкости. По этой же причине было решено отказаться от пошагового регулирования громкости: при 256 дискретах регулирования каждая отдельная ступенька громкости едва ли различима, а реализация такого режима требует дополнительного усложнения схемы. Поэтому функцию выравнивания громкости в стереоканалах целесообразно возложить на регулятор стереобаланса, а пошаговый режим регулирования громкости так или иначе способно обеспечить данное устройство при кратковременном нажатии на кнопку "+" или "-".
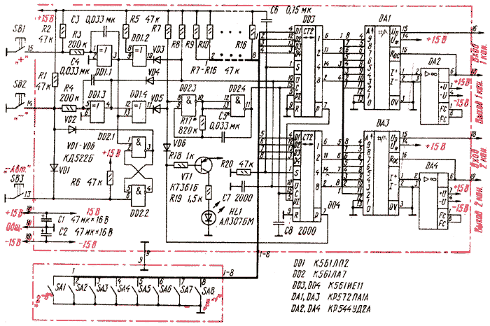
   Принципиальная схема электронного регулятора громкости приведена на рис.1. Он состоит из узла управления и преобразователя "Код - громкость". В узел управления входят: устройство подавления дребезга кнопок SB1-SB3 на элементах DD1.1, DD1.3 микросхемы DD1, формирователь сигнала направления счета на элементе DD1.2 микросхемы DD1 и диодах VD3, VD4, триггер автоматического снижения громкости на элементах DD2.1, DD2.2 микросхемы DD2, дешифратор состояний кнопок SB1-SB3 и триггера снижения громкости на элементе DD1.4 микросхемы DD1, генератор импульсов на элементах DD2.3, DD2.4 микросхемы DD2 и реверсивный двоичный восьмиразрядный счетчик с предустановкой на микросхемах DD3, DD4. Транзистор VT1 и светодиод HL1 образуют устройство индикации крайних состояний счетчика, или, что то же самое, максимального и минимального коэффициента передачи регулятора громкости. Сигналы кодовых комбинаций с двоичного счетчика поступают на преобразователь "Код - громкость", выполненный по стандартной схеме ЦАП на микросхемах DA1, DA2 и DA3, DA4.
   Работает регулятор громкости следующим образом. При включении питания на резисторе R20 возникает положительный импульс напряжения, вызванный протекающим через него током зарядки конденсаторе С6. Под действием этого импульса информация с входов предустановки двоичного реверсивного счетчика переписывается на его выходы и, таким образом, на цифровых входах ЦАП устанавливается код, соответствующий любой желаемой начальной громкости, задаваемой с помощью микропереключателя SA1- SA8. В этом состоянии на выходе переноса 7 счетчика DD4 имеется уровень логической единицы, поэтому транзистор VT1 закрыт и светодиод HL1 не светится. Если ни одна из кнопок SB1-SB3 не нажата, на выходе формирователя сигнала направления счета (точка соединения диодов VD3 и VD4) присутствует уровень логического нуля, соответствующий команде счета на уменьшение. Однако генератор импульсов на элементах DD2.3 и DD2.4 не генерирует, так как его работу запрещает сигнал, соответствующий уровню логического нуля, поступающий на него с дешифратора состояний кнопок (выход 11 элемента DD1.4) через диод VD5 схемы "диодное ИЛИ" (VD5, VD6).

Цифровой регулятор громкости

Рис. 1

   При нажатии на кнопку "+" уровень логического нуля на выходе формирователя направления счета сменится уровнем логической единицы (команда счета на увеличение) и одновременно с этим изменится состояние выхода дешифратора состояний кнопок, вместо уровня логического нуля появится уровень логической единицы. В результате начнет работать генератор импульсов и реверсивный счетчик будет считать на увеличение до отпускания кнопки "+" или до своего переполнения. В первом случае на вход 8 элемента DD2.3 генератора импульсов через схему "диодное ИЛИ" (VD5, VD6) придет запрещающий его работу сигнал логического нуля с выхода дешифратора состояний кнопок (выход 11 элемента DD1.4), а во втором - с выхода переноса реверсивного счетчика (выход 7 микросхемы DD4). При переполнении счетчика уровень логического нуля, поступающий с выхода переноса разрешает работу устройства индикации и загоревшийся светодиод HL1 будет сигнализировать о достижении верхнего предела громкости.
   В режиме уменьшения громкости дешифратор состояния управляется через узел подавления дребезга кнопки SB2 ("-") или непосредственно с кнопки "-", или с выхода триггера снижения громкости (выход 3 элемента DD2.1) через диод V02. Сигнал логического нуля на выход формирователя сигнала направления счета проходит через схему "диодное ИЛИ" (VD3, VD4) либо с выхода узла подавления дребезга кнопки SB2 (выход 4 элемента DD1.3) во время нажатия на кнопку SB2, либо с выхода 10 элемента DD1.2, когда не нажата кнопка SB1. Этот сигнал является для двоичного реверсивного счетчика командой счета на уменьшение.
   При нажатии на кнопку "-" счетчик считает на уменьшение до отпускания этой кнопки или до своего переполнения. При нажатии на кнопку "-Авт." реверсивный счетчик считает на уменьшение до переполнения или до нажатия на кнопку "+", которое переводит триггер снижения громкости в исходное состояние. При кратковременном нажатии на кнопку "+" в процессе автоматического снижения громкости происходит остановка дальнейшего снижения громкости, а при более длительном нажатии на кнопку "+" снижение громкости сменяется ее увеличением.
   В случае переполнения счетчика в процессе снижения громкости светодиод HL1 горит постоянно, независимо от положения кнопок "-" и "-Авт.", а в случае переполнения счетчика в процессе увеличения громкости светодиод HL1 горит только во время нажатия на кнопку "+", так как при ее отпускании меняется логический уровень на выходе формирователя сигнала направления счета и счетчик выходит из режима переполнения.
   В данном устройстве функции дешифратора состояний кнопок выполняет логический элемент "Исключающее ИЛИ", что позволило просто и эффективно избежать режима противоречащих команд. Так, в частности, при одновременном нажатии на кнопки "+" и "-", "+" и "-Авт." или всех трех кнопок вместе на входах дешифратора устанавливаются одинаковые логические уровни (логические нули), поэтому он запрещает работу генератора импульсов и громкость не изменяется. При одновременном нажатии на кнопки "+" и "-Авт." на входах триггера снижения громкости устанавливается запрещенная комбинация: на обоих входах - логические нули. Так как при этом триггер теряет свои триггерные свойства (на обоих его выходах устанавливается логическая единица), то для исключения режима противоречащих команд кнопка "-Авт." соединена со входом узла подавления дребезга кнопки "-" через диод VD1. При одновременном нажатии на кнопки "-" и "-Авт." выполняется функция кнопки "-Авт."
   Конденсаторы С7, С8 служат для повышения помехозащищенности двоичного реверсивного счетчика при изменении режимов его работы.
   При изготовлении электронного регулятора использованы резисторы МЛТ-0,125 (номиналы резисторов R1, R2, R5-R16, R20 могут находиться в пределах 33...62 кОм), конденсаторы - КМ-6 и К50-16, кнопки SB1-SB3 - самодельные произвольной конструкции, переключатели SА1-SА8-ВДМ1-8, причем они не обязательно должны иметь восемь групп. Можно ограничиться переключателем из четырех групп, соединив его со входами предустановки счетчика на микросхеме DD4. Входы же предустановки счетчика на микросхеме DD3 нужно в этом случае соединить с общим проводом. Тогда минимальная дискретность предустановки будет равна 1/16 входного напряжения.
   Использованные в электронном регуляторе громкости микросхемы КР544УД2А можно заменить К574УД1, К544УД1, К140УД6 и др.
   Регулятор громкости, собранный без ошибок, в налаживании практически не нуждается. При необходимости скорость регулирования можно изменить подбором номинала резистора R17 или конденсатора С5.
   Питается регулятор от стабилизированного двуполярного источника напряжением ±15 В. Он сохраняет работоспособность без ухудшения параметров при снижении питающего напряжения до ±5 В. При этом лишь уменьшается яркость свечения светодиода HL1.
   При необходимости схему описанного регулятора громкости можно незначительно упростить. В данном варианте формирователь сигнала направления счета построен таким образом, что команда счета на увеличение формируется только при нажатии одной лишь кнопки "+" при ненажатых кнопках или при нажатии любых двух или всех трех кнопок формируется команда счета на уменьшение. Если же из схемы исключить диоды VD3, VD4 и резистор R8 и соединить выход 10 элемента DD1.2 с входами 10 микросхем DD3, DD4 непосредственно, то команда счета на уменьшение будет формироваться только в том случае, если не будет нажата кнопка "+", а при одновременном нажатии кнопок "+" и "-" или "+" и "-Авт." будет формироваться команда счета на увеличение, но одновременно с этим будет исключаться режим противоречащих команд, поэтому общий алгоритм работы устройства сохраняется.

    С. КОЛЕСНИЧЕНКО, г. Курск, Радио №8, 1991 г., стр.59



Добавил:  Павел (Admin)  
Автор:  С. КОЛЕСНИЧЕНКО, г. Курск, Радио №8, 1991 г., стр.59 

Вас может заинтересовать:

  1. Тонкомпенсированный регулятор громкости с глубокой коррекцией
  2. Формирователь трехполосного сигнала и сигнала сабвуфера
  3. Регулятор громкости и тембра - КР174ХА54
  4. Тонкомпенсированный регулятор громкости с раздельной регулировкой глубины коррекции, на резисторе без отводов
  5. Цифровой регулятор громкости


    © PavKo, 2007-2018   Обратная связь   Ссылки views: 6078 -- users: 5983 -- web3   Яндекс.Метрика