Портал для радиолюбителей
   Часы-будильник с термометром
    Главная -> Статьи -> Устройства на микроконтроллерах -> Часы-будильник с термометром

Оригинальные швейцарские часы

<< Назад в раздел   Распечатать Дата добавления: 2016-11-23 | Просмотров: 10729

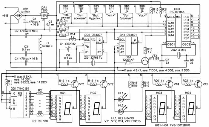
Функции собственно часов в представленном устройстве выполняет микросхема DS1307. Подобные микросхемы в зарубежной литературе обычно называют RTC - Real Time Clock (часы реального времени). Резервное питание RTC от литиевого элемента позволяет не прерывать счет времени при отключении основного источника питания. Отпадает необходимость каждый раз устанавливать время заново. Ток, потребляемый микросхемой DS1307, сопоставим с током саморазряда элемента, поэтому он не потребует замены в течение нескольких лет. Заданное время срабатывания будильника сохраняется в энергонезависимой памяти микроконтроллера. Один раз в минуту на индикатор в течение трех секунд выводится значение температуры в помещении. В начале каждого часа подается звуковой сигнал. Схема часов изображена на рис.1.

mc40-1.jpg

Микроконтроллер DD3 (PIC16F84A) инициализирует RTC DD2, читает и при необходимости корректирует текущее время. Аналогичные операции он выполняет с датчиком температуры ВК1 (DS1621). Обе микросхемы связаны с микроконтроллером по шине I2C. Кроме этого, он управляет динамической индикацией и производит опрос клавиатуры. При включении питания микроконтроллер, кроме других необходимых операций, переносит в оперативную память из энергонезависимой сохраненное там значение времени срабатывания будильника. Динамическая индикация организована следующим образом. Микроконтроллер загружает последовательным кодом в сдвиговый регистр DD1 информацию для вывода на индикатор HG1, затем на определенное время включает этот индикатор, открывая транзистор VT1. Такие же операции поочередно выполняются с индикаторами HG2 - HG4. В цикле индикации происходит и опрос состояния кнопок SB1 - SB6. Обнаружив низкий уровень на своем входе РА0, что сигнализирует о нажатой кнопке, микрокалькулятор выполняет подпрограмму обработки нажатия. Назначение кнопок следующее:
SB1 - включает и выключает звуковой сигнал, подаваемый в начале каждого часа. Когда сигнал выключен, включена точка на индикаторе HG4.
SB2 - после первого нажатия на кнопку начинают мигать индикаторы HG3 и HG4 (разряды минут). В этом состоянии с помощью кнопок SB4 и SB6 можно увеличивать или уменьшать значение в этих разрядах. Такие же операции с разрядами часов (индикаторы HG1 и HG2) выполняют после второго нажатия на кнопку SB2. Третьим нажатием на нее записывают обновленное значение текущего времени в RTC и возвращают часы в рабочий режим.
SB3 - включает и выключает сигнал будильника и светодиод HL1, который начинает мигать в такт со светодиодом HL2. В течение трех секунд после нажатия на кнопку SB3 на индикаторы выводится заданное время срабатывания будильника.
SB4 - увеличивает выведенное на индикатор значение.
SB5 - после первого нажатия на эту кнопку на индикаторы выводится заданное время срабатывания будильника. После дальнейших нажатий заданное время можно изменять аналогично установке текущего времени. После четвертого нажатия информация о времени срабатывания заносится в энергонезависимую память микроконтроллера и часы возвращаются в рабочий режим.
SB6 - уменьшает выведенное на индикатор значение.

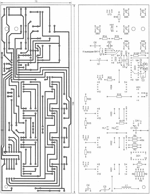
Часы собраны в корпусе от часов "КВАРЦ-025". От них же использован трансформатор, напряжение на его вторичной обмотке уменьшено до 8 В отматыванием витков. Детали новых часов смонтированы на печатной плате из фольгированного стеклотекстолита, чертеж которой показан на рис.2.

mc40-2.jpg

Изображенную штриховой линией перемычку делают из изолированного провода (например, МГТФ-0,12) и устанавливают со стороны печатных проводников. Остальные перемычки (неизолированные) установлены со стороны деталей. Плата рассчитана на установку постоянных резисторов МЛТ или С2-33, оксидных конденсаторов К50-35 или импортных. Конденсаторы СЗ, С5, С6 - керамические или пленочные. Светодиоды L-34GD можно заменить другими с диаметром корпуса 3 мм, а индикаторы FYS-10012BUG - любыми подходящего размера с общими анодами элементов. Цвет свечения светодиодов и индикаторов - зеленый. Для индикаторов предусмотрены панели, сделанные из панелей для микросхем. Звуковой сигнализатор НА1 установлен со стороны печатных проводников. Дроссель L1 - ДПМ-0,2. Датчик температуры DS1621 установлен в панели, вынесенной за пределы корпуса часов и соединенной с печатной платой жгутом из четырех проводов. Держатель литиевого элемента G1 снят со старой материнской платы компьютера.

Файлы


Добавил:  Павел (Admin)  
Автор:  Киба В. 

Вас может заинтересовать:

  1. Многофункциональные часы-термостат с дистанционным управлением
  2. Универсальный адаптер-программатор
  3. Частотомер на PIC контроллере PIC16F84 с LCD дисплеем
  4. Universal device
  5. Разработка микроконтроллерных USB-устройств в среде BASCOM


    © PavKo, 2007-2018   Обратная связь   Ссылки views: 14 -- users: 14 -- web3   Яндекс.Метрика