Портал для радиолюбителей
   Тайны лампового звука
    Главная -> Статьи -> Ламповые усилители низкой частоты -> Тайны лампового звука


<< Назад в раздел   Распечатать Дата добавления: 2007-09-27 | Просмотров: 16882

Нужно ли строить ламповый усилитель? Конечно, хотя бы для того, чтобы узнать, что представляет собой этот знаменитый "ламповый звук". Кто не может построить сам, тот покупает в магазине или заказывает индивидуальный проект. Но все усилители звучат по-разному. Усилиями тысяч аудиофилов наметились пути построения ламповых усилителей, обладающих прекрасным звуком. Они не скрывают результатов своих экспериментов, издают журналы (например, "Вестник А.Р.А."), где публикуют удачные (и не очень!) схемные решения, упирая на редкостные, или весьма дорогие комплектующие и материалы. Гораздо меньше в этих изданиях уделяется внимания вопросам теории, больше "пускается пыль в глаза". Рекомендуется подбирать каждый элемент усилителя и слушать, слушать! И вот, очумевший от советов и прослушиваний, читатель уже бежит на рынок и ищет конденсаторы по 100 долларов за штуку или трансформатор за 500, рассчитывая с их помощью услышать знаменитый "ламповый звук".

Предприимчивые люди начали производить на потребу жаждущих разнообразные ламповые усилители и КИТы (наборы деталей). Заводы, производящие электровакуумные приборы, снова выпускают прямонакальные триоды (2С4С, 6С4С, 300В и т.д.). Печатаются любопытные сообщения: члены "общества господина Сакумы" (Японские аудиофилы) игнорируют усилители, если их стоимость менее 10000$. Короче говоря, прочно утвердилось мнение, что "ламповый звук" — это хорошо! А за большие деньги — еще лучше!

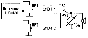
Как сравнивают усилители по звучанию? Разумеется, прослушивая музыкальные записи: грампластинки, CD, магнитофонные ленты. При этом приходится постоянно переключать несколько кабелей, что требует определенного времени. Учитывая краткосрочность музыкальной памяти, сравнение получается уже не таким надежным. Гораздо лучше подключить источник сигналов к входам обоих усилителей, а их выходы коммутировать на АС с помощью мощного переключателя.

Блок-схема такого тракта прослушивания приведена на рис.1 (для простоты показан один канал).

Рис.1.

Здесь источник информации и громкоговорители — одни и те же для обоих усилителей. С помощью регуляторов RP1 и RP2 устанавливается одинаковая громкость звучания акустических систем (АС) при разных положениях переключателя SA1. Индикатор уровня PV1 может отсутствовать, но лучше, если он используется. Схема — простая и понятная.

Однако если мы будем сравнивать усилители с разными выходными сопротивлениями, неизбежны ошибки в оценке усилителей. В чем тут дело? А дело в том, что АС, как правило, имеют частотнозависимое внутреннее сопротивление Z. На рис.2 показана примерная зависимость Z от частоты для двухполосной АС. Фазоинвертор на низких частотах имеет два пика вместо одного, но это сути дела не меняет. Если АС — трехполосная, то "горбов" на ха-рактеристеке Z(f) может быть больше. RE — сопротивление громкоговорителя на постоянном токе, оно приблизительно равно "номинальному" сопротивлению АС, т.е. Zном = (1,2...1,3)RE. Чаще всего используются АС с номинальным сопротивлением 4 или 8 Ом. Аудиофилы любят громкоговорители для кино с номинальным сопротивлением 12 и 16 Ом за их высокую отдачу. Горбы на характеристике Z=Z(f) могут в 2 и более раз превосходить Zном.

Примерная зависимость Z от частоты для двухполосной АС
Рис.2. Примерная зависимость Z от частоты для двухполосной АС

Совершенно очевидно, что при разных выходных сопротивлениях усилителей Rвых и одинаковых ЭДС на их выходах, напряжение на АС будет разным, так как Rвых и Z образуют делитель напряжения. Если выходные сопротивления усилителей не одинаковы, а они ведь могут быть и частотно-зависимыми, то АС будут звучать по-разному. Особенно это заметно при сравнении ламповых усилителей без обратной связи [1] и транзисторных, имеющих, как правило, глубокую отрицательную обратную связь. В первом случае Rвых = 2...3 Ом, во втором — Rвых = 0,1...0,01 Ом.

Ламповый усилитель будет подчеркивать те частоты, на которых Z возрастает. И действительно, НЧ и ВЧ у него звучат "лучше". Если частота раздела НЧ и ВЧ (fpaзд) в АС приходится на область 3 кГц, и на этой частоте имеется "горб", то лучше звучат струнные инструменты и голоса солистов. Напрашивается вывод, что частотная характеристика внутреннего сопротивления АС должна иметь как можно меньшую нелинейность, (в идеале — горизонтальная прямая), чтобы можно было сравнивать два разных усилителя.

Искусственно увеличив Rвых для усилителя с малым внутренним сопротивлением, включив последовательный резистор Rд (рис.3), получим одинаковые условия работы АС.

Рис.3.

Эти соображения были проверены на практике и полностью подтвердились. Сравнивались два стереофонических усилителя. Первый — ламповый, однотактный, на лампах 6Н23П и 2С4С, по схеме Loftin-White без ОС. Его основные параметры: Rвых ~ 3 Ом, Рвых ~ 3 Вт, ∆f = 12...40000 Гц. Выходные трансформаторы усилителя выполнены на сердечниках из стали типа 3409, S=15 см2, δ = 0,35 мм, l3 = 0,3 мм. Второй — транзисторный, с ООС, Rвых ~ 0,01 Ом, Рвых = 50 Вт, ∆f = 5...150000 Гц.

Нужно сказать, что этот ламповый однотактник на лампе 2АЗ (2С4С) считается чуть ли не "образцовым" УМЗЧ в среде аудиофилов. Правда, они оговаривают еще и дополнительные условия (спецпровода, спецприпой и т.п.). Звук его действительно хорош: резкий фронт (атака), большая прозрачность. "Через него" прекрасно звучат струнные и ударные инструменты.

Транзисторный усилитель был построен в соответствии с соображениями, изложенными автором в [2]. Время установления его переходной характеристики до погрешности 0,01% не превышает 10 мкс (на активном сопротивлении нагрузки).

В экспериментах использовались трехполосные АС с паспортной мощностью 70 Вт. Фазоинвертор настроен на частоту 25 Гц, частотная характеристика Z приведена в таблице:

f, кГц 0,05 0,1 0,2 0,5 1 2 4 6 8 15 20
Z, Ом 30 10 9 8 7 6 8 12 12 10 8

Сравнение усилителей проводилось при Рвых = 3 Вт. АЧХ напряжения на клеммах АС при Rвых = 2...3 Ом приобретает подъем (до 3 дБ) на НЧ и ВЧ, в соответствии с ростом Z. Без Rд транзисторный усилитель звучит более "сухо", но как только включается Rд = 2,2 Ом, его звучание ничем (подчеркиваю — ничем!) не отличается от звучания лампового Loftin-White. Предлагаю желающим убедиться в этом самим.

Поговорив о входном сопротивлении АС, перейдем к выходному сопротивлению усилителя. Как уже отмечалось, оно оказывает большое влияние на качество звучания. Поэтому посмотрим, как его измерить. Существует несколько способов, но мы остановимся на том, который определен в ГОСТе 23849-87 [3]. Этот метод основан на пропускании синусоидального тока через выходные клеммы усилителя и измерении падения напряжения на его выходном сопротивлении Zi (рис.4). Направление тока I на рисунке показано условно (от генератора в нагрузку). Данная схема не предназначена для измерения отрицательного Zi. Здесь R1 — активное сопротивление, равное номинальному сопротивлению нагрузки для данного УМЗЧ. Оно должно быть достаточной мощности, так как через него течет приличный ток (всего лишь в 3 раза меньший максимального). Падение напряжения на нем, измеряемое вольтметром PV2, должно быть на 10 дБ (в 3,16 раза) меньше номинального выходного напряжения усилителя. Генератор ЗЧ тоже должен быть достаточно мощным (например, Г3-109).

Схема измерений выходного сопротивления усилителя Zi
Рис.4. Схема измерений выходного сопротивления усилителя Zi

В качестве усилителя для создания необходимого тока можно использовать второй канал стереоусилителя или любой другой УМЗЧ достаточной мощности. Если испытываемый усилитель имеет, например, Рном = 50 Вт, Zном = 4 Ом, то потребуется ток I = 1,1 А. Выходное сопротивление

Zi = R1*U1/U2,
что полностью основано на законе Ома.

Вход усилителя можно закоротить, но лучше вместо перемычки поставить резистор, номинал которого равен сопротивлению источника сигнала. Измерения Zi ведутся на частоте 1 кГц.

Эта схема, при всей ее простоте, позволяет приоткрыть еще одну тайну "лампового звука". Вольтметр PV1 тогда нужно заменить чувствительным осциллографом, а частоту генератора ЗЧ менять от 20 Гц до 100 кГц.

Для лампового однотактного усилителя без обратной связи, работающего в классе А, мы увидим напряжение U1 в виде чистой синусоиды во всей рабочей полосе частот. Усилители, работающие в классе АВ, тем более — в В, и охваченные обратной связью, могут сильно искажать форму синусоидального тока, протекающего через Zi. Это говорит о том, что Zi нелинейно.

Для громадного большинства транзисторных усилителей это так. Причем на самых низких частотах напряжение U1 может быть синусоидальным, а по мере роста частоты оно искажается, и на частотах 20 кГц и более искажения могут быть очень большими, вплоть до удвоения частоты. А если измерить коэффициент гармоник такого усилителя по обычной методике, он может быть достаточно малым, например, всего 0,01%.


Добавил:  Павел (Admin)  
Автор:  Неизвестно 

Вас может заинтересовать:

  1. Три источника и три составные части...
  2. Эффективный корректирующий фильтр
  3. Усилитель на 6П3С и унифицированных элементах
  4. Ультралинейный усилитель с микрофонным входом
  5. Корректор для винила на 6Ф12П


    © PavKo, 2007-2018   Обратная связь   Ссылки views: 807 -- users: 774 -- web3   Яндекс.Метрика