Портал для радиолюбителей
   Устройство ДУ на 12 команд повышенной мощности
    Главная -> Статьи -> Устройства на микроконтроллерах -> Устройство ДУ на 12 команд повышенной мощности

Описание кухонные уголки Киев у нас.

<< Назад в раздел   Распечатать Дата добавления: 2007-10-25 | Просмотров: 14978

Устройство предназначено для управления 12 нагрузками в режиме реального времени. То есть, пока кнопка удерживается на передатчике, на приемнике горит светодиод. Разумеется вместо любого из светодиодов может быть включена оптопара или управляющий электрод мощного силового биполярного или полевого транзистора, включающего, например, двигатель модели. Причем одновременно и в любой последовательности допускается нажатие всех 12 кнопок

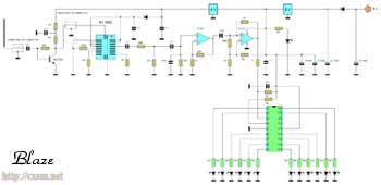
Передатчик.
Классическая схема на ПАВ резонаторе в задающем генераторе , модулируемая контроллером . Модуляция 100 % АМ .

Схема передатчика (нажмите для увеличения)

Усилитель мощности обеспечивает на нагрузке 50 Ом: 7 Вольт , что соответствует 1 Ватту. Токи транзисторов предоконечного и оконечного каскадов 50-75 и 150 -200 мА соответственно. Все контура обязательно в экранах. Настройку производят геометрическим растяжением или сжатием контуров , помеченных звездочкой.
Шифратор – PIC 16F628A , он осуществляет обработку информации о нажатых кнопках кодирование и посылку пачек управляющих импульсов, а также включение светодиодного индикатора и усилителя мощности во время передачи кода.

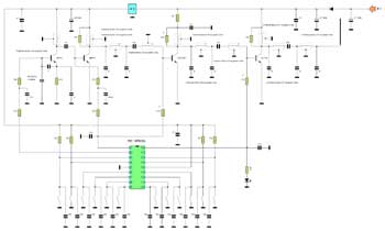
Приемник.
Приемная часть состоит из УРЧ на транзисторе 2SC3356, микросборки RFM RX 5002 (частота 418 МГЦ) и внешнего компаратора. Внешний компаратор применен с целью обеспечения возможности замены RX 5002 на обычный сверхрегенеративный каскад, описанный мной ранее. Внешний компаратор оцифровывает НЧ аналоговый сигнал принятый приемником и в цифровом виде подает его на вход дешифратора команд.

Схема приемника (нажмите для увеличения)

Дешифратор приемника – PIC 16F628A, осуществляет декодирование и исполнение принятых команд (вход только цифровой). Система кодер - декодер может работать как по проводам так и с другими приемником и передатчиком. Стабилизаторы на 4 вольта возможно заменить на 5-ти вольтовые ( более распространенные ). Только следует учитывать, что напряжение питания RX 5002 не должно превышать паспортное (около 3,5 вольт). В качестве антенн применены четвертьволновые отрезки провода.
Контроллеры прошивались с помощью этого программатора и программой IC Prog.

Скачать файлы разводки плат в формате Sprint Layout

Фото передатчика

Фото приемника

За прошивками обращаться к автору.
Со мной можно связаться по тел. 8-050-942-35-95  или по почте blaze@vizit-net.com или blaze2006@ukr.net

С уважением, Сергей (г. Кременчуг)


Добавил:  Павел (Admin)  
Автор:  Неизвестно 

Вас может заинтересовать:

  1. Электронные аксессуары для игры S.T.A.L.K.E.R.
  2. Электронная игра "Светодиодные наперстки"
  3. Универсальный USB программатор
  4. Охранное устройство с оповещением по телефонной линии
  5. USB программатор микроконтроллеров AVR и AT89S, совместимый с AVR910


    © PavKo, 2007-2018   Обратная связь   Ссылки views: 593 -- users: 579 -- web3   Яндекс.Метрика