Портал для радиолюбителей
   Простой домофон
    Главная -> Статьи -> Бытовая электроника -> Простой домофон


<< Назад в раздел   Распечатать Дата добавления: 2007-11-23 | Просмотров: 8751

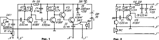
  Популярное сегодня переговорное устройство - домофон. Он позволяет жильцам дома или дачи вести дистанционные переговоры с посетителем, нажавшим звонковую кнопку у подъезда или возле калитки. Сравнительно простая конструкция домофона предлагается в данной статье. Домофон состоит из основного усилителя с телефонной трубкой и источником питания, которые располагаются в квартире в удобном для пользования месте, и микрофона с усилителем и динамической головкой, устанавливаемых на входной двери или калитке. Схема основного усилителя приведена на рис. 1. Микрофон ВМ1 и динамическая головка ВА1 расположены в телефонной трубке, из которой удаляют находившиеся в ней ранее детали. В показанном на схеме положении контактов переключателя SA1 и нажатой кнопке SB1 идет прослушивание лестничной площадки, пространства возле калитки или ответа посетителя. Когда же ручка переключателя будет переведена в противоположное положение, можно передавать посетителю сообщение или задавать вопросы. Громкость ответов посетителя регулируют переменным резистором R1. Зажимы "А"-"Г" соединяют с аналогичными на выносном усилителе (рис. 2). Желательно применить трехпроводный жгут в экранирующей оплетке, выполняющей роль проводника - "В".

 Простой домофон

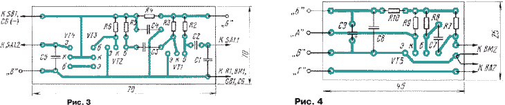
  В усилителе использованы доступные детали. Транзистор VT4 может быть любой из серии КТ814, остальные - любые из серии КТ361. Переменный резистор R1 - СП5-2В или другой подходящий по габаритам и сопротивлению, постоянные резисторы - МЛТ-0,125. В основном усилителе применена динамическая головка мощностью 0,25 Вт, в выносном - 0,5 Вт. Микрофон ВМ1 - электромагнитный ДЭМШ-1, ВМ2 - электретный МКЭ-3. Конденсаторы - любого типа. Источник питания - батарея "Крона". Детали основного усилителя смонтированы на плате из одностороннего фольгированного материала, показанной на рис. 3, а выносного усилителя - на рис. 4. В авторском варианте плата основного усилителя, источник питания и не смонтированные на плате детали размещены в корпусе старого телефонного аппарата (детали из него, конечно, удалены). На передней панели аппарата укреплены переменный резистор, переключатель и кнопка. Соединение телефонной трубки с деталями усилителя выполнено экранированным проводом.

 Простой домофон

  Для размещения деталей выносного усилителя был изготовлен корпус из фольгированного стеклотекстолита. Чувствительность домофона такова, что при расположении выносного усилителя над калиткой на двухметровой высоте и длине соединительной линии 15 м связь получается достаточно громкой. При необходимости наибольшей чувствительности и громкости связи добиваются подбором резисторов R2, R5, R8. Эту операцию проводят, конечно, перед установкой выносного усилителя, но с подключенной линией связи соответствующей длины. Без помощника здесь не обойтись. На время настройки усилителей указанные резисторы можно заменить цепочками из переменного резистора несколько большего, по сравнению с указанным на схеме, сопротивления и последовательно включенным с ним постоянного резистора сопротивлением 10...20 кОм.

Радио №8, 1999
А. Гриднев (RA6JGZ)
г. Владикавказ


Добавил:  Павел (Admin)  
Автор:  Радио №8, 1999 А. Гриднев (RA6JGZ) г. Владикавказ 

Вас может заинтересовать:

  1. ЗВУКОВОЙ ИНДИКАТОР УЛЬТРАЗВУКА
  2. Фототир на базе лазерной указки
  3. Индикатор присутствия
  4. Сварочный полуавтомат в углекислотной газовой среде с автоматической подачей сварочной проволоки
  5. Акустическое реле


    © PavKo, 2007-2018   Обратная связь   Ссылки views: 711 -- users: 665 -- web3   Яндекс.Метрика