Портал для радиолюбителей
   Мелодичный звонок на микросхеме УМС8
    Главная -> Статьи -> Бытовая электроника -> Мелодичный звонок на микросхеме УМС8


<< Назад в раздел   Распечатать Дата добавления: 2007-11-30 | Просмотров: 9830

Мелодичный звонок на микросхеме УМС8

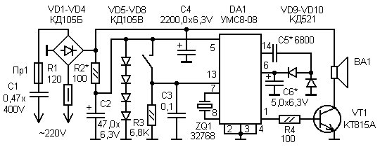
  Мелодия меняется автоматически, звучит полностью, при повторном нажатии кнопки звонка не включается следующая мелодия, если предыдущая не закончилась.VD1-VD4 любые с Uобр более 400В,VD5-VD8 с Iпр 0,1А и выше, ZQ1-часовой кварц, BA1 0,4W 8Ом. DA1 УМС8 (Uпит 1,35-2,0В). Пр1-самодельный в виде отрезка провода диаметром 0,05-0,08 мм и длиной около 1см. Напряжение менее 6,3В (рабочее напряжение С4) на выходе диодного моста зависит от R2. Чтобы увеличить громкость звонка, можно повысить напряжение, питающее усилитель мощности на VT1, применив С1 большей емкости и С4 на соответствующее напряжение. С6 подбирается достаточной величины, чтобы не было переключения на следующую мелодию после паузы в предыдущей. От С5 зависит скорость заряда С6 и время, через которое сменится мелодия (обычно успевает прозвучать 1-2 ноты предыдущей мелодии), также С5 влияет на необходимую емкость С6, С5, С6 должны быть минимальной емкости. Следует соблюдать меры предосторожности при монтаже устройства, т.к. оно имеет бестрансформаторный источник питания.


Добавил:  Павел (Admin)  
Автор:  Неизвестно 

Вас может заинтересовать:

  1. Живая вода для рассады
  2. Сварочный полуавтомат в углекислотной газовой среде с автоматической подачей сварочной проволоки
  3. Переносной импульсный электросварочный аппарат
  4. Сигнализатор протечки на базе радиозвонка
  5. Электрический термометр


    © PavKo, 2007-2018   Обратная связь   Ссылки views: 1660 -- users: 1644 -- web3   Яндекс.Метрика