Портал для радиолюбителей
   Велосипедный музыкальный звонок на УМС-7-08
    Главная -> Статьи -> Бытовая электроника -> Велосипедный музыкальный звонок на УМС-7-08


<< Назад в раздел   Распечатать Дата добавления: 2007-11-30 | Просмотров: 12151

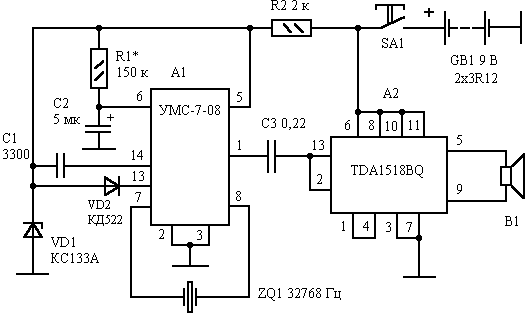
  Качество современных пластмассовых велосипедных звонков, мягко говоря, оставляет желать лучшего. Я предлагаю заменить штатный звонок велосипеда простым музыкальным звонком. Если это велосипед детский, то звонок вызовет у ребенка бурю восторга. Этот звонок можно применить и как квартирный звонок с регулируемой громкостью звучания. Особенно если учесть, что перебор мелодий в этом звонке происходит хаотически и, поэтому не будет раздражать хозяина. На рисунке 1 показана принципиальная схема звонка.

 Велосипедный музыкальный звонок

  Звонок собран на двух микросхемах. Микросхема А1 – это специализированная микросхема для построения музыкальных автоматов. В памяти микросхемы «зашит» набор мелодий, который можно воспроизводить в определенной последовательности. В микросхеме УМС7-08 таких мелодий три, а в микросхеме УМС8-08 их уже восемь. Отличие включения микросхемы от стандартного [1] состоит в том, что выбор мелодии происходит хаотически. Это достигнуто подключением интегрирующей цепочки на резисторе R1 и конденсаторе С2 к выводу 6 выбора мелодии. При включении напряжения питания конденсатор С2 медленно заряжается. В это время идет перебор первых нот всех мелодий. В момент заряда конденсатора С2 начинает проигрываться мелодия, первая нота которой совпала по времени с этим моментом. Таким образом, при подаче напряжения питания выключателем SA1 может включиться любая мелодия. Для последовательного перебора всех мелодий, записанных на микросхеме, необходимо подобрать резистор R1. Если увеличить емкость конденсатора С2 до 50-100 микрофарад, то при кратковременном нажатии кнопки SA1, мелодия звучать не будет, а будут воспроизводиться первые ноты всех мелодий. Поскольку каждая нота воспроизводится со своей длительностью и тактом, то получается интересная «какофония». Мелодия будет звучать до тех пор, пока нажата кнопка SA1. Если кнопка нажата больше, чем длится мелодия, то она повторяется.

  Микросхема А2 – это усилитель мощности до 30 Ватт на микросхеме TDA1518BQ. Эта микросхема выбрана из-за своей распространенности и относительной дешевизны. Она может быть заменена без переделки печатной платы микросхемой TDA1516BQ. Желательно на микросхему установить небольшой радиатор из алюминиевой пластинки. Заявленная в справочных материалах работа микросхем от 6 вольт оказалась фиктивной, возможно из-за таиландского изготовления. Фактически микросхема начинала работать при напряжении 7,2 вольта.

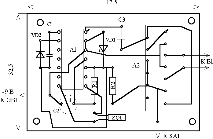
  Динамик В1 может быть любым до 4 Ватт. Но необходимо помнить, что и потребляемый ток будет различным. При использовании 8- омного динамика (Sistek sound master 1 w min 2 w max) максимальный потребляемый ток составлял 0,5 А. Поскольку каждая нота имеет свою частоту, то и потребляемый ток будет различным при звучании каждой ноты. В паузах потребляемый ток составлял около 50 мА. Для регулирования громкости звучания необходимо перед усилителем мощности поставить резистор номиналом 10 килоом одним концом на землю, а вторым на конденсатор С3. С движка резистора через конденсатор емкостью 0,22 микрофарада сигнал подается на усилитель. Питание велосипедного звонка лучше сделать от двух плоских батарей типа 3R12х. Питание квартирного звонка лучше сделать от стационарного блока питания. Печатная плата из одностороннего стеклотекстолита показана на рисунке 2.

 Печатная плата из одностороннего стеклотекстолита

  Велосипедный звонок удобно разместить в скорлупе кокосового ореха. Для этого примерно одну треть ореха необходимо разрезать на отрезном круге. К срезу большей части скорлупы на винтах М2,5-3 прикручивается пластмассовая пластина с динамиком. Внутри ореха хомутами крепятся батареи. К рулю велосипеда звонок крепится как фара при помощи стальных полос.


Добавил:  Павел (Admin)  
Автор:  Неизвестно 

Вас может заинтересовать:

  1. Трехфазный электронный счетчик электроэнергии Меркурий-230
  2. Звуковое реле (конструкция 2)
  3. Переносной импульсный электросварочный аппарат
  4. Блок защиты ламп накаливания
  5. Аварийный светодиодный светильник с ионистором


    © PavKo, 2007-2018   Обратная связь   Ссылки views: 890 -- users: 443 -- web3   Яндекс.Метрика