Портал для радиолюбителей
   Конструкции громкоговорителей
    Главная -> Статьи -> Акустические системы -> Конструкции громкоговорителей


<< Назад в раздел   Распечатать Дата добавления: 2007-10-04 | Просмотров: 12233

 

Простые громкоговорители

В тех случаях, когда громкоговоритель с требуемыми характеристиками приобрести не представляется возможным, его придется изготовить самостоятельно. Для этого потребуется одна или несколько однотипных динамических головок и сравнительно несложное акустическое оформление - деревянный ящик. В любительских условиях лучше всего использовать широкополосные динамические головки. Громкоговорители с широкополосными динамическими головками проще в изготовлении, чем громкоговорители, в которых используют несколько различных головок. Правда, самодельные громкоговорители на базе широкополосных головок имеют рабочий интервал воспроизводимых частот уже, примерно от 50-60 Гц до 14-16 кГц.

В последнее время разработаны и выпускаются промышленностью широкополосные головки, на базе которых можно построить однополосные громкоговорители с очень широким рабочим интервалом частот.

Внешне громкоговорители как промышленного изготовления, так и самодельной чаще всего оформляют в виде .параллелепипеда. Лицевую панель драпируют неплотной хлопчатобумажной или синтетической тканью. Ящик громкоговорителя изготовляют из досок или древесностружечных плит толщиной 15-20 мм.

Для самодельных громкоговорителей можно использовать динамические головки, перечень и характеристики которых приведены в таблице. Первые цифры в обозначении головки указывают на ее номинальную мощность.

Выбор головок и их числа в громкоговорителе определяется его назначением и требуемой номинальной мощностью. При этом необходимо иметь в виду и номинальное сопротивление головки, и сопротивление громкоговорителя в целом. Если в нем предполагается использовать только одну головку, ее номинальная мощность должна быть не меньше номинальной мощности усилителя НЧ, с которым громкоговоритель будет работать, а сопротивление головки должны быть не меньше минимального сопротивления нагрузки усилителя. Как показывает практика, лучше всего для такого громкоговорителя подходит четырехваттная головка 4ГД-4, 4ГД-35 или 4ГД-36. В крайнем случае можно использовать головку ЗГД-38Е.


Таблица 1

Нужно отметить, что динамические головки выдерживают значительные перегрузки по подводимой мощности. Так, головки новых разработок ЗГД-38Е, 4ГД-35, 4ГД-36 в паспорте имеют и такой параметр, как паспортная мощность. Паспортная мощность головки ЗГД-38Е - 5 Вт, а головок 4ГД-35 и 4ГД-36 - по В Вт. За рубежом аналогом паспортной мощности головок является их максимальная мощность.

Но несмотря на имеющийся запас механической прочности, не следует перегружать головку, поскольку при этом уровень нелинейных искажений звукового сигнала заметно повышается. Обычно коэффициент нелинейных искажений головки на номинальной мощности не превышает 5-10%. При достижении паспортной мощности коэффициент нелинейных искажений может достичь значения, когда они становятся заметными на слух.

В тех случаях, когда требуется создать громкоговоритель номинальной мощностью большей, чем допускает одна головка, устанавливают несколько одинаковых головок (обычно две - четыре), электрически соединенных между собой последовательно, параллельно или смешано. Номинальная мощность такого громкоговорителя равна сумме номинальных мощностей головок.

Было бы ошибкой считать, что наличие даже самых лучших головок гарантирует высокое качество громкоговорителя. Для этого необходимо еще подобрать соответствующее акустическое оформление, т. е. оптимальную для этих головок конструкцию ящика громкоговорителя. Кроме лицевой панели, на которую устанавливают головку или несколько головок, боковых, задней, нижней и верхней панелей, конструкция ящика может включать в себя и внутренние перегородки, различные поглощающие покрытия и другие детали. Существует несколько разновидностей акустического оформления громкоговорителя, имеющих свои особенности конструкции, достоинства и недостатки.

В первую очередь общая конструкция громкоговорителя определяется числом его головок. Если головок в нем несколько и они размещены близко одна к другой, то такой громкоговоритель называют групповым излучателем. Название это означает, что на низших частотах и частично на средних диффузоры головок колеблются почти синфазно, из-за чего акустическая отдача громкоговорителя увеличивается. На самых низких частотах увеличение отдачи кратно числу головок.

Эту особенность групповых излучателей давно и эффективно используют в профессиональной звукоусилительной технике, например, в кинотеатральных установках, а в последнее время и в любительских конструкциях. Рабочий интервал воспроизводимых частот таких громкоговорителей расширен снизу по сравнению с громкоговорителями с одной головкой. Вместе с этим эффективность воспроизведения низших частот .во многом зависит от размеров и конструкции ящика громкоговорителя. В среднем можно считать, что для понижения нижней границы рабочего интервала воспроизводимых частот нужно увеличивать размеры ящика.

Тем не менее известны конструкции громкоговорителей, которые при относительно небольших внешних размерах ящика имеют весьма малое значение низшей воспроизводимой частоты. На рис.1 представлены различные варианты конструкции акустического оформления для одной головки. Громкоговорители с несколькими головками могут быть устроены подобным образом. Самый простой вариант представляет собой ящик без задней стенки (рис. 1,а). Головка установлена на передней панели ящика раскрывом диффузора вперед, по направлению к слушателю. Звуковые колебания, возбуждаемые тыльной поверхностью диффузора, находятся в противофазе с колебаниями от передней его поверхности. Для того, чтобы полезные акустические колебания от передней поверхности диффузора не были подавлены в результате наложения на них колебаний от тыльной поверхности, ящик должен быть глубоким настолько, чтобы акустические волны от тыльной стороны диффузора достигали плоскости передней панели с определенной задержкой по сравнению с прямыми волнами, т. е. со сдвигом по фазе. На самой низкой воспроизводимой частоте этот сдвиг должен составлять 90°, для более высокой частоты он будет большим.

Громкоговорители без задней стенки хорошо реализуют энергетические возможности головки, но имеют один недостаток: на качество их работы влияет наличие стен и других предметов, находящихся вблизи заднего отверстия ящика. Поэтому такие громкоговорители приходится устанавливать не ближе 30- 40 см от стены.

От указанного недостатка свободны громкоговорители с задней стенкой или замкнутые громкоговорители. Громкоговоритель может представлять собой герметизированный ящик, на передней панели которого установлена динамическая головка (рис. 1,б). Во избежание нежелательных отражений звука от внутренней поверхности ящика, ее покрывают толстым слоем звукопоглощающего материала (натуральной или минеральной ваты, шерсти, войлока и др.). Но такому громкоговорителю присущ другой недостаток-повышение резонансной частоты примерно в 2-3 раза и связанное с этим сужение рабочего интервала частот. Этот недостаток устраняют применением специальных компрессионных головок, имеющих очень низкую собственную резонансную частоту, всего 15-25 Гц. После установки в замкнутый ящик их резонансная частота увеличивается до приемлемого значения: 50-60 Гц.


Puc.1

Компрессионные головки, кроме того, что они относительно дороги и дефицитны, имеют еще один большой недостаток-низкий КПД. Лучшие компрессионные головки развивают стандартное звуковое давление не более 0,1 Па т. е. их КПД примерно в 4 раза меньше, чем у обычных головок со стандартным давлением 0,2 Па. Для работы таких громкоговорителей требуются большие мощности, обычно не менее 10-20 Вт, а громкость звучания при этом будет не больше, чем у громкоговорителя на 3-4 Вт с обычными головками. Но зато такой громкоговоритель будет иметь сравнительно малые размеры.

А нельзя ли сделать громкоговоритель, свободный от указанных недостат-ков? Можно! Это-громкоговоритель с фазоинвертором, устройство которого показано на рис. 1,в. В передней панели этого громкоговорителя имеется еще одно отверстие сечением, близким к площади раскрыва диффузора головки или несколько меньшим. Это отверстие по форме может быть круглым или прямоугольным. Отверстие является устьем трубы-тоннеля, прикрепленного изнутри ящика к передней панели.

Основным достоинством фазоинвертора является то, что акустические колебания, возбуждаемые тыльной поверхностью диффузора, на выходе из отверстия нa определенных частотах оказываются в фазе с колебаниями, создаваемыми передней поверхностью диффузора. В результате эффективность работы громкоговорителя существенно увеличивается. Обычно подбирают размеры ящика (точнее-его внутрений объем), сечение отверстия фазоинвертора и длину тоннеля таким образом, чтобы поворот фазы на 180° тыльного излучения головки соответствовал частоте, близкой к резонансной частоте головки. При выполнении этого условия происходит расширение рабочего интервала воспроизводимых частот вниз.

Раньше рабочую длину тоннеля фазовращателя выбирали равной толщине передней панели ящика, поэтому динамическую головку согласовывали с фазоинвертором выбором площади отверстия фазоинвертора и внешних размеров ящика. В результате громкоговорители были очень громоздкими. Сейчас широко используют в фазоинверторе тоннель, удлиняющий путь акустических волн перед выходом из ящика. Меняя длину тоннеля, можно весьма точно подобрать па раметры ящика громкоговорителя применительно к конкретной головке даже при сравнительно небольших его размерах.

Следует указать, что точный расчет размеров ящика громкоговорителя с фазоинвертором очень сложен. Поэтому в любительских условиях удобно пользоваться номограммой, приведенной на рис. 2. Она однозначно связывает между собой внутренний объем ящика громкоговорителя, резонансную частоту динамической головки, площадь отверстия фазоинвертора и длину тоннеля. О том, как пользоваться номограммой, будет рассказано ниже, при рассмотрении кон струкций самодельных громкоговорителей.


Puc.2

Наиболее сложны по устройству громкоговорители с лабиринтом (см. рис. 1,г) и с рупором (см. рис. 1,д). Здесь так же, как и в фазоинверторе, использованы колебания, возбуждаемые тыльной стороной диффузора для увеличения отдачи на самых низких частотах. Лабиринт увеличивает длину пути, пробегаемого акустической волной внутри ящика. Характерной особенностью лабиринта является то, что площадь его поперечного сечения на всем протяжении остается почти постоянной. При этом общая длина пути звуковой волны должна быть равна четверти длины волны на самой низкой частоте рабочего интервала частот, обычно равной частоте собственного резонанса головки. Расчет показывает, что при резонансной частоте 80 Гц длина лабиринта должна быть равна 1 м, при 40 Гц-2 м, при 20 Гц-4 м. Таким образом, на самых низких частотах длина лабиринта получается значительной.

В громкоговорителе с рупором также установлено несколько перегородок для увеличения длины пути, проходимого акустической волной, возбуждаемой тыльной поверхностью диффузора, но при этом поперечное сечение лабиринта не остается неизменным, а увеличивается по мере приближения к выходному отверстию. Такая конструкция лабиринта позволяет сравнительно плавно согласовать относительно высокое давление за головкой с атмосферным давлением на выходе рупора, что дает повышение эффективности преобразования электрической мощности в акустическую на низших частотах. Длина рупора должна быть возможно большей.

В радиолюбительской литературе можно найти описания различных конструкций громкоговорителей, но подавляющее большинство из них выполнено в в виде либо закрытого ящика с фазоинвертором, либо закрытого ящика с фазоинвертором, либо группового излучателя. Громкоговорители с лабиринтом и рупором сложны в изготовлении, требуют проведения сложных расчетов под конкретную головку, что затрудняет их повторение в любительских условиях. Ниже описаны самодельные громкоговорители с различным числом головок, способные реализовать энергетические возможности усилителей НЧ, описания которых приведены были выше.

Громкоговорители с одной головкой

На рис. 3 показаны два варианта конструкции передней панели громкоговорителя с фазоинвертором, в котором применена либо головка ЗГД-38Е, либо 4ГД-4 4ГД-35, 4ГД-36 (размеры для этого варианта даны в скобках). В первом варианте громкоговорителя рабочий интервал частот простирается от 80 Гц до 12,5 кГц, а сопротивление равно 4 Ом. У второго варианта громкоговорителя нижняя частота рабочего интервала соответствует 35-60 Гц. Сопротивление громкоговорителя также равно 4 Ом (у некоторых экземпляров головок 4ГД-36 сопротивление равно 8 Ом, что указывается в паспорте, прилагаемом к головке).


Puc.3

Следует отметить, что здесь указаны гарантированные границы частотного интервала, на практике он обычно шире и достигает 14 и даже 16 кГц.

Переднюю панель громкоговорителя можно изготовить из многослойной фанеры толщиной 12-15 мм или древесностружечной плиты толщиной 18-20 мм. Ящик делают из того же материала и собирают на шурупах с обязательной проклейкой всех швов. Лучше всего использовать казеиновый или синтетический клей. Головку устанавливают на внутреннюю поверхность передней панели и крепят шурупами. Желательно под головку подложить кольцо из войлока или толстого сукна. Глубину ящика определяют, исходя из требуемого объема громкоговорителя, имеющегося материала и эстетических соображений. Для громкоговорителя с головкой ЗГД-38Е оптимальной является глубина 200 мм, а для 4ГД-4, 4ГД-35 и 4ГД-36 - 270 мм.

После сборки ящика все швы необходимо герметизировать шпаклевкой и клеем. Изнутри к стенкам нужно приклеить слой поглощающего материала толщиной 3-5 см из ваты или шерстяной ткани, простеганной с одним или двумя слоями легкой хлопчатобумажной ткани, например, марли, для того, чтобы волокна и нити не попадали на головку. Тоннель фазоинвертора можно выполнить из фанеры толщиной 5 мм или из толстого жесткого картона.

Зная размеры ящика и резонансную частоту головки, можно по номограмме рис. 2 определить длину тоннеля таким образом, чтобы обеспечить наилучшее воспроизведение низших частот. Покажем это на примерах.

Пусть внутренний объем ящика равен 25 дм3, а сечение отверстия фазоинвертора-0,84 дм2. Резонансная частота головки ЗГД-38Е равна 80 Гц. Для нахождения длины тоннеля сначала находим точку пересечения наклонной прямой 80 Гц с вертикалью, проведенной через отметку 25 дм3. Затем из точки, соответствующей сечению 0,84 дм2, опускаем вертикаль до пересечения с горизонталью, проведенной через ранее полученную точку. Точка их пересечения в зоне кривых Длина тоннеля дает искомое значение. Согласно проведенным построениям, длина тоннеля должна быть равна 7 см.

Для громкоговорителя с четырехваттной головкой внутренний объем громкоговорителя равен примерно 48 дм3, сечение отверстия фазоинвертора 1,3 дм2, а резонансная частота головки близка к 60 Гц. Аналогичные построения на номограмме показывают, что длина тоннеля должна быть равна 9 см. В тех случаях, когда с первого раза не удается подобрать приемлемый результат, необходимо изменить объем или площадь сечения отверстия и вновь повторить построение.

Как показывает практика, громкоговоритель с фазоинвертором обеспечивает дополнительное увеличение эффективности преобразования электрической мощности в акустическую на низших частотах примерно в 3-4 раза, т. е. на 5- 6 дБ. Это увеличение эквивалентно понижению нижней границы интервала воспроизводимых частот примерно на 20-30%.

Конечно, достижение таких результатов возможно только при соблюдении всех требований, а в любительских условиях это затруднительно. Отклонения в размерах и резонансной частоте могут повлиять на конечный результат. В некоторой степени отклонения можно скомпенсировать подбором длины тоннеля. Для этого тоннель изготавливают с припуском 1,5-2 см по длине, а затем при налаживании припуск срезают до получения наилучшего звучания низших частот. Для того, чтобы при укорачивании тоннели каждый раз не разбирать громкоговорителя, можно рекомендовать временно вывести тоннель наружу. Правда, это несколько изменит общий объем ящика, но зато позволит быстро и удобно найти оптимальную длину тоннеля. Затем его вновь устанавливают внутрь ящика и окончательно фиксируют на клею.

Переднюю панель следует задрапировать снаружи неплотной тканью. Ее предварительно стирают, красят в темный цвет (обычно в черный или коричневый), разглаживают и натягивают на панель слегка влажной. Закрепляют ткань на тыльной стороне панели мелкими гвоздями и клеем. После высыхания ткань плотно и ровно обтянет панель.

Передняя панель должна плотно без зазоров прилегать к кромкам ящика. Обычно для этой цели к внутренней поверхности стенок ящика прикрепляют четыре рейки сечением 20х20 мм из прочной древесины, а к ним уже шурупами крепят переднюю панель.

Громкоговорители с двумя головками

Электрические характеристики громкоговорителя с одной динамической головкой полностью определяются ее свойствами. Увеличение числа головок дает возможность регулировать эти характеристики. Можно изменять сопротивление громкоговорителя. Если соединить звуковые катушки головок синфазно-последовательно, сопротивление увеличится вдвое по сравнению с сопротивлением одной головки. При синфазно-параллельном включении головок сопротивление громкоговорителя уменьшается вдвое. Кроме этого, ,в обоих случаях увеличивается его номинальная мощность. Например, если использовать две головки ЗГД-38Е, то номинальная мощность составит 6 Вт (паспортная 10 Вт), а сопротивление может быть равно 2 или 8 Ом. Как было показано выше, сопротивление громкоговорителя обычно менее 4 Ом не выбирают, поэтому оптимальным следует считать сопротивление 8 Ом. При использовании двух головок 4ГД-35 номинальная мощность составит 8 Вт (паспортная 16 Вт), сопротивление 8 Ом.

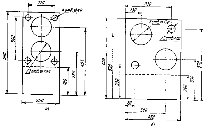
На рис. 4 показана разметка передней панели громкоговорителя с двумя головками ЗГД-38Е и 4ГД-35 или 4ГД-36. В первом случае (рис. 4,а) глубина ящика равна 300 мм, для варианта с четырехваттными головками (рис. 4,б)- 200 мм. Отверстия фазоинвертора в этом громкоговорителе выбраны круглыми, а тоннели с толщиной стенок 3-4 мм выполнены в виде цилиндра, склеенных из плотной бумаги или картона. В первом громкоговорителе тоннелей четыре, во втором - два. Сделано это для упрощения изготовления фаэоинвертора. При расчете учитывают суммарную площадь его отверстий. По номограмме длина каждого из четырех тоннелей первого варианта громкоговорителя должна быть равна 5 см, а каждого из двух второго-5,5 см. Тоннели склеивают на цилиндрических деревянных болванках диаметром 36 и 72 мм соответственно.


Puc.4

В случае необходимости переднюю панель можно изготовить и из двух кусков фанеры или древесностружечной плиты. Возможное место стыка двух частей показано на рис.4 штриховой линией. С внутренней стороны панели стык должен быть усилен накладкой из фанеры или древесностружечной плиты такой же толщины шириной 60-80 мм либо сосновой рейкой сечение 20Х50 мм.

Размеры громкоговорителей позволяют разместить в них усилитель НЧ и автономный источник питания. Для этого в ящике отгораживают отсек необходимых размеров. Уменьшение объема громкоговорителя компенсируют соответствующим удлинением тоннелей фазоинвертора. Такая конструкция громкоговорителя весьма удобна для различных переносных электроакустических установок. На верхней панели ящика целесообразно смонтировать ручку для переноски громкоговорителя.

Громкоговорители с двумя головками несколько лучше воспроизводят низшие частоты. Это улучшение для описанных выше конструкций начинается с чатоты 800-1000 Гц и достигает максимума (отдача увеличивается почти в два раза) на частотах ниже 300 Гц. В свою очередь это расширяет полосы воспроизводимых частот примерно на полоктавы в сторону низших частот.

Как уже было указано выше, изготовление громкоговорителя с фазоинвертром является относительно сложным делом. Поэтому, если требуется изготовить простую конструкцию громкоговорителя с относительно большой номинальной мощностью, целесообразно выбрать один из вариантов громкоговорителя типа групповой излучатель, содержащего четыре или шесть однотипных головок. Такие громкоговорители имеют значительную мощность, позволяют в широких пределах варьировать сопротивление и хорошо воспроизводят низшие частоты при использовании простейшего ящика без задней стенки.

Групповой излучатель с четырьмя головками

На рис.5 изображена разметка передней панели громкоговорителя, в котором установлены четыре однотипных четырехваттных головки (4ГД-4, 4ГД-35, 4ГД-36). Его номинальная мощность-16 Вт (паспортная - до 30 Вт), сопротивление зависит от выбранного типа головок и способа соединения их звуковых катушек (оно может быть равно 8 или 32 Ом для 4ГД-4 и 4 или 16 Ом для остальных). Громкоговоритель эффективно воспроизводит частоты от 45-50 Гц до 12-14 кГц.


Puc.5

Задняя стенка у ящика отсутствует. Глубина его-150 мм. На дне ящика изнутри можно разместить усилитель НЧ и автономный источник питания (или выпрямитель), причем каких-либо перегородок для них не требуется. Динамические головки громкоговорителя могут быть соединены последовательно или смешанно (параллельно-последовательно), как показано на рис. 6,а и б соответственно, во всех случаях обязательно синфазное включение головок, что обеспечивается правильным подключением начала и конца звуковых катушек. У современных головок на диффузородержателе есть цветные метки, обозначающие начало катушки (на рис. 6 обозначено точками).


Puc.6

При описании усилителей НЧ было указано, что их выходная мощность зависит от сопротивления нагрузки. Поэтому, используя различные варианты включения головок, можно подбирать желаемые характеристики усилителя. Например, в том случае, когда усилитель питается от батарей элементов. целесообразно увеличить сопротивление нагрузки и тем самым снизить потребляемы" ток. Для этого головки включают последовательно. Если каждая головка имеет сопротивление 4 Ом, то громкоговоритель будет иметь 16 Ом. Параллельно-последовательное соединение головок предпочтительно при питании усилителя от мощного выпрямителя. В этом случае сопротивление громкоговорителя будет равно сопротивлению одной головки. Описанные в этой книге усилители НЧ могут работать как с автономным (батарейным), так и с сетевым питанием. Путем несложной коммутации звуковых катушек головок переключателем В1, как это показано на схеме рис.7, можно обеспечить более полное использование источников питания. Тумблер устанавливают внутри ящика громкоговорителя рядом с головками.


Puc.7

Групповой излучатель с шестью головками

Для вокально-инструментальных ансамблей, при проведении танце-вальных вечеров в большом зале нужны громкоговорители с номинальной мощностью не менее 20 Вт. Очевидно, что располагая четырехваттными головками, такой громкоговоритель можно собрать только при наличии пяти или шести головок. При пяти головках трудно обеспечить одинаковый ток через них в параллельно-последовательном соединении, а последовательное соединение дает чрезмерно большое сопротивление громкоговорителя. Поэтому удобнее установить в громкоговоритель шесть головок, включив их по три последовательно и обе группы параллельно. При сопротивлении каждой головки 4 Ом сопротивление громкоговорителя будет равно 6 Ом, что хорошо согласуется с большинством усилителей НЧ. Фазировка головок в громкоговорителе обязательна.

На рис.8 приведен эскиз ящика громкоговорителя с шестью четырех-ваттными головками 4ГД-4, 4ГД-35 или 4ГД-36. Передняя панель составлена из двух одинаковых частей, изготовленных из древесностружечной плиты. На каждую полупанель устанавливают по три головки и соединяют их между собой последовательно. Такая конструкция передней панели выбрана для улучшения ее жесткости и достижения более равномерного излучения в пространстве. Последнее особенно желательно потому, что с увеличением числа головок в громкогворителе излучение концентрируется в направлении, перпендикулярном плоскости передней панели, а боковое излучение значительно ослабляется.


Puc.8

Следует отметить, что громкоговорители вида групповой излучатель несмотря на простоту конструкции обладают высокой номинальной мощностью и широким интервалом воспроизводимых частот, а недостаток, присущий всем громкоговорителям без задней стенки, - влияние стены помещения, у которой установлен громкоговоритель - практически не проявляется, если звукоусилительная установка работает на клубной сцене или открытом воздухе.

Нередко приходится слышать вопрос: целесообразно ли строить громкоговоритель на базе менее мощных головок, например, одноваттных или двухваттных? Такие вопросы возникают у радиолюбителей и при отсутствии требуемых головок. Нужно сказать, что громкоговоритель с одной головкой мощностью 1 или 2 Вт малоэффективен. Удовлетворительные результаты можно получить от группового излучателя из четырех или шести маломощных головок с круглым или овальным диффузором. Подойдут головки 2ГД-3, 1ГД-40 я 1ГД-36 или еще лучше-современные головки 2ГД-40 с катушкой сопротивлением 4 Ом.

В.А.Васильев. Радиолюбители - сельскому клубу. М.Радио и связь. 1983 г.



Добавил:  Павел (Admin)  
Автор:  Неизвестно 

Вас может заинтересовать:

  1. Доработка колонок Radiotechnikа S-30b или бюджетный Hi-Fi за смешные деньги
  2. Сидит краса в темнице
  3. Переделка акустической системы 35АС-1
  4. Фазовый метод расчета разделительных фильтров акустических систем
  5. Усовершенствование головки прямого излучения


    © PavKo, 2007-2018   Обратная связь   Ссылки views: 4677 -- users: 4558 -- web3   Яндекс.Метрика