Портал для радиолюбителей
   Удлинитель ПДУ
    Главная -> Статьи -> Бытовая электроника -> Удлинитель ПДУ


<< Назад в раздел   Распечатать Дата добавления: 2007-12-22 | Просмотров: 13707

Устройство предназначено для управления спутниковым тюнером из другой комнаты. Эта проблема возникает когда тюнер один а телевизоров два или больше в разных помещениях.

Приемную часть оставляют возле спутникового тюнера, направляя светодиод в окошко его ИК приемника , а передающую вместе с дистанционным управлением уносят в другую комнату, где телевизор.

Схема передатчика ПДУ

Передатчик управляется ИК приемником промышленного производства типа TSOP со встроенным демодулятором несущей ( 36 КГц) . При передаче используется 100% АМ .То есть если 1 ( несущая есть ) если 0 ( несущей нет и передатчик выключен ). Оконечный каскад передатчика приоткрыт в режиме молчания током 15 мА. Антенны приемника и передатчика – четвертьволновые отрезки провода ( 16 см ).

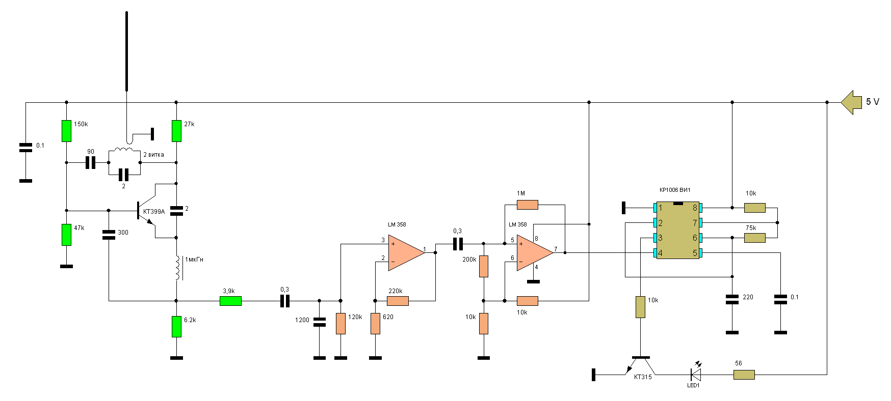
Схема приемника. Нажмите для увеличения

Приемник – сверхрегенератор с весьма хорошей повторяемостью ( изготовлено 3 экземпляра устройств совершенно без проблем на частоты 433,92 и 418 МГц на СМД элементах ) и отличной чувствительностью. Его настройка сводится к подбору емкостей между коллектором и эмитером транзистора и емкости и индуктивности колебательного контура и катушки связи с антенной. Контролировать сигнал принятый приемником можно с выхода первого ОУ ( 1 нога LM 358 ) подключив туда вход контрольного УНЧ . Второй ОУ входящий в состав микросхемы – пороговое устройство , с него на таймер идет уже цифровой сигнал. Таймер восстанавливает по приходу высокого уровня несущую частоту 36 кГц и управляет транзистором, зажигающим ИК светодиод.

Прислал Сергей, г.Кременчуг
Почта: blaze@vizit-net.com


Добавил:  Павел (Admin)  
Автор:  Сергей, г.Кременчуг Почта: blaze@vizit-net.com 

Вас может заинтересовать:

  1. Автомат плавного включения и выключения лампы накаливания
  2. Имитатор пения птиц
  3. Cветодиодный фонарь из... калькулятора
  4. Автоматический селектор входных сигналов услителя
  5. Фототранзистор-индикатор дыма


    © PavKo, 2007-2018   Обратная связь   Ссылки views: 5458 -- users: 3803 -- web3   Яндекс.Метрика