Портал для радиолюбителей
   Конструирование ламповых усилителей
    Главная -> Статьи -> Ламповые усилители низкой частоты -> Конструирование ламповых усилителей


<< Назад в раздел   Распечатать Дата добавления: 2008-01-05 | Просмотров: 50605

В статье рассмотрены особенности построения однотактных ламповых усилителей для высококачественного звуковоспроизведения. Автором рекомендованы наиболее подходящие для таких усилителей лампы и конструкции выходных трансформаторов.

Наверное, каждый радиолюбитель и каждый аудиофил слышал мнения о превосходстве ламповой усилительной аппаратуры над транзисторной, недалеко не каждый мог убедиться в этом сам. Причин этому несколько: не часто можно встретить в наше время ламповые усилители, а главное, чтобы услышать заметное превосходство, нужно воспользоваться высококачественными фонограммами, не испорченными многократной обработкой и перезаписью. Если вы слушаете кого-нибудь вроде Eminem или Celine Dion, то вряд ли заметите преимущества ламповой аппаратуры. Более того, прослушивая некоторые записи, можно придти к совершенно противоположным выводам. Но если кто-то хоть раз почувствовал преимущество однотактных ламповых усилителей, он навсегда "заболеет" лампами.

Говорят, что ламповые усилители плохо воспроизводят рок-музыку. Однако еще совсем недавно в некоторых дискотеках с успехом применялся усилитель мощности с четырьмя лампами 6П45С на выходе каждого канала, работавшими в классе В. Этот усилитель имел максимальную мощность 200...300 Вт и подводила только его плохая надежность.

Противники ламповых усилителей справедливо критикуют их за "рыхлый", "расплывчатый" бас, но причина этого явления уже рассматривалась в литературе, например, в [1]: повышенное выходное сопротивление лампового усилителя, недостаточно демпфирующее низкочастотное звено акустической системы для подавления основного резонанса излучателя. Поэтому самое лучшее, хотя и не простое решение проблемы — рассчитывать и налаживать АС, согласуя ее с конкретным усилителем, и даже усилитель подстраивать под эту АС. В результате можно слушать тех же Pink Floyd, наслаждаясь красотой соло гитары, и удивляться четкости локализации и глубине звучания инструментов басового регистра. А как душевно зазвучат старые записи 40—60-х годов, сделанные с использованием простой ламповой аппаратуры!

Причины преимуществ усилителей на лампах, работающих в классе А, неоднократно разбирались в литературе [2, 3]. Можно сформулировать "первый закон Hi-End'a": звуковой сигнал должен претерпевать как можно меньше преобразований, усиливаться как можно меньшим числом каскадов. И этому как нельзя лучше соответствуют лампы — усилитель с чувствительностью 0,1...0,2 В обычно содержит три каскада усиления, а двух-каскадный может иметь чувствительность 1 В, вполне достаточную, чтобы подключить его к выходу ЦАП проигрывателя компакт-дисков (это возможно не для всех ЦАП). При этом исключаются аналоговые фильтры, собранные на ОУ.

Кроме большого коэффициента усиления мощности и высокой линейности у ламп необходимо отметить еще два принципиальных преимущества: постоянство межэлектродных емкостей, а также независимость характеристик от температуры и, следовательно, от уровня усиливаемого сигнала.

Осознав однажды преимущество линейного усиления (в классе А), совсем уж непонятными становятся доводы сторонников двухтактных каскадов в УМЗЧ. Декларируемая ими компенсация второй гармоники не всегда является преимуществом, так как многократно доказано, что вторая гармоника, если она не превышает 2. ..3 % от основного сигнала, не портит звук, скорей наоборот. А необходимость фазоинвертора для двухтактного каскада вообще вызывает ряд проблем. Обо всем этом более подробно можно прочитать в вышеупомянутых статьях и в [4].

Настоящая статья посвящена однотактным ламповым УМЗЧ, их схемам, применяемым лампам и трансформаторам.

Существуют две основные разновидности однотактных ламповых УМЗЧ: в одной из них выходной каскад построен на триоде без общей ООС, во второй — на пентоде или лучевом тетроде с охватывающей два последних каскада ООС глубиной до 16 дБ. В качестве примеров на рис. 1 и 2 показаны схемы усилителей, которые далее рассмотрены более подробно. Отметим, кстати, что в выходных триодах, таких как классические 2АЗ и 300В, внутренняя обратная связь, о которой в современной литературе принято умалчивать, имеет примерно такую же глубину — 12... 16 дБ. Иногда в статьях можно прочитать, что твлько каскады на триодах способны обеспечить высший класс звучания усилителей, но это не совсем так. Так, фирма Audio Note выпускает несколько моделей усилителей с тетродами и общей ООС, например, "ОТО Line SE", "Soro Line SE". Последний, кстати, на протяжении нескольких лет использовался как эталонный аудиоэкспертами из С.-Петербурга.

Выходной каскад на тетродах с постоянным напряжением на второй сетке несколько экономичнее и имеет преимущество в том, что для повышения мощности можно включать несколько тетродов параллельно даже при некотором различии их характеристик.

Обратим внимание на один частный, но часто обсуждаемый вопрос о шунтировании блокировочными конденсаторами катодных резисторов автоматического смещения. Обычно утверждают, что шунтировать нужно всегда, несмотря на то, что любой оксидный конденсатор в цепи прохождения звукового сигнала — это дополнительные искажения. Давайте разберем объективные причины того или иного решения.

В выходном каскаде на триоде шунтировать резистор крайне желательно, чтобы не повышать выходное сопротивление каскада и сохранить его максимальную чувствительность.

В выходном каскаде на тетроде с постоянным напряжением на второй сетке шунтирование катодного резистора обязательно, но причина здесь совершенно другая. ООС, создаваемая этим резистором, линеаризует только ток катода. Анодный же ток — это ток катода минус ток второй сетки, который имеет относительно нелинейную зависимость от того же тока катода. В результате введения такой ООС получаем каскад с несколько меньшими, но более неприятными на слух искажениями, примерно в два раза теряя при этом в чувствительности.

В предоконечном (драйверном) каскаде, за которым следует выходной каскад на триоде, шунтировать резистор не обязательно, но желательно. Здесь критерием становится условие сочетания выходного сопротивления данного каскада с входной емкостью следующего. Входная емкость триодного каскада

Свх = Сскса(К+1),

где Сск — емкость сетка—катод; Сса — емкость сетка—анод; К — коэффициент передачи каскада по напряжению.

Например, если драйверный каскад собран на триоде 6Н2П с незашунтированным катодным резистором и имеет выходное сопротивление 50 кОм, то при входной емкости выходного каскада 200 пФ верхняя частота среза

f =1/(2*2.14*С*Н*С) = 16кГц!

В предконечном каскаде, за которым следует выходной каскад на тетроде, катодный резистор шунтировать нельзя, так как на него нередко подается сигнал ООС с выхода усилителя.

Во входном каскаде, если он должен иметь коэффициент передачи меньше m/2 или вносить частотную коррекцию, например, неравномерности характеристики АС в низкочастотной области, катодный резистор не следует шунтировать; это увеличит стабильность коэффициента передачи или параметров коррекции.

Поговорим теперь о выборе ламп для усилителя. Автором проведены исследования различных ламп по спектру гармоник выходного сигнала в режиме малого и большого сигналов до режима ограничения. Наряду с этим оценивалось влияние спектра искажений на качество звуковоспроизведения путем слуховой экспертизы (прослушивания). Особое внимание обращалось на корреляцию субъективных и метрологических оценок. Результаты таких сравнительных исследований в основном подтвердили сведения, известные из современной литературы. Обратим внимание на наиболее подходящие конкретные лампы для различных каскадов усилителей.

Среди ламп для выходного каскада на тетроде лидером по "музыкальности" оказался классический лучевой тетрод 6П6С. Это совпадает с утверждениями статьи [5]. На второе место следует поставить 6ПЗС (близкие аналоги— 6L6, 6П7С, Г-807), в полтора раза более мощный лучевой тетрод с очень похожим спектром, но имеющий чуть больший уровень высоких гармоник.

Выходные лучевые тетроды — 6П14П, EL34 (6П27С — аналог, но музейная редкость), 6550 (КТ88) — идут с некоторым отставанием. Пальчиковая лампа 6П1П — аналог октальной 6П6С, но применять лучше октальную, да и найти ее проще. Говорят, что пентод 6Ф6С отличается линейностью и "музыкальностью", но он редко встречается, да и его выходная мощность маловата (3,2 Вт).

Существует мнение, что телевизионные лампы строчной развертки непригодны для УМЗЧ (речь идет о 6П45С, 6П44С и подобных им). Это не так: их можно применять, но только не в типовом режиме, а с уменьшенным вдвое напряжением на второй сетке. Например, лампа 6П44С в таком нетиповом режиме очень похожа по звуку на 6П14П в типовом режиме, но в полтора раза мощнее.

Номер гармоники, N 2 3 4 5 6 7 и выше
Коэффициент гармоник, krN, % 2,7 0,1 0,6 =0 0,15 =0

Лидером в группе ламп для выходного каскада на триоде и вообще абсолютным лидером совершенно неожиданно оказался лучевой тетрод 6П44С в триодном включении. По деликатности обращения со звуком эта лампа превзошла даже триод 6С4С, который следует поставить на второе место. Состав гармоник анодного тока 6П44С, измеренный при максимальном сигнале непосредственно перед ограничением, приведен в таблице. Рекомендуемый режим работы лампы: Uак = 250 В, Iа < 90 мА, Rн = 2450 Ом, Uск = -34...-37 В, RK ≈ 400 Ом. Выходная мощность каскада с этой лампой составляет 5 Вт (измерено после трансформатора с потерями до 8 %); это в полтора раза больше выходной мощности с триодом 6С4С. Кстати, в некоторых статьях приводят завышенные значения выходной мощности для лампы 6С4С: 5, 10 и даже 20 Вт. Это не так: в режиме класса А при номинальной мощности, рассеиваемой анодом, 15 Вт (250 В и 60 мА) выходная мощность с триодом 6С4С составляет 3,7 Вт без учета потерь в трансформаторе. Такое же значение мощности указано в [6, с. 132]. Амплитуда управляющего сигнала для 6П44С составляет 36 В против 43 В для 6С4С.

Далее следует назвать, конечно же, знаменитый триод 300В. По "музыкальности" эта лампа (производства объединения "Светлана") немного уступает триоду 6С4С, но многие аудиофилы предпочитают именно его за то, что он позволяет получить выходную мощность не менее 8 Вт от одной лампы.

Еще некоторые рекомендации по применению лампы 6П44С. Чтобы получить триодный режим усиления, надо вторую сетку лампы соединить с анодом обязательно через резистор 100 Ом, иначе появится самовозбуждение на ВЧ. Для увеличения выходной мощности можно применить две или несколько ламп 6П44С, включенных параллельно. Но в этом случае совершенно необходимо подобрать их по параметру m с разницей в рабочей точке не более 1...2 %. Совпадение по крутизне (S) не обязательно. Каждая лампа должна иметь свои "антипаразитные" резисторы в цепях управляющей и второй сетки (сопротивлением 1 кОм и 100 Ом соответственно), а также отдельный резистор автоматического смещения, заактированный конденсатором емкостью 470 мкФ на 63 В.

Кстати, мнение, что триоды не следует соединять параллельно, вполне обосновано. Однако при возможности точного подбора ламп по m триоды можно соединять параллельно, и этому есть множество подтверждений. Например, любимая многими лампа 6С4С (2АЗ) содержит внутри баллона два параллельно соединенных триода, да и некоторые дорогие модели фирмы Audio Note имеют выходной каскад на двух параллельно соединенных триодах.

К сожалению, не удалось найти подходящий режим для лампы 6П45С в триодном включении. Легко отдавая в нагрузку 10 Вт (больше, чем знаменитый триод 300В), эта лампа имеет плохой спектр гармоник — третья гармоника портит звук, начиная с мощности 2,5 Вт. Да и надежность этой лампы невелика. Лампы 6П44С, наоборот, показали себя достаточно надежными: некоторые образцы работают уже 15 лет. Причем в процессе наладки их аноды иногда раскалялись докрасна, и это ничуть не повлияло на их дальнейшую работу.

Триоды, предназначенные для стабилизаторов напряжения (такие как 6С19П, 6С33С, 6Н13С), не следует применять в однотактных усилителях из-за заметной нелинейности. Конечно, есть еще мощные триоды: 211, 845 и отечественный ГМ-70, но это уже совсем другая техника безопасности — анодное напряжение достигает 1000 В и более, да и выходной трансформатор для таких ламп в домашних условиях сделать исключительно сложно.

Существует еще много прекрасных выходных триодов, которые не были охвачены исследованиями из-за их заоблачных цен: это 300В производства Western Electric, одноанодный вариант 2АЗ (есть и такой), похожий на него довоенный немецкий AD1, отечественный триод тех же времен УБ-180, современные W30B и так далее.

Лампы драйверного каскада должны обеспечивать большую амплитуду сигнала при минимальном выходном сопротивлении. В статье [4] перечислены четыре типа двойных триодов: 6Н1П, 6Н2П, 6Н8С и 6Н9С. Действительно, эти триоды имеют самый длинный линейный участок характеристики, но в отношении выходного сопротивления это не самые лучшие лампы. Во многих случаях наиболее оптимальным оказывается двойной триод 6Н23П. При правильном режиме (UA= 120B, 1А= 14 мА, UCK= -2,25 В, RA= 12 кОм, RK= 160 Ом) он вполне линейно развивает амплитуду сигнала 57 В, имея выходное сопротивление всего 2...2,5 кОм и обеспечивая таким образом полосу пропускания около 200 кГц. Но если нужно получить амплитуду сигнала 80 В, например, для раскачки триода 300В, лучше, конечно, применить триод 6Н8С в следующем режиме: 1Д= 6 мА, иск= -6 В, RK= 1 кОм, RA= 50 кОм. Есть еще одна очень интересная лампа 6Ф12П. И триод, и пентод в этой лампе имеют замечательные характеристики — можно поэкспериментировать.

Важнейший узел лампового усилителя — выходной трансформатор. По каким-то причинам в литературе не упоминаются некоторые секреты его правильного изготовления. То, что трансформатор высококачественного усилителя должен быть многосекционным — ни для кого, наверное, не секрет. А о том, что между секциями первичной и вторичной обмоток, а также между слоями первичной обмотки надо размещать прокладки для уменьшения емкости, почему-то не пишут нигде. Причем толщина этих прокладок должна меняться прямо пропорционально переменной составляющей напряжения между разделяемыми слоями. Наилучший из доступных изоляционных материалов для прокладок — это фторо-пласт-4. В крайнем случае, а также как дополнительный материал, подойдет сухой ватман, но только не конденсаторная бумага, как это иногда встречается в некоторых описаниях. Толщина прокладок и количество секций обмоток поддаются расчету, но ввиду его сложности в данной статье будут приведены только некоторые конкретные конструкции.

Для усилителя с выходной мощностью 10...15 Вт лучше всего использовать магнитопровод и каркас от трансформатора ОСМ-0,25 кВА (ШЛ32х50). Трансформатор надо разобрать, закруглить ребра каркаса, на которые ложится первый слой обмотки, радиусом 1,5 мм, и просверлить в его щечках дополнительные отверстия для выводов. Наматывать надо очень аккуратно, каждая секция должна содержать целое число заполненных от щечки до щечки слоев.

Ниже приведены сведения о трансформаторе для выходного каскада на двух параллельно соединенных тетродах 6П44С в триодном включении. Его первичная обмотка состоит из четырех секций по 325 витков, соединенных последовательно, всего 1300 витков провода диаметром 0,355 мм. Каждая секция состоит из двух слоев с прокладкой между ними из фторопласта толщиной 0,2 мм. Вторичная обмотка для нагрузки сопротивлением 4 Ом состоит из пяти секций по 77 витков, соединенных параллельно. Каждая секция содержит один слой провода диаметром 0,77 мм. Поверх второй и четвертой секций этой обмотки без прокладок намотаны еще две секции, каждая по 32 витка в два провода диаметром 0,56 мм (размещение обмоток показано на рис. 3). Эти секции нужно наматывать с зазором между витками так, чтобы получилось равномерное заполнение слоя от щечки до щечки. Все четыре провода по 32 витка соединены параллельно, и полученная обмотка соединена последовательно с обмоткой в 77 витков. Таким образом, получается обмотка из 109 витков для нагрузки 8 Ом. Между четырьмя секциями первичной обмотки и пятью секциями вторичной расположены восемь прокладок, толщина которых меняется приблизительно по арифметической прогрессии от 1,3 мм (первая прокладка) до 0,2 мм (последняя прокладка) по мере уменьшения переменной составляющей напряжения между секциями обмоток I и II.

При сборке трансформатора нужно положить в зазоры магнитопровода жесткие изолирующие прокладки толщиной 0,18...0,19 мм.

Выходной каскад с таким трансформатором имеет при малом сигнале полосу воспроизводимых частот 4 Гц...200 кГц, а при максимальной мощности — 20 Гц... 200 кГц.

Поговорим теперь об особенностях конструирования трансформатора питания. Так как ток, потребляемый усилителем в режиме класса А, практически не меняется, трансформатор питания передает постоянно немалую мощность. Приводимые в книгах методики расчета трансформатора, работающего на выпрямитель с фильтром, или слишком сложны, или слишком упрощены. Ниже приводятся достаточно точные и простые формулы для расчета трансформатора, работающего на выпрямитель с фильтром, начинающимся с конденсатора большой емкости.

Начнем с самых простых формул. Напряжение холостого хода вторичной обмотки трансформатора равно U2 = 220(n2/n1) [В] — это понятно, хотя лучше рассчитывать на реальное среднее или максимальное напряжение в сети.

Обозначим сопротивление

R = Rв + Rт,

где Rв — сопротивление выпрямителя (см. ниже), a Rт — сопротивление трансформатора, приведенное к вторичной обмотке:

Rт = R2 + R1 (n2 / n1)2,

 где R1 и R2 — сопротивления обмоток:

Ri = 0,017 (li[м] / Si[мм2]).

Далее следует рассчитать "подсадку" напряжения ΔU. Она рассчитывается из системы двух уравнений:

ΔU = Sqr 2 * U2 (1-cos φ);

ΔU = 1,5l-R(90˚ / φ),

где l — постоянный ток, потребляемый усилителем.

Решать эту систему уравнений проще всего методом подгонки (итераций), приняв для первого приближения угол отсечки ф в пределах 20...30°.

Амплитуда напряжения холостого хода вторичной обмотки трансформатора, которую должны выдерживать все фильтрующие и межкаскадные конденсаторы, определяется из равенства

Uвх  = Sqr 2 - U2,

а номинальное напряжение после разогрева ламп на первом конденсаторе фильтра

U = Sqr 2 * U2 - ΔU - UB,

 что такое Uв, см. ниже.

И последняя формула — для тепловой мощности, выделяемой в трансформаторе:

Р = 0,8 - I - ΔU (Rт / R).

При упрощении формул использованы некоторые приближения, но они вносят в ошибку, как правило, меньший вклад, чем несоответствие синусу реальной формы напряжения в сети. В частности, вольт-амперная характеристика выпрямителя считалась линейной:

U(t) = Uв + Rв * l(t).

Для выпрямительного моста с кремниевыми диодами можно считать RB«0, UB=1,5 В, а для кенотрона 5ЦЗС, например, Rd = 160 Ом, Uв = 11 В.

В приведенной методике не учитывалась обмотка (обмотки) накала ламп. Ее можно рассчитать независимо от расчета повышающей обмотки, считая потерю напряжения в ней как произведение тока на ее сопротивление и учитывая, что потеря эффективного переменного напряжения в первичной обмотке обычно составляет около 2 %.

Следующий важный вопрос — как сделать мощный трансформатор, не создающий акустического фона? В статье [7] рассматривались некоторые причины "гудения" трансформаторов и сделан совершенно правильный вывод, что нужно увеличивать число витков на вольт на 15...20 % в сравнении с расчетным значением. Эта мера снижает гудение только магнитопровода, да и то не всегда. Акустический фон, создаваемый нагруженной обмоткой, наоборот, растет при увеличении числа витков. Метод борьбы с гудением обмотки неожиданно прост — это секционирование, такое же, как в выходном трансформаторе. Иногда достаточно разместить первичную обмотку между половинками вторичной, и акустический фон уменьшается до приемлемого уровня.

Еще одна возможная причина гудения трансформатора питания — это насыщение магнитопровода постоянной составляющей напряжения, которая хоть и мала, но нередко присутствует в сети. Эта причина проявляется, как правило, только в тороидальных трансформаторах с неразрезным магнитопроводом, причем эффект насыщения усиливается при увеличении числа витков и при уменьшении сопротивления первичной обмотки. Метод борьбы с этим явлением только один — установка последовательно с первичной обмоткой трансформатора фильтра, задерживающего постоянную составляющую тока. Схема фильтра для сетевого трансформатора на мощность до 300 Вт, заимствованная из американского усилителя LAMM M1.1 разработки В. Шушурина [8], приведена на рис. 4. Если трансформатор мощнее, то емкость оксидных конденсаторов надо пропорционально увеличить, а сопротивление резистора — уменьшить.

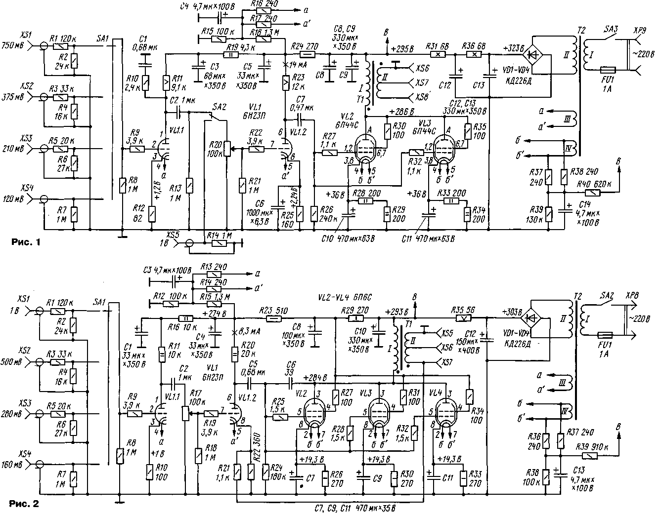
Рисунок 1,  Рисунок 2

На рис. 1 и 2 показаны две практические схемы ламповых однотактных усилителей: мощностью 10 Вт на тетродах в триодном включении и 12 Вт — на тетродах. Выходной трансформатор для первого из них описан выше, а трансформатор для тетродбв собран на таком же магнитопроводе, но имеет немного другие обмотки. Его первичная обмотка — 1512 витков провода диаметром 0,35 мм — состоит из пяти секций: 168, 336, 504, 336 и 168 витков. Между ними расположены четыре секции вторичной обмотки для нагрузки сопротивлением 4 Ом — по 77 витков провода диаметром 0,77 мм, соединенные параллельно. Поверх второй и третьей секций этой обмотки без прокладок намотаны две секции по 32 витка провода диаметром 0,72 мм, соединенные параллельно. Эта обмотка соединяется последовательно с обмоткой в 77 витков; так получается вторичная обмотка для нагрузки 8 Ом. Прокладки между первичной и вторичной обмотками и между слоями первичной, а также прокладки в зазорах магнитопровода такие же, как в трансформаторе для усилителя на триодах.

Выходное сопротивление усилителя с триодами на выходе для нагрузки 8 Ом составляет 2,4 Ом, а с тетродами — 1,6 Ом. На выходе для нагрузки 4 Ом — ровно в два раза меньше.

Наконец, замечание о выборе конденсаторов для сигнальных цепей. Для использования в высококачественных усилителях наиболее пригодны конденсаторы с диэлектриком из полипропилена (К78-6, К78-2) и с бумажным диэлектриком (К40У-9, МБМ) на напряжение не менее 400 В. Конденсатор малой емкости (С6 на рис. 2) — слюдяной КСО-1. Оксидные конденсаторы следует выбирать из изделий известных зарубежных фирм (серий ТК, SK Jamicon и аналогичные); допустимо использовать и отечественные К50-35. В цепях фильтров питания можно использовать конденсаторы К50-20, К50-32.

ЛИТЕРАТУРА

1. Врублевский А., Чуманов Д. Акустические системы для ламповых усилителей. — Аудио Магазин, 2001, № 1, с. 183—186.

2. Дорога в однотактный рай (интервью с П. Квортрупом). — Аудио Магазин, 1996, № 3, с. 68—70.

3. Врублевский Д., Чуманов Д. Однотактный ламповый усилитель из доступных деталей. — Аудио Магазин, 2000, № 4, с. 185—188.

4. Гендин Г. Особенности конструирования современных ламповых УЗЧ. — Радио, 2003, № 1, с. 12, 13.

5. Трошкин Н. Триод из подручных материалов. Подробности. — Class A, 1998, март, с. 20—27.

6. Баркан В. Ф., Жданов В. К. Проектирование радиотехнических устройств. — М.: Оборонгиз, 1963.

7. Поляков В. Уменьшение поля рассеяния трансформатора. — Радио, 1983, № 7, с. 28, 29.

8. Куниловский С. Усилитель мощности LAMM Audio Laboratory M1.1 — Аудио Магазин, 2000, №2, с. 61—65.


Добавил:  Павел (Admin)  
Автор:  А. ИВАНОВ, г. Иваново (Радио №6, 2004) 

Вас может заинтересовать:

  1. Усилитель на 6Н9С + EL36 (6П31С) в триодном включении
  2. Двухтактный усилитель класса А
  3. Эффективный корректирующий фильтр
  4. Усилитель SE на лампах 6П44СМ
  5. Околокомпьютерный однокаскадный ламповый усилитель малой мощности


    © PavKo, 2007-2018   Обратная связь   Ссылки views: 4952 -- users: 4311 -- web3   Яндекс.Метрика