Портал для радиолюбителей
   Выходной каскад УЗЧ
    Главная -> Статьи -> Полупроводниковые усилители низкой частоты -> Выходной каскад УЗЧ


<< Назад в раздел   Распечатать Дата добавления: 2008-01-27 | Просмотров: 11207

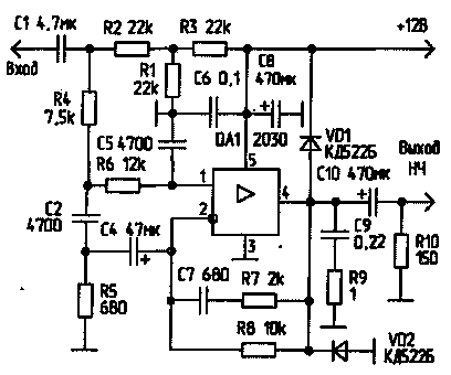
В последнее время в качестве выходных каскадов радиолюбительских аппаратов широко применяются интегральные усилители серии К174, Наиболее подходящими для этих целей я считаю использование микросхем К174УН 14 и К174УН 19 (аналоги - 2003 и 2030 соответственно).

Обычно микросхемы используются в типовом включении, хотя можно использовать их с большей пользой.

uz_vix1.gif

Предлагаемый усилитель на микросхеме К174УН19 был изготовлен и испытан в трансиверном тракте RA3PEM "Роса", взамен редкостной в наше время К174УН4, представляющей собой мощный операционный усилитель. В усилитель введена ООС (цепочка R4, R6, С2, С5), в результате чего АЧХ усилителя имеет завал 12 дБ/октаву на частотах выше 2,7 кГц.

Аналогичным образом ОС можно ввести и в УНЧ на К174УН 14.


Добавил:  Павел (Admin)  
Автор:  С.САПОТЬКО (EW2AH), г.Молодечна 

Вас может заинтересовать:

  1. "Несжигаемый" УНЧ для автомагнитолы
  2. Простой УМЗЧ на микросхеме TDA7294
  3. Усилитель мощности на К174УН19
  4. Усилитель мощности с полевым транзистором в качестве источника тока для входного каскада и элементами симметрирования выходного каскада
  5. Усилитель мощности с балансным дифференциальным входным каскадом


    © PavKo, 2007-2018   Обратная связь   Ссылки views: 1814 -- users: 1674 -- web3   Яндекс.Метрика