Портал для радиолюбителей
   Сверхрегенеративный приемник на 144 МГЦ
    Главная -> Статьи -> Радиоприемники -> Сверхрегенеративный приемник на 144 МГЦ


<< Назад в раздел   Распечатать Дата добавления: 2008-02-18 | Просмотров: 12655

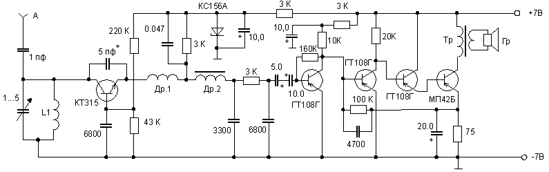
Приведенная ниже схема сверхрегенеративного приемника может работать как составная часть простой портативной радиостанции на диапазон 144 МГц. Схема достаточно простая и особенностей не имеет. Чувствительность приемника около 10...15 мкВ.

Схема приемника

Конструктивно схема выполнена на печатной плате. К сожалению, рисунок печатной платы после ее сборки у меня не сохранился (НБ).
Катушка L1 содержит 3 витка "серебрянкой" диаметром 0.8 мм, бескаркасная - на оправке диаметром 6 мм, длина намотки 4 мм. Др1 - стандартный 25 мкГ. Др2 - содержит 250 витков провода ПЭВ 0.1 на ферритовом кольце Н1000 диаметром 8 мм. Трансформатор Тр - выходной от транзисторного радиоприемника, если применяются высокоомные телефоны, то он не нужен. Транзисторы желательно применить более современные.


Добавил:  Павел (Admin)  
Автор:  Неизвестно 

Вас может заинтересовать:

  1. FM конвертер на микросхеме К174ПС1
  2. Сверхрегенеративный приемник на барьерном генераторе ВЧ с ОБ
  3. Цифровой FM стерео приемник 60-110 МГц с микропроцессорным управлением
  4. Частотный детектор
  5. УКВ радиоприемник на КХА-058


    © PavKo, 2007-2018   Обратная связь   Ссылки views: 7176 -- users: 6744 -- web3   Яндекс.Метрика