Портал для радиолюбителей
   УКВ тюнер на КС1066ХА1(TDA-7000)
    Главная -> Статьи -> Радиоприемники -> УКВ тюнер на КС1066ХА1(TDA-7000)


<< Назад в раздел   Распечатать Дата добавления: 2008-02-19 | Просмотров: 11599

Конденсаторы Резисторы
С1 - 220пф R1 - 22к
С2 - 330/360пф R2 - 100к
СЗ - 0,1-0,15мкф R3 -100к-СПЗ-36
С4 - 220пф
С5 - 220пф
С6 - 150пф
С7 - 3300пф
С8 - 330-З60пф
С9 - ЗЗООпф
С10 - 180пф
С11 - 0,01мкф
С 12 - 220пф
С 13 - 0,01мкф
С14 - 0,01мкф
С15 - 0,015-0,022мкф
С 16 - 0,1-0,15мкф

Варикап - KB121А
Э/проволока - ПЭЛ-0,41 10см
Микросхема - КС1066ХА1

  Приемники УКВ диапазона, имеющие частотную модуляцию и следовательно низкий уровень атмосферных и промышленным помех, обладают высоким качеством звучания. Набор радиодеталей позволяет собрать УКВ ЧМ приемник на базе микросхемы КС1066ХА1(аналог TDA-7000 фирмы "Филипс"). В состав микросхемы входит регулятор бесшумной настройки, открывающий тракт звуковых частот только при наличии сигнала принимаемой станции.

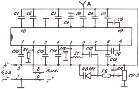
принципиальная схема

  Электронное устройство на базе варикапа KB121А позволяет перекрыть отечественный (65,8-73,0МГц) или зарубежный (88,0 - 108,0 МГц) УКВ диапазоны. Выход приемника хорошо согласуется с любым усилителем низкой частоты с входным сопротивлением не менее 22 КОм (усилители на м/с К174УН7, К174УН14 и т.д.). Подключение УКВ приемника через головные телефоны показано на Рис 1, а к усилителю на м/с К174УН14 на Рис 2. При напряжении питания усилителя выше 4,5 вольт, питание на УКВ приемник подавать через параметрический стабилизатор. К выходу радиоприемника можно подключить стереодекодер и таким образом получить возможность принимать стереопередачи.

печатная плата

схемы УНЧ

Основные технические характеристики:
Диапазон частот, МГц - 65,8-73,0(88-108)
Номинальное напряжение питания, В - 4,5
Потребляемый ток, мА - 8
Чувствительность, мкВ - 6
Коэффициент гармоник на частоте 1 кГц - 0,7
Отношение шум/сигнал, дБ - 50
Полоса захвата АПЧ, кГц ¦ 300
Полоса воспроизводимых частот, кГц - 10
Выходное напряжение ЗЧ на нагрузке 22к, мВ - 70

  Настройка приемника заключается в установке границ диапазона (65,8-73МГц путем сближения или растягивания витков катушки L1 (содержит 6-8 витков провода ПЭЛ 0,41мм,намотанных на оправке диаметром 3,5мм с шагом 1мм или 3-4 витка для диапазона 88,0-108,0МГц). Антенной может служить телескопический штырь или небольшой отрезок монтажного провода длиной не менее 0,5м


Добавил:  Павел (Admin)  
Автор:  Неизвестно 

Вас может заинтересовать:

  1. FM конвертер на микросхеме К174ПС1
  2. Высокая чувствительность приемника, простыми методами
  3. Усилитель высокой частоты
  4. УКВ ЧМ приемник на 145 МГц
  5. Индикатор настройки


    © PavKo, 2007-2018   Обратная связь   Ссылки views: 7260 -- users: 7046 -- web3   Яндекс.Метрика