Портал для радиолюбителей
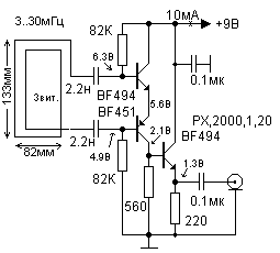
   Активная рамочная антенна
    Главная -> Статьи -> Антенны -> Активная рамочная антенна


<< Назад в раздел   Распечатать Дата добавления: 2008-02-19 | Просмотров: 12779


Добавил:  Павел (Admin)  
Автор:  Неизвестно 

Вас может заинтересовать:

  1. Антенна Харченко диапазона 145 МГц
  2. Антенный коммутатор на 144 МГц
  3. Простая коаксиальная коллинеарная антенна диапазона 145 МГц
  4. Индикатор тока в антенне
  5. Антенна-пеленгатор UB5UG


    © PavKo, 2007-2018   Обратная связь   Ссылки views: 5770 -- users: 5009 -- web3   Яндекс.Метрика