Портал для радиолюбителей
   Радиоприемник "Бархан"
    Главная -> Статьи -> Радиоприемники -> Радиоприемник "Бархан"


<< Назад в раздел   Распечатать Дата добавления: 2008-02-21 | Просмотров: 14465

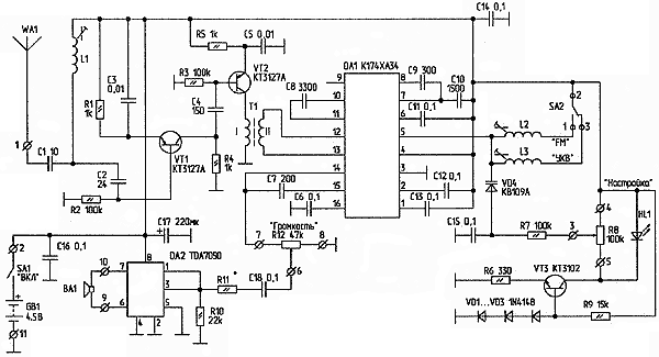
    В настоящее время широко распространенное УКВ ЧМ-радиовещание охватывает все большие географические и частотные диапазоны. Популярность радиоприемников УКВ растет с каждым днем. Предлагаемый радиоприемник (рис.1) предназначен для приема радиостанций с ЧМ-модуляцией диапазонов "УКВ" и "FM". Питание приемника производится от трех аккумуляторов (700МА/4), основу составляет микросхема К174ХА34, которая преобразует входной модулированный ЧМ-сигнал в звуковой.

Принципиальная схема радиоприемника; Увеличить в новом окне

Рис.1. Принципиальная схема радиоприемника

    Сигнал радиочастоты поступает с антенны на широкополосный контур, состоящий из С1, С2, L1 и емкости переходов VT1. Контур имеет слабый резонанс на частоте 100 МГц. Применение такой схемы включения позволило обойтись без перестройки входных цепей при работе в диапазонах "УКВ" и "FM". На VT1 собран первый каскад УВЧ, компенсирующий потери во входных цепях. Затем сигнал усиливается дополнительно VT2, нагрузкой которого является согласующий трансформатор Т1. Применение Т1 позволило отказаться от дополнительного контура. С обмотки II Т1 ВЧ-сигнал поступает на выводы 12 и 13 DA1. Дальнейшее преобразование происходит внутри DA1.

    Конструкция К174ХА34 имеет ряд оригинальных решений. К ним относится построение тракта УПЧ на активных RC-фильтрах, в которых промежуточная частота снижена до 70 кГц. В ИМС применена корреляционная система бесшумной настройки и частотной синхронизации, снижающая девиацию частоты с 75 до 15 кГц и обеспечивающая тем самым малые нелинейные искажения при малой ПЧ. При выбранных на схеме номиналах коэффициент гармоник низкочастотного сигнала при входном сигнале с девиацией 75 кГц - не более 2,3%, а при девиации 22 кГц - 0,7%.

    Диапазон входного сигнала К174ХА34 - от 1,5 до 110 МГц, поэтому данную ИМС можно использовать как УПЧ приемника с входной частотой 1,5...110 МГц застабилизировав частоту гетеродина кварцем. Применение кварцевого или пьезофильтра на входе такого УПЧ позволяет повысить качество обработки ВЧ-сигнала.

    Данную ИМС можно использовать в портативных радиостанциях, причем частота гетеродина fг должна быть стабилизирована, а входная частота будет fг ± 70 кГц.

    К выводу 5 DA1 с помощью SA2 подключаются катушки гетеродина L2 или L3, которые задают диапазоны "FM" и "УКВ" соответственно. Перестройка приемника по частоте осуществляется варикапом VD4, на который подается напряжение настройки с переменного резистора R8. Напряжение настройки на R8 стабилизируется светодиодом HL1 и стабилизатором, состоящим из VT3, VD1...VD3, R6, R9. Эта схема уменьшает зависимость напряжения настройки от изменения питающего напряжения.

    Низкочастотный сигнал с вывода 14 DA1 подается через цепь R12-C18-R11 на вход УЗЧ на DA2. ИМС УЗЧ включена по мостовой схеме, R10 задает ее рабочий режим. Выходная мощность УЗЧ при питании от 4 В на нагрузке 4 Ом составляет 1 Вт. Микросхема УЗЧ не требует дополнительного охлаждения и сохраняет работоспособность при снижении напряжения питания до 1,6 В. Входной сигнал ЗЧ на выводах 1 и 3 не должен превышать 50 мВ.

    Настройка приемника заключается в подстройке L2 и L3 так, чтобы при перестройке R8 перекрывался весь диапазон ("FM" и "УКВ"). Подстройкой L1 можно добиться выравнивания чувствительности в этих двух диапазонах. Величину R11 нужно подобрать по максимальному неискаженному ЗЧ-сигналу в громкоговорителе. При правильном монтаже и исправных деталях на этом настройка заканчивается.

    Приемник смонтирован на печатной плате из двустороннего стеклотекстолита размерами 70x40 мм (рис.2). На одной стороне расположены печатные дорожки схемы, а другая сторона является "+" питания. Те элементы, которые идут к "+", припаиваются непосредственно к фольге. На схеме эти точки обозначены крестиком, остальные отверстия под выводы раззенкованы для исключения замыкания с фольгой. Такая компоновка схемы уменьшает возможность самовозбуждения.

Печатная плата радиоприемника

Рис.2. Печатная плата радиоприемника

    Детали. Транзисторы VT1, VT2 - КТ3127А; VT3 - КТ3102А...Е, КТ342А...Г. Все резисторы - МЛТ-0,125, на плате они установлены вертикально. Конденсаторы С1, С2, С4, С7, С8, С9 - КМ-5А; СЗ, С5, С6, С11...С16, С18 - от материнской платы IBM-286, но можно поставить и другие малогабаритные емкостью 0,1...0,22 мкФ; С17 малогабаритный, импортного производства. Светодиод HL1 - АЛ307БМ. VD4 -КВ109А...В. R8-СПЗ-4АМ, R12 СПЗ-4ВМ. R12 применен с выключателем питания. Катушки L1...L3 намотаны на каркасах d5 мм с внутренним сердечником от СБ-12А. Сердечник откусывают до длины 5 мм. L1 содержит 4 витка, L2 - 2,5 витка, L3 - 3,5 витка провода ПЭВ-2 d0,33 мм. Т1 намотан на кольце 50ВЧ К7х4х2. Обмотка I содержит 12 витков, обмотка II - 4 витка провода ПЭВ-2 d0,27 мм. Т1 необходимо приклеить к плате через изолирующую прокладку. Динамическая головка ВА1 -любая широкополосная с сопротивлением обмотки 4...16 Ом. Переключатель диапазонов SA2 взят от автомобильной автомагнитолы. От корпуса приемника зависит качество его звучания. Например, качественное звучание в маленьком корпусе получить очень сложно. Плату приемника можно вставить, например, в трехпрограммный абонентский громкоговоритель.

    Особенность приемника - нестабильность напряжения настройки при сильном изменении температуры окружающей среды. При таком низком напряжении питания использование стабилитронов нежелательно. Поэтому в приемнике не используются фиксированные настройки на выбранные радиостанции.

    Приемник сохраняет работоспособность при напряжении питания от 2,7 до 6 В. Большее напряжение приведет к выходу из строя DA1 и DA2. Если будет применяться только один диапазон, то надобность в SA2, а также УВЧ на VT1 отпадает. При работе приемника в одном диапазоне можно также исключить каскад на транзисторе VT2, а коллектор VT1 подключить к обмотке I трансформатора Т1. При этом чувствительность приемника повышается.

    Несколько улучшить температурную стабильность можно, применив вместо HL1 инфракрасные светодиоды с общим напряжением 2...2,5 В. Перекрытие по диапазону при увеличении напряжения на HL1 увеличивается, поэтому при установке инфракрасных светодиодов напряжение с коллектора VT3 на R8 нужно подать через резистор величиной примерно 100 кОм.

    Если установить приемник в устройство с сетевым блоком питания, то можно ввести фиксированные настройки, а питание застабилизировать стабилитроном типа КС162. При этом необходимо ограничить напряжение на R8 до 2 В.

    Хотя в приемнике отсутствует АПЧ, при питании от сети он работает достаточно стабильно. В качестве антенны лучше всего применить телескопическую, длиной 300...500 мм. Потребляемый ток в режиме покоя - около 300 мА. В случае, если приемник будет питаться от сетевого блока питания, стабилизатор можно выполнить на микросхеме КР142ЕН5А.

Автор: А.ЩЕРБИНИН, г.Барнаул


Добавил:  Павел (Admin)  
Автор:  А.ЩЕРБИНИН, г.Барнаул 

Вас может заинтересовать:

  1. УКВ ЧМ приемник на К174ХА34
  2. FM конвертер на микросхеме К174ПС1
  3. Высокая чувствительность приемника, простыми методами
  4. ЧМ приемник на TDA7088T
  5. Комбинированный усилитель промежуточной частоты


    © PavKo, 2007-2018   Обратная связь   Ссылки views: 13999 -- users: 13786 -- web3   Яндекс.Метрика