Портал для радиолюбителей
   Урок №3: Теория начинающим
    Главная -> Статьи -> Начинающим -> Урок №3: Теория начинающим

Уроки игры на Саксофоне для начинающих. Саксофон уроки для начинающих.

<< Назад в раздел   Распечатать Дата добавления: 2008-02-28 | Просмотров: 9644

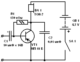
Поздравляю! Ты собрал свой собственный усилитель! Но ты еще совершенно не понимаешь принцип его работы. Я отступаюсь от общей схемы обучения и рассказываю теорию после практики. Еще раз смотрим на схему:

Сначала, как и обещал, расскажу о транзисторе. По началу используй транзисторы типов МП39 - МП41, их легче паять и они имеют структуру p-n-p. При подаче на базу транзистора типа n-p-n положительного напряжения он открывается, т. е. сопротивление между эмиттером и коллектором уменьшается, а при подаче отрицательного, наоборот - закрывается и чем сильнее сила тока, тем сильнее он открывается или закрывается. Для транзисторов структуры p-n-p все наоборот. В нашем усилителе очень хорошо выявлено это свойство транзистора. Конденсатор С1 поставлен для того, чтобы, когда мы подключим к входу усилителя микрофон или головку магнитофона постоянный ток не попал на базу транзистора. Ведь постоянный ток батарейки не может проходить через конденсаторы, а вот переменный ток от микрофона или головки - запросто! И вот этот самый переменный ток попадает на базу транзистора, и он то открывает, то закрывает его в такт тому что говорят в микрофон. А через коллектор и эмиттер транзистора (и наушники) течет относительно болшой ток батарейки и он тоже изменяется в такт колебаниям микрофона. Во как! Был ток в сотые доли вольта от микрофона, а стал в единицы вольта от батарейки. Поэтому усилитель и называется усилителем.

Вопрос: "Зачем резистор R1?".
Ответ: "Через него подается на базу транзистора маленькое закрывающее напряжение смещения для стабильной работы транзистора."

Вопрос: "Зачем конденсатор С1?" Ответ: "Не знаю, и без него все хорошо работает, но в книжках написано, что он блокировочный."

До усиления:

После усиления:

Посмотри на эти рисунки, может ты видишь такое впервые, это синусоиды. По ним можно определить частоту колебаний тока, т. е. сколько раз в секунду ток изменит свою полярность.

T - период.

Например, 1 мм равен 0,0001 секунды, измерим расстояние от однои вершины до другой, пусть оно равно 50 мм, умножаем 50*0,0001=0,005 теперь расчитаем частоту по формуле:

f=1/T

где f - частота, получаем 1/0,005=200 (Герц). Сокращенно - 200 Гц. Впереди урок 4.


Добавил:  Павел (Admin)  
Автор:   

Вас может заинтересовать:

  1. Как работает телевизор
  2. Последовательное и параллельное соединение проводников
  3. Последовательное и параллельное соединение конденсаторов
  4. Электрический ток и электродвижущая сила
  5. Урок №5: Собственно приёмник


    © PavKo, 2007-2018   Обратная связь   Ссылки views: 6984 -- users: 6882 -- web3   Яндекс.Метрика