Портал для радиолюбителей
   Предварительный усилитель-драйвер
    Главная -> Статьи -> Предварительные усилители -> Предварительный усилитель-драйвер


<< Назад в раздел   Распечатать Дата добавления: 2008-03-23 | Просмотров: 13800

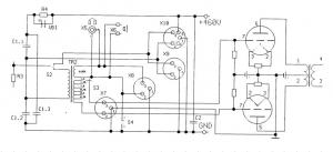
Желание упростить себе жизнь привело к разработке предварительного усилителя который может работать как на оконечные усилители традиционной конструкции , так и в качестве драйверного каскада широкого применения , а так-же для работы на низкоомные наушники и даже акустические системы достаточной чувствительности в качестве усилителя мощности. Схема усилителя приводится на рис.1.

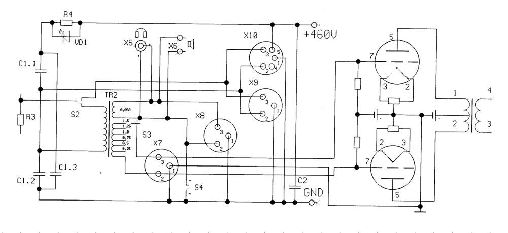
Схема усилителя

Рис.1

R1-4,7кОм;R2-22кОм;R3-120Ом ;R4-подбирается по свечению VD1 при токе 30ма
C1-КМПС 3х83мкФ;C2-МБГО 10мкФ 400В;VL1,VL2-6С45П;
TR1-входной трансформатор n=1,41 с отводами по показательной зависимости;
TR2-выходной трансформатор n1=0,058 и n2=0,25-1,5;B1-литиевая 3В.

С разъема X1 сигнал поступает минуя входной трансформатор,сделано это для случая когда нагрузка имеет сравнительно высокоомный выход  (следовало-бы выбрать сопротивления R1 и R2 побольше,просто моей аппаратуре и такие значения вполне подходят). X2,X3 подключаються через входной трансформатор по небалансной схеме а X4-по балансной.Входной трансформатор намотан на тороидальном сердечнике из пермаллоя,вторичная обмотка имеет 15 отводов через 3дБ и переключается герконовыми реле(схема управления не показана).

Глубина регулировки невелика но резистором R2 можно выбрать нужный уровень более точно.

Собственно усилитель собран по схеме SRPP на триодах 6С45П(6С15П),можно применить и 6С3П.Очень хорошо показали себя 6Э5П в триодном включении но выходное сопротивление выше , а коэффициент усиления у них меньше.

Усилитель нагружен на трансформатор с двумя выходными обмотками: первая обеспечивае коэффициент трансформации 0,058 и предназначена для работы с оконечными усилителями с чувствительностью 2-3В ,а так-же для работы на наушники и акустические системы обеспечивая на нагрузке 6-8 Ом выходную мощность 1,2Вт. Вторая обмотка является выходом драйвера и обеспечивает коэффициент трансформации 1,5 , имеет переключаемые отводы для лучшего согласовния с выходным каскадом.

Разъемы X9 иX10 соеденены с выходом SRPP каскада через переключатель S2,назначение их поясняется ниже.

Светодиод VD1 светится при токе потребляемом каскадом более 30мА и сигнализирует о том что напряжение батарейки смещения упало ниже нормы 2,8В.

Для питания усилителя используется стабилизированный источник с напряжением 460В. Источники питания рздельные для правого и левого канала. Авторский вариант имеет также поканальные стабилизированные источники смещения  –150В и два источника выпрямленного напряжения 6,5В для накала выходных ламп.Например к нему может быть подключен оконечный каскад усилителя на 300В.

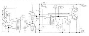
Примеры использования предусилителя в качестве драйвера .


подключение выходного каскада с использованием трансформатора предусилителя


Рис.2 - показано подключение выходного каскада с использованием трансформатора предусилителя. Может работать с очень многими типами выходных ламп, максимальная амплитуда сигнала 120-140В.

подключение выходного каскада с использованием трансформатора оконечного блока


Рис.3 - показано подключение выходного каскада с использованием трансформатора оконечного блока. Предназначен для работы с лампами имеющими высокое напряжение возбуждения. Например для лампы ГУ-80 используется трансформатор с к=3.Максимальная амплитуда сигнала 220-280В.

гальваническое соединение с оконечным каскадом

Рис.4 - показано гальваническое соединение с оконечным каскадом питание которого должно быть развязанно от общего провода. Смещение обеспечивается подачей положительного потенциала через делитель с источника питания предусилителя на катод лампы оконечного каскада.

подключение двухтактного оконечного каскада

Рис.5 - И, наконец, подключение двухтактного оконечного каскада,например на 6С4С.

Характеристики предусилителя.

Коэффициент трансформации входного трансформатора к=1,41,коэффициент усиления каскада SRPP на 6С45П в среднем составляет 42.Усиление на выходе  X8 равно 3,4 а на выходе X7 от 14,8 до 88,8 в зависимости от положения переключателя S3.

Параметры усилителя приведены в таблице 1.

Таблица 1

Выходы

Коэффициент усиления

Амплитуда выходного сигнала при входном 2,0В

Выходное сопротивление

X5,X6,X8

3,4

6,8

1,2

X9,X10

59

118

180

X7-0,25

14,8

29,6

40

X7-0,5

29,6

59,2

110

X7-0,75

44,4

88,8

210

X7-1,0

59

118

340

X7-1,25

74

148

510

X7-1,5

88,8

177,6

710


Добавил:  Павел (Admin)  
Автор:  Александр Резвой 

Вас может заинтересовать:

  1. Применение микросхемы К548УН1
  2. Питание К157УД2 от однополярного источника
  3. Высококачественный предварительный усилитель класса HI-FI
  4. Предварительный усилитель-драйвер
  5. Усилитель-корректор на К157УЛ1 для магнитного звукоснимателя


    © PavKo, 2007-2018   Обратная связь   Ссылки views: 2171 -- users: 1950 -- web3   Яндекс.Метрика