Портал для радиолюбителей
   Усилитель "Октава–EL"
    Главная -> Статьи -> Ламповые усилители низкой частоты -> Усилитель "Октава–EL"

Самая актуальная информация обслуживание скважин на воду тут.

<< Назад в раздел   Распечатать Дата добавления: 2008-03-27 | Просмотров: 18470

Усилитель рассчитан на совместную работу со звуковой картой компьютера, CD или DVD проигрывателем.
Выходное напряжение ЦАПа этих устройств (+2,5В) является опорным для первой лампы, поэтому включаться и выключаться усилитель и источник должны одновременно. В данной схеме это предусмотрено, включение и выключение происходит при нажатии кнопки «Вкл» на DVD проигрывателе.
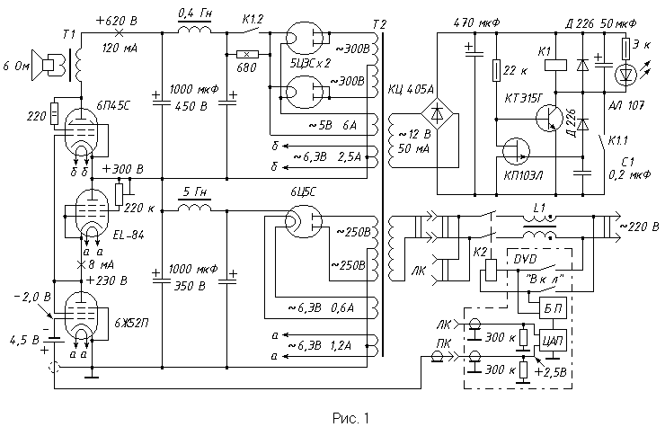
В источнике также должна быть предусмотрена программная регулировка уровня выходного сигнала т.к. усилитель своего регулятора громкости не имеет. Схема усилителя дана на рис. 1.

Описание схемы.

Наиболее сложным в данной конструкции является узел на первой лампе, рассмотрим его работу более подробно. На выходе ЦАПа, как видно из схемы присутствует положительный потенциал величиной +2,5 вольта, подавать такое напряжение прямо на сетку первой лампы нельзя.
Для компенсации этого напряжения в разрыв сеточного провода включена батарейка на 4,5 вольта (3+1,5) минусом к сетке, этим мы перекомпенсировали плюсовое напряжение ЦАПа на  -2,0 вольта.
Формула для расчета потенциала сетки при положительном напряжении источника дана ниже.

Ec = Uист. + ( -Uбат. ) + ( -0,5Uнак. )  -   для прямонакальных ламп.
Ec = Uист. + ( -Uбат. )  -  для ламп косвенного накала.

Постоянными величинами в этой формуле являются  Uист.  и  -0,5Uнак. Напряжение батарейки
можно менять ступенями с шагом 1,5 вольта, подбирая таким образом потенциал сетки.

Анодной нагрузкой первой лампы является не постоянный твердотельный резистор, а его вакуумный аналог, который по линейности ничуть не хуже, а звук с ним гораздо лучше.
ВАХ этого элемента дана на рис. 2, более точные данные в таблице 1, а схема измерений на рис. 3.

Как видно из графика и таблицы вакуумный резистор обладает двумя несомненными достоинствами – это абсолютная линейность в заданном диапазоне изменения напряжения и возможность регулировки, что необходимо в данной схемотехнике. Были сняты ВАХ следующих ламп – 6П14П, 6П15П, 6П43П, 6П9, 6П6С, EL-84. Наиболее линейной оказалась EL-84, за ней идут 6П15П и 6П14П, остальные показали удовлетворительные результаты. Хотя, может кому-то звук на 6П9 понравиться больше.

Падение напряжения на лампе EL-84 является напряжением смещения выходной лампы усилителя и составляет 70±5 вольт. Его можно регулировать резистором 220 кОм, изменяя тем самым ток 6П45С.

В усилителе применена задержка подачи полного рабочего тока на выходную лампу. Работает
этот узел так – при включении питания транзистор КП103Л открывается нулевым потенциалом на затворе, следовательно КТ315Г закрыт. Далее начинает заряжаться емкость С1 через обмотку реле К1 и обратносмещенный диод Д226. Примерно через 1,5 минуты полевой транзистор закрывается, биполярный открывается, срабатывает и самоблокируется реле К1. Контактами К1.2 замыкается резистор 680 Ом и подается полный рабочий ток на выходную лампу, а контакты К1.1 разряжают емкость С1 через диод Д226. Это нужно для того чтобы при повторном включении цикл повторился с тем же интервалом – 1,5 минуты. Конденсатор С1 нужен хорошего качества и с малым током утечки, в схеме стоит К40У-9.

Кенотронные блоки питания особенностей не имеют, тут чем проще тем лучше, без всяких стабилизаторов и прочих наворотов. Фильтрующие емкости выбраны очень большие по 1000 мкФ.
Это нужно для уменьшения просадки напряжения на каскадах. Единственное, им нужно дать разогреться минут 15–20.

В DVD проигрывателе «Akira», с которым в данный момент работает усилитель, на выходе правого и левого каналов ЦАПа стоят два планарных резистора по 300 кОм они нужны для правильной работы схемы перекомпенсации.

Конструкция и детали.

Конструктивно усилитель выполнен в виде 2-х моноблоков.
Выходной трансформатор Т1 от усилителя «Прибой», не переделанный, все секции первичной
обмотки соединяются последовательно, вторичка без изменений.
Трансформатор Т2 – перемотанный ТС-270
Реле К1 – РЭН34-Т ХП4.500.000-02
        К2 – РП21-УХЛ04
Катушка L1 – любой фильтрующий дроссель из телевизора, принтера, монитора и т.д.
Межблочный кабель – посеребренный РК от старой военной радиостанции.

Звук.

Звук в основном зависит от линейности вакуумной нагрузки и очень похож на работу
дроссельного каскада, но более динамичный, мощный и акцентированный по всему диапазону.
Вместе с тем звук живой, а искажения на слух, благодаря высокой линейности первого каскада,
практически не ощущаются.
Мощность усилителя не большая – около 4,5 ватт в номинале и 6 ватт до ограничения, что вполне
достаточно для жилой комнаты. Чувствительность около вольта.


Добавил:  Павел (Admin)  
Автор:  Максимов Андрей Владимирович (E-mail: sattelite2006@yandex.ru) 

Вас может заинтересовать:

  1. «Супертрансформатор» из ТВЗ 1-9 или ТВК
  2. Построение усилителя с учетом направлений электрических компонентов
  3. Электронный регулятор громкости (на радиолампе)
  4. Оконечные каскады усилителей НЧ
  5. Один из вариантов оформления усилителя


    © PavKo, 2007-2018   Обратная связь   Ссылки views: 441 -- users: 306 -- web3   Яндекс.Метрика