Портал для радиолюбителей
   Принципиальная схема мультиметра M830B
    Главная -> Статьи -> Измерительная техника -> Принципиальная схема мультиметра M830B


<< Назад в раздел   Распечатать Дата добавления: 2008-05-15 | Просмотров: 14023

Мультиметр M830B

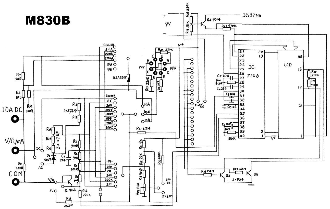
Описание: цифровой мультиметр M830B производит измерения силы постоянного и переменного тока, величины постоянного и переменного напряжения, сопротивления и коэффициент усиления биполярных транзисторов (h21). Так же с помощью мультиметра M830B можно прозванивать полупроводниковые диоды.  Результаты измерений выводятся на цифровой  31/2 -разрядный ЖК-дисплей. Питание мультиметра осуществляется от одной батареи 9В типа "Крона". В комплекте поставки мультиметра M830B входит комплект щупов и инструкция на русском языке.

Характеристики:
Количество измерений в секунду: 2
Постоянное напряжение U= 0,1мВ - 1000В
Переменное напряжение U~ 0,1В - 750В
Постоянный ток I= 200?A - 10A
Диапазон частот по перем. току 40 - 400Гц
Сопротивление R 0,1 Ом - 2 МОм
Входное сопротивление R 1 МОм
Коэффициент усиления транзисторов h21 до 1000
Диод-тест : есть
Питание 9В /типа NEDA 1604, Крона ВЦ /
Габариты, мм 65 ? 125 ? 28
Вес, грамм (с батареей) 180
Сервис: Индикация разряда батарейки
Индикация перегрузки «1»

Средняя цена: 8-10$

Ниже приведена схема цифрового мультиметра M830B:

Принципиальная схема мультиметра M830B


Добавил:  Павел (Admin)  
Автор:  Неизвестно 

Вас может заинтересовать:

  1. Цифровой измеритель ёмкости
  2. Простой измеритель емкости
  3. Измеритель КБВ с автокалибровкой
  4. Приставка к мультиметру для измерения емкости варикапов
  5. ВЧ приставка к осциллографу


    © PavKo, 2007-2018   Обратная связь   Ссылки views: 13652 -- users: 13075 -- web3   Яндекс.Метрика