Портал для радиолюбителей
   Принципиальная схема мультиметра M890G
    Главная -> Статьи -> Измерительная техника -> Принципиальная схема мультиметра M890G


<< Назад в раздел   Распечатать Дата добавления: 2008-05-15 | Просмотров: 16589

Мультиметр M890G

Описание:
Мультиметр M890G - компактный, износостойкий, карманный, предназначен для контроля постоянного и переменного напряжения, постоянного тока, сопротивления, емкости, частоты, температуры, проверки диодов и транзисторов, прозвонка.
КМОП АЦП двойного интегрирования с автоматической коррекцией нуля, автоматическим определением полярности и индексацией перегрузки. Защита от перегрузок обеспечена до указанных пределов.
Идеален для использования в полевых условиях, лаборатории, мастерских и домашнем хозяйстве.
Дисплей - 3 1/2 - разрядный, 7-сегментный жидкокристаллический индикатор.
Питание: одна 9-вольтовая батарея типа 6F22. Размеры: 88х170х38мм. Масса 340г.
Точность гарантирована в течении 1 года, при 23±5°C и относительной влажности менее 75%.

Особенности:
Выключатель питания - клавиша ON-OFF.
Один 30-позиционный переключатель для выбора рода работы и/или предела.
Высокая чувствительность - 100 мкВ.
Автоматическая индикация перегрузки - "1" в старшем разряде.
Автоматическое определение полярности постоянного напряжения или тока.
Все пределы защищены от перегрузок.
Проверка сопротивлений от 0,1 Ом до 200 МОм.
Проверка емкости от 1пФ до 20 мкФ.
Проверка диодов с фиксированным прямым током в 1мА.
Проверка транзисторов при I = 100 мкА.
Измерение температуры

Технические характеристики
Постоянное напряжение
Предел Разрешение Точность
200 мB 100 мкB ±0,5% ±1ед.счета
2 В 1 мВ ±0,5% ±1ед.счета;
20 B 10 мB ±0,5% ±1ед.счета
200 B 100 мB ±0,5% ±1ед.счета
1000 B 1 B ±0,8% ±2ед.счета
Входное сопротивление: 10 МОм на всех пределах.
Защита от перегрузок: 1000В пост. тока или пик. пер. тока на всех пределах
Переменное напряжение
Предел Разрешение Точность
2 B 1 мB ±0,8% ±3ед.счета
20 B 10 мB ±0,8% ±3ед.счета;
200 B 100 мB ±0,8% ±3ед.счета;
700 B 1 B ±1,2% ±5ед.счета;
Входное сопротивление: 10 МОм на всех пределах.
Защита от перегрузок: 750 В эфф. или 1000 В пик непрерывно на пределах переменного напряжения, исключая диапазон 200 мВ.
Калибровка: в эфф. значениях син. сигнала
Диапазон частот: 40Гц - 400Гц
Постоянный ток
Предел Разрешение Точность
2 мА 1 мкA ±0,8% ±1ед.счета
20 мА 10 мкА ±0,8% ±1ед.счета;
200 мА 100 мкА ±1,2% ±1ед.счета
20 А 10 мА ±2% ±5ед.счета
Защита от перегрузок: предохранитель 0,2А/250В (предел 20 А не защищен).
Максимальный ток на выходе: 20 А, 15 секунд.
Переменный ток
Предел Разрешение Точность
200 мА 100 мкА ±1,8% ±3ед.счета
20 А 10 мА ±3% ±7ед.счета
Защита от перегрузок: предохранитель 0,2А/250В (предел 20 А не защищен).
Диапазон частот: 40Гц - 400Гц
Максимальный ток на выходе: 20 А, 15 секунд.
Калибровка: в эфф. значениях син. сигнала
Сопротивление
Предел Разрешение Точность
200 Ом 0,1 Ом ±0,8% ±3ед.счета
2 кОм 1 Ом ±0,8% ±1ед.счета;
20 кОм 10 Ом ±0,8% ±1ед.счета
200 кОм 100 Ом ±0,8% ±1ед.счета
2 МОм 1 кОм ±0,8% ±1ед.счета
20 МОм 10 кОм ±1% ±2ед.счета
Защита от перегрузок: 15с максимум 200В эфф. на всех пределах.
Примечание: На пределе 200 МОм, при замыкании щупов, отсчет дисплея будет 10 единиц, которые следует вычесть от показания.
Емкость
Предел Разрешение Точность
2000 пФ 1 пФ ±2,5% ±5ед.счета
20 нФ 10 пФ ±2,5% ±5ед.счета;
200 нФ 100 пФ ±2,5% ±5ед.счета
2 мкФ 1 нФ ±2,5% ±5ед.счета
20 мкФ 10 нФ ±2,5% ±5ед.счета

Температура
Интервал Разрешение Точность
-50°C...400°C 1°C ±0,75% ±3ед.счета
400°C...1000°C 1°C ±1,5% ±15ед.счета;
** 0°C...40°C 1°C ±2%
** Встроенный температурный датчик.

Частота
Предел Разрешение Точность
20 кГц 10 Гц ±1% ±1ед.счета
Защита от перегрузки: 220 В эфф. переменного тока

 

Мультиметры серии M890 (сравнительная таблица)

Модель Постоянное напряжение Переменное напряжение Постоянный ток Переменный ток Сопротивление Проверка диодов Звуковой пробник Проверка транзисторов Авто откл. Частота Температура
890B+ + (+200мВ) + + +(+2мА,20мА) + + + + - - -
890C + + + + + + + + - - +
890D + + + + (+20мА) + + + + - - -
890F + + + + + + + + + + -
890G + + + + + + + + + + +

Средняя цена: 20-25$

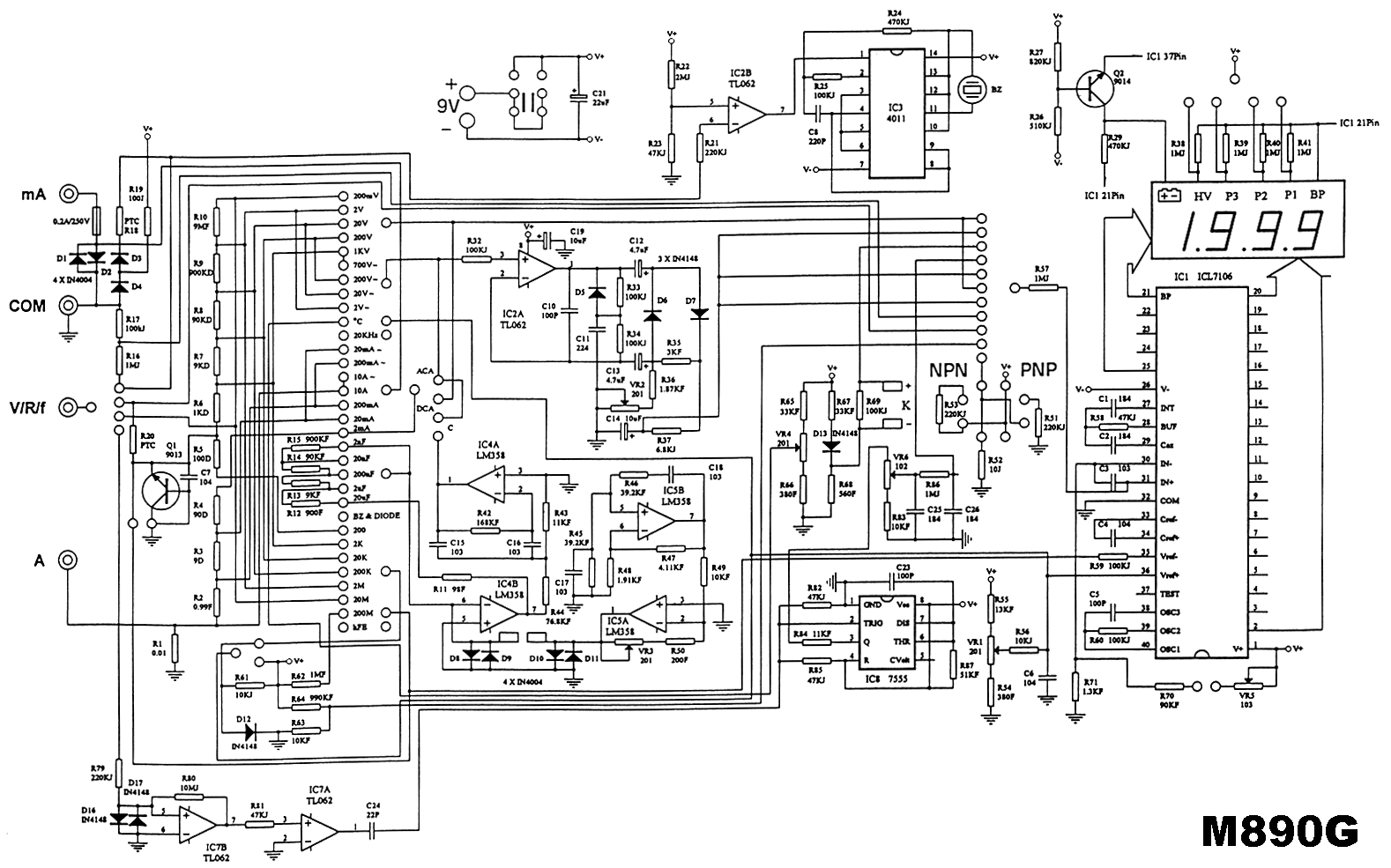
Ниже приведена схема цифрового мультиметра M890G:

Принципиальная схема мультиметра M890G


Добавил:  Павел (Admin)  
Автор:  Неизвестно 

Вас может заинтересовать:

  1. Звуковой испытатель кварцевых резонаторов
  2. Простой генератор ЗЧ
  3. Цифровой генератор шума для акустических измерений
  4. Генераторы импульсов, мультивибраторы, автогенераторы
  5. Цифровой интерфейс к "лазерной рулетке"


    © PavKo, 2007-2018   Обратная связь   Ссылки views: 7312 -- users: 6886 -- web3   Яндекс.Метрика