Портал для радиолюбителей
   Формирователь оптимального угла опережения зажигания
    Главная -> Статьи -> Автомобильная электроника -> Формирователь оптимального угла опережения зажигания


<< Назад в раздел   Распечатать Дата добавления: 2008-05-20 | Просмотров: 10496

Проблема получения от двигателя внутреннего сгорания максимальной мощности интересует многих автолюбителей. Для повышения мощности двигателя можно произвести расточку и полировку топливопроводов, подгонку их стыков с камерой сгорания, форсирование и т. д. Но, кроме этого, существует и другой способ повышения мощности двигателя - минимизация потерь за счет поддержания оптимального угла опережения зажигания во всем диапазоне скорости вращения коленчатого вала (KB).

Большинство "западных" фирм этот вопрос решило давно - бортовой компьютер контролирует все процессы в работе двигателя и управляет ими. В отечественном автомобилестроении этому вопросу не уделяли должного внимания и, как следствие, характеристика угла опережения зажигания, формируемая центробежным регулятором, установленным почти на всех отечественных автомобилях, совпадает с оптимальной характеристикой в лучшем случае в 2-3 точках (рис. 1) На некоторых участках она может отличаться от оптимальной более чем на 30%, и при длительной эксплуатации автомобиля эта величина растет.


Puc.1

Первыми на это среагировали авто-, радиолюбители. Благодаря им появились довольно простые схемы корректоров опережения зажигания. В основу их работы заложен принцип формирования регулируемого интервала времени, на который задерживается искрообразование. Поскольку угол опережения зажигания и указанный интервал времени при различной скорости вращения KB - величины не пропорциональные, то при такой коррекции на больших оборотах KB двигателя угол опережения зажигания возрастает настолько, что вреда от нее больше, чем пользы. Поэтому некоторые авторы отключают коррекцию при оборотах KB выше 2000 - 2500 об/мин.

Следующим этапом было создание корректоров, в принцип работы которых было заложено формирование непосредственно регулируемого угла опережения зажигания. Несмотря на то, что этот способ более прогрессивный, в нем, как и в предыдущем, есть один недостаток - оба они формируют задержки, которые добавляются к изначально неправильной характеристике, сформированной центробежным регулятором. Поэтому следующим этапом является отказ от использования центробежного регулятора и создание формирователей оптимального угла опережения зажигания на базе ПЗУ содержащего коды оптимального распределения угла опережения зажигания в зависимости от частоты вращения KB. Одно из таких устройств описано ниже.

В работу устройства заложен принцип, по которому оптимальная характеристика угла опережения зажигания во всем диапазоне работы двигателя (от 600 до 6000 об/мин) разбивается на 256 участков. На каждом участке фиксируется величина угла опережения зажигания, кодируется в диапазоне от 0 до 256 и записывается в ПЗУ емкостью 256 байт. Предусмотрено оперативное смещение указанной характеристики по вертикальной (плавное) и горизонтальной (ступенчатое) осям, что дает возможность адаптировать ее под разные типы двигателей и разные марки бензина.

Работа схемы.

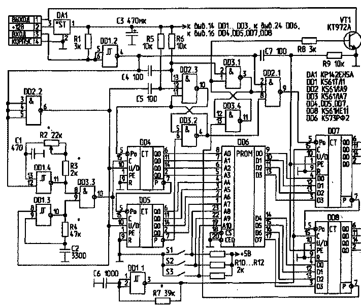
Схема формирователя показана на рис. 2. Его работу можно раз делить на три этапа:

- этап измерения угловой частоты вращения KB

- этап формирования регулируемого угла опережения зажигания (регулировка по вертикали)

- этап формирования оптимального угла опережения зажигания.

Первый этап начинается при поступлении высокого логического уровня от магнитного датчика на вход устройства При этом интегрирующей цепочкой С4 R6 формируется импульс по переднему фронту которого начинает работать генератор(Г1) собранный на DD1 3

Импульсы частотой f1 через D3 3 поступают на вход каскадносоединенных счетчиков DD4, DD5, работающих на увеличение счета и накапливающих информацию о длительности входного импульса. По завершении входного импульса информация о его длительности (т. е. о значении оборотов KB) с выходов DD4 DD5 в двоичном коде поступает на адресные входы ПЗУ. В ПЗУ в соответствии с поступившим адресом формируется код временной задержки, соответствующей оптимальному углу опережения зажигания (для измеренной величины оборотов KB). Этот код в двоичном виде параллельно записывается в регистры счетчиков DD7, DD8 импульсом сформированным цепочкой С7 R9. Одновременно с этим генератор Г1 блокируется генератор Г2, собранный на DD1 4 начинает вырабатывать импульсы частотой f2, а счетчики DD4 DD5 начинают работать на уменьшение счета т. е. начинается второй этап.

Следует отметить, что на первом этапе в режиме пуска двигателя (при оборотах KB ниже 600 об/мин) происходит переполнение счетчиков DD4 DD5. При этом на выводе 7 счетчика DD5 формируется короткий отрицательный импульс, переключающий триггер DD2 3, DD3 2 (Т1), который в свою очередь блокирует работу счетчиков DD4, DD5 с записанной в них максимальной информацией (код 255). В этом состоянии схема находится до окончания входного импульса по спаду которого через интегрирующую цепочку С7 R9 формируется отрицательный импульс, записывающий код 255 в DD7 DD8. Одновременно через цепочку С5 R5 происходит обратное переключение триггера Т1 и разрешается работа на вычитание счетчиков DD4 DD5.

Когда счетчики D4, D5 досчитают до нулевого значения, на выводе 7 счетчика DD5 формируется короткий отрицательный импульс, переключающий триггер Т1, который в свою очередь блокирует работу счетчиков DD4, DD5 и разрешает работу DD7, DD8. На этом второй этап заканчивается и начинается третий.

Счетчики DD7, DD8 с записанной в конце первого этапа информацией работают на вычитание. По сигналу разрешения триггера Т1, поступающему через элемент DD2.1, они начинают воспринимать импульсы, вырабатываемые генератором ГЗ, собранным на DD1.1, и при достижении нулевого значения вырабатывают отрицательный импульс (на выводе 7 DD8), переключающий триггер на DD3.1, DD3.4 (Т2), который в свою очередь через DD2.1 блокирует работу счетчиков DD7, DD8, а через VT1 формирует задержанный выходной сигнал.

Временные диаграммы работы схемы приведены на рис.3.


Puc.3

Характерные точки диаграмм:

0 - начало положительного входного импульса, разрешение работы счетчиков DD4, DD5 на приращение до окончания входного импульса или до их переполнения;

1 - (только для режима запуска двигателя) - содержимое счетчиков DD4, DD5 достигло максимума (255); блокировка DD4, DD5 до окончания входного импульса;

2 - запись содержимого DD4, DD6 через преобразователь кода DD6 в DD7, DD8; конец работы Г1; сброс блокировки DD4, DD5 и начало их работы от Г2 на вычитание;

3 - содержимое DD4, DD5 достигло нуля, и их работа блокируется; разрешение работы DD7, DD8;

4 - содержимое DD7, DD8 достигло нуля, и их работа блокируется; на коллекторе VT1 формируется сигнал, по переднему фронту которого происходит зажигание;

5 - верхняя мертвая точка соответствующего поршня;

6 - сброс блокировки DD4, DD5; начало следующего цикла.

Для наладки устройства необходимо знать два параметра: -длину импульса, выдаваемого магнитным датчиком, выраженную в угловых величинах (градусах) относительно периода вращения KB - оптимальную характеристику угла опережения зажигания (зависимость от оборотов KB). Поскольку указанная характеристика специфична для разных автомобилей, можно поступить двумя способами.

Первый способ.

Используя свободные адресные разряды применяемого ПЗУ (А8, А9, А10), коммутируемые переключателями S1 ...S3 (рис.2), записываем в него 8 вариантов характеристик, получаемых смещением по горизонтальной оси через каждые 50... 100 об/ мин исходной характеристики 2 (рис.1), которая характерна для многих автомобилей. После этого, оперируя переключателями S1...S3 и регулятором R2, в ходе многочисленных проб, по субъективным признакам, определяем наиболее подходящую. Следует заметить, что при переходе на бензин с меньшим октановым числом необходимо переходить на характеристику, которая находится левее от исходной, и наоборот. Найдя наиболее подходящую характеристику, целесообразно переписать ПЗУ, снова смещая полученную характеристику, но с меньшим шагом, например через 20...30 об/мин, при этом выбор необходимой марки бензина производится переключателями S1...S3.

К недостаткам данной схемы относится низкая стабильность генераторов. Для ее увеличения и генераторах нужно применять резисторы с минимальным ТКС и конденсаторы с нулевым ТКЕ (группы МПО). По этой же причине устройство лучше разместить в салоне автомобиля, где перепады температур меньше, чем под капотом.

Для уменьшения помех на выводы питания каждой микросхемы целесообразно установить керамические конденсаторы емкостью 0,1 мкФ, а при длинных коммутационных связях на входе микросхемы DD1.2 - простейший фильтр НЧ с постоянной времени порядка 0,01 мс (например R=30 кОм, С=300 пФ). Кроме того, в некоторых экземплярах счетчиков при совпадении фронтов счетных и управляющих сигналов, а также при переходе счета из одного каскада в другой возникают сбои в работе. Для устранения указанного явления необходимо установить конденсаторы емкостью 100...200 пФ между выводами 6 DD2, 7 DD8 и общим проводом питания.

Формирователь устанавливается в разрыв между магнитным датчиком оборотов распредвала и системой электронного зажигания. При установке формирователя шторку штатного центробежного регулятора необходимо застопорить в положении, соответствующем максимальной скорости вращения КВ.

Дополнительно, для организации противоугонной функции, удобно применить резистор R2 с выключателем, который включается последовательно с регулятором. При размыкании контактов выключателя в крайнем положении R2 двигатель не запустится. Для этих целей можно также применить кодовый замок, выход которого необходимо подключить к выводам 9 счетчиков DD4, DD5. При наборе правильного кода на указанные выводы должен поступать низкий логический уровень.


Добавил:  Павел (Admin)  
Автор:  Неизвестно 

Вас может заинтересовать:

  1. Зарядно-десульфатирующий автомат для автомобильных аккумуляторов
  2. Питание радиоаппаратуры от бортовой сети автомобиля
  3. Сигнализатор аварийного снижения давления масла
  4. Схема электропроводки автомобиля ВАЗ 2106, 21061 и 21063 (1976-1987)
  5. Выпрямители с электронным регулятором для зарядки аккумуляторов


    © PavKo, 2007-2018   Обратная связь   Ссылки views: 2728 -- users: 2279 -- web3   Яндекс.Метрика