Портал для радиолюбителей
   Передатчик на 144 МГц
    Главная -> Статьи -> Радиопередатчики -> Передатчик на 144 МГц


<< Назад в раздел   Распечатать Дата добавления: 2008-06-10 | Просмотров: 13966

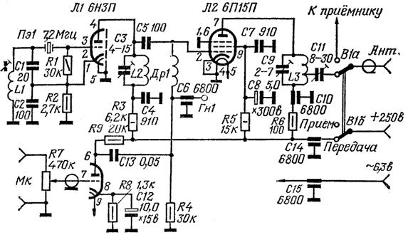
Передатчик состоит из задающего генератора, выходного каскада и модулятора.

Задающий генератор собран на левом триоде лампы Л1 (6Н3П) по схеме емкостной "трехточки". Частота колебаний генератора стабилизирована крарцевым резонатором Пэ1. Контур L1C1C2 настроен на частоту 36 МГц, соответствующую пятой механической гармонике кварца. В анодной цепи генератора выделяется вторая гармоника частоты задающего генератора - сигнал с частотой 72 МГц.

Выходной каскад передатчика выполнен на лампе Л2 (6П15П), работающей в режиме удвоения частоты. Необходимое смещение на управляющей сетке получается за счет падения напряжения на резисторе R4 при протекании через него сеточного тока лампы. Экранная сетка питается через гасящий резистор R5. В цепь экранной сетки включены два блокировочных конденсатора. Конденсатор С8 - сравнительно большой емкости - поддерживает неизменным напряжение на экранной сетке при модуляции, конденсатор С7 "заземляет" сетку по высокой частоте. Контур L3C9 в анодной цепи каскада настроен на рабочую частоту. Связь с антенной - автотрансформаторная.
Подстроечный конденсатор С11 компенсирует индуктивность провода, идущего к переключателю В1 "Прием-передача" и далее, к антенному разъему.

Модулятор. Второй триод лампы Л1 использован в модуляторе. Напряжение звуковой частоты с микрофонного входа через регулятор глубины модуляции - R7 подается на сетку триода и усиливается. Модуляция осуществляется в цепи управляющей сетки выходного каскада. Примененная модуляция (особенно в выходном каскаде с удвоением частоты) не отличается высокой линейностью и выбрана только из-за простоты схемы.

По отзывам корреспондентов качество модуляции хорошее. Необходимое напряжение на микрофонном входе составляет десятые доли вольта. Такое напряжение развивает угольный микрофон или любой транзисторный микрофонный усилитель.

Детали и конструкция

В передатчике применен кварц от радиостанции РСИУ-3 на частоту 7,2 МГц. Можно также использовать кварц с частотой 12 МГц, возбуждаемый на третьей механической гармонике.

  • Катушка L1 намотана на каркасе диаметром 8 мм и содержит 10 витков провода ПЭЛ 0,7, намотанных виток к витку. Катушка подстраивается сердечником из магнитодиэлектрика.

  • В качестве каркасов L2 и Др1 использованы резисторы ВС-0,25 с удаленной краской и проводящим слоем. Катушка L2 имеет 6 витков провода ПЭЛ 0,7, равномерно распределенных по длине каркаса. Дроссель Др1 содержит 40 витков провода ПЭЛШО 0,15.

  • Бескаркасная катушка L3 состоит из двух витков посеребрянного провода диаметром 1 мм. Внутренний диаметр намотки 12 мм, длина 10 мм. Отвод сделан от 0,5 витка.

  • Все подстроечные конденсаторы - КПК-1. При отсутствии проходных конденсаторов можно применить керамические или типа КСО, укоротив длину выводов до минимума.

  • В качестве переключателя В1 использован тумблер с двумя группами контактов.

  • Остальные детали могут быть любых типов.

Передатчик смонтирован в коробчатом алюминиевом шасси размерами 200х80х50 мм, снабженном лицевой панелью. На верхней панели шасси в один ряд расположены кварц Пэ1, лампы Л1 и Л2, контур L3C9. Переключатель В1 и антенный разъем укреплены на лицевой панели сверху шасси, около выходного контура L3C9. Провод от анода лампы Л2 выведен из подвала шасси через отверстие, просверленное непосредственно у анодного лепестка панельки. В подвале шасси находятся: катушка L1 - около панельки кварца, контур L2C3 - между ламповыми панельками и все остальные детали. Провода питания выведены на верхнюю панель шасси через проходные конденсаторы.

Поскольку в передатчике нет контуров, настроенных на одну и ту же частоту, склонности к паразитному самовозбуждению не наблюдалось. Поэтому перегородки или какие-либо экраны не требуются.

Налаживание передатчика

Частоту задающего генератора, равную 36 МГц, устанавливают с помощью волномера или путем прослушивания четвертой гармоники генератора на приемнике двухметрового диапазона. При значительной параллельной емкости кварца генератор возбуждается независимо от того, настроен контур L1C1C2 на пятую гармонику кварца, или нет.

Момент захвата частоты генератора кварцем хорошо заметен на приемнике по значительному улучшению тона генератора. Кроме того, при этом вращение сердечника L1 в некоторых пределах мало изменяет частоту генератора. Явление захвата частоты генератора кварцем лучше выражено, если подходить к частоте кварца со стороны более низких частот.

Контур L2C3 настраивают по максимуму напряжения отрицательного смещения на сетке лампы Л2. Это напряжение измеряется вольтметром между контрольным гнездом Гн1 и общим проводом. При достаточном напряжении возбуждения лампы напряжение смещения достигает 7...10 В.

Для настройки выходного контура L3C9 к разъему антенны подключают лампу накаливания 13 В/0,18 А. Роторы конденсаторов С9 и С11 устанавливают в положения, соответствующие наиболее яркому свечению лампы. Настройка контура довольна остра, поэтому ротор конденсатора С9 следует вращать медленно. При правильной настройке выходная мощность передатчика в режиме несущей достигает 2 Вт. Анодный ток лампы Л2 при этом составляет 40...50 мА.

Налаживание модулятора сводится к установке такой глубины модуляции с помощью резистора R7, при которой искажения еще малы, а модуляция достаточна глубока.

Передатчик испытывался с всенаправленной штыревой антенной. С его помощью легко удавались связи на расстоянии до 40...50 км.


Добавил:  Павел (Admin)  
Автор:  В.Поляков (RA3AAE) 1972 г. 

Вас может заинтересовать:

  1. Передатчик на 144 МГц
  2. Передатчик начинающего радиолюбителя
  3. Одноламповый передатчик на 144-146 Мгц
  4. Ретранслятор для низовой УКВ связи
  5. Экспериментальный QRP-передатчик


    © PavKo, 2007-2018   Обратная связь   Ссылки views: 12468 -- users: 12000 -- web3   Яндекс.Метрика