Портал для радиолюбителей
   Приемопередатчик на одной лампе
    Главная -> Статьи -> Трансиверы -> Приемопередатчик на одной лампе


<< Назад в раздел   Распечатать Дата добавления: 2008-06-11 | Просмотров: 22101

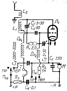
Приемопередатчик очень прост и содержит минимальное количество деталей.

Прием и передача ведется на одной частоте. Настройка на заданную частоту осуществляется емкостью С1. Переключатель "Прием-передача" П1 - сдвоенный.

Передача. Переключатель П1а включает телефон Т; П1б присоединяет сопротивление утечки сетки R2. Режим лампы изменяется и сверхрегенератор превращается в генератор ВЧ колебаний. Модуляция сеточная.
М - угольный микрофон.

Рис.1. Принципиальная схема приемопередатчика

Прием. П1а включает телефон Т, а П1б закорачивает микрофон.
В положении прием лампа работает как сверхрегенеративный детектор.
С3 и R3 служат для регулировки обратной связи, необходимой для нормальной работы генератора ВЧ.

Связь с антенной подбирается изменением расстояния между катушками L1 и L2 так, чтобы сверхрегенерация не срывалась при включении антенны.
В приемопередатчике могут быть использованы любые триоды или пентоды, включенные триодам.

Намоточные данные катушек индуктивности для диапазона 144...146 Мгц.

Двухламповый приемо-передатчик

Несколько более сложная схема на сдвоенном триоде. Существует много вариантов этой схемы с различными усовершенствовании. Одна лампа во время приема работает в качестве сверхрегенеративного детектора, а при передаче является генератором с самовозбуждением. При приеме вторая лампа используется как усилитель НЧ, а при передаче - в качестве модулятора.
Переход с приема на передачу - сдвоенным переключателем П1.

Рис.2. Принципиальная схема двухлампового приемопередатчика

Во время приема вторичная обмотка микрофонного трансформатора служит анодной нагрузкой сверхрегенеративного детектора.
В качестве модуляционного дросселя используется индуктивность телефонных катушек. Для повышения выходной мощности возможно применение модуляционного дросселя.

Приемо-передатчик может быть собран на лампах 6Н8С, 6Н1П, 6Н2П и 6Н3П. Особенно хорошо работает 6Н3П как на частотах 38...40 МГц, так и на 144...146 МГц.

При модуляции однолампового генератора могут появиться фон переменного тока и искажения при приеме за счет паразитной частотной модуляции. Могут наблюдаться срывы колебаний ВЧ при глубокой модуляции, когда при больших амплитудах модуляции на аноде генератора понижается напряжение.

Важно!!! Устойчиво работающий одноламповый передатчик трудно построить даже на КВ, еще труднее сделать это на УКВ. Однако, учитывая простоту подобных конструкций, поэкспериментировать полезно.


Добавил:  Павел (Admin)  
Автор:  Неизвестно, 1958 год 

Вас может заинтересовать:

  1. Основная плата трансивера «Аматор-ЭМФ-SA»
  2. QRP трансивер "Микро-80" от RV3GM
  3. Радиостанция на 420-435 МГц
  4. Из «Электроники-Контура-80» - 4-х диапазонный трансивер (Перестройка "Радио-76" на 4 диапазона)
  5. Трансивер "BIZON-06" (UA4LKT)


    © PavKo, 2007-2018   Обратная связь   Ссылки views: 764 -- users: 724 -- web3   Яндекс.Метрика