Портал для радиолюбителей
   Корректор цветовой четкости
    Главная -> Статьи -> Телевизионная техника -> Корректор цветовой четкости


<< Назад в раздел   Распечатать Дата добавления: 2011-10-28 | Просмотров: 5573

PPP Для правильного воспроизведения цветного изображения в телевизоре необходимо, чтобы яркостный и цветоразностные сигналы приходили на катоды и управляющие электроды кинескопа одновременно. Известно, что время прохождения сигнала по каналу обратно пропорционально его полосе пропускания. Чем меньше полоса пропускания канала, тем больше задержка сигнала. Поскольку полоса пропускания канала яркостного сигнала составляет 6 МГц, а канала цветности 1,5 МГц, возникает задержка сигналов цветности примерно на 0,6...0,8 мкс. До недавнего времени в качестве линий задержки использовались нерегулируемые линии типа ЛЗЯС-0,3/1000 (300 нс, 1000 Ом) или ЛЗЦТ-0,7-1500 (700 нс, 1500 Ом), которые требуют тщательного согласования как по входу, так и по выходу. Если ширина вертикальных цветовых переходов, как правило, не превышает 2 мм даже в системе SECAM (из-за особенностей кодирования), то из-за несовпадения середин передних и задних фронтов цветоразностных импульсов с серединами перепадов яркостного сигнала зона цветовых переходов по горизонтали при приеме сигнала с эфира достигает 4...6 мм, а при работе с видеомагнитофоном может растягиваться до 10 мм [1], что проявляется как "размазывание" контуров ярко окрашенных объектов, появление окантовок из искаженного цвета, "непрорисовка" мелких деталей и т.п.

PPP Для устранения этого дефекта в телевизорах пятого поколения используется корректор цветовой четкости фPhilips TDA4565, структурная схема которого представлена на рис.1. Использовав его в телевизоре четвертого поколения "Горизонт 51ТЦ412", можно существенно улучшить качество "картинки". Корректор состоит из двух функциональных узлов:
- регулируемой гираторной линии задержки яркостного сигнала Y;
- "обострителя" цветоразностных импульсов R-Y, B-Y.

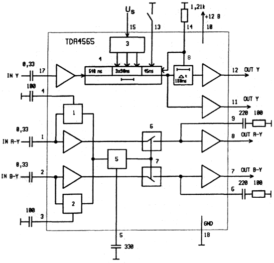
Структурная схема корректора цветовой четкости TDA4565

Рис.1. Структурная схема корректора цветовой четкости TDA4565

PPP Гираторная линия задержки 4 состоит из 10 ячеек с задержкой по 90 нс каждая, и одной ячейки с задержкой 45 нс. 6 ячеек по 90 нс объединены в общий блок с временем задержки 6x90=540 нс. За ними следуют три ячейки по 90 нс, которые включаются последовательно с входным блоком электронным коммутатором 3 (три пороговых компаратора с порогами переключения 4,5a1 В, 7,5a1 В и 10,5a1 В), управляемым по выводу 15. Таким образом, увеличивая напряжение на выводе 15, можно пошагово увеличивать время задержки сигнала до 270 мс. Дополнительная задержка 45 нс включается замыканием вывода 13 на общий провод. Между выводом 11 и выводом 12 включена фиксированная задержка 8 еще на 180 нс. Таким образом можно регулировать задержку яркостного сигнала с шагом 45 не с вывода 11 от 540 до 855 не (540 + 270 + 45 = 855), а с вывода 12 - от 720 нс до 1035 нс. Выходные каскады (выводы 11 и 12) выполнены в виде эмиттерных повторителей с генераторами тока в эмиттерной цепи.

PPP В обостритель цветоразностных импульсов входят детекторы фронта импульсов 1, 2; формирователь импульсов 5 и коммутаторы 6, 7. Задержка в канале обработки цветоразностных сигналов составляет примерно 150 нс (от 100 до 200 нс). В моменты фронтов и спадов цветоразностных сигналов, путем их дифференцирования и выпрямления на выходах детекторов формируются импульсы положительной полярности, амплитуда которых пропорциональна скорости изменения исходных сигналов. После фильтра ВЧ и ограничителя 5 эти импульсы управляют двумя одинаковыми каналами-обострителями цветоразностных сигналов, выполненными в виде электронных ключей 6 и 7. Они коммутируют тракты R-Y и B-Y. К выходам ключей подсоединены запоминающие конденсаторы. "Суммарное" управление ключами обеспечивает одновременную смену цветов в обоих каналах при коротких цветовых переходах. Конденсаторы на выводах 1 и 3 ИМС предназначены для подавления составляющих за пределами полосы частот цветоразностных сигналов, в том числе и остатков поднесущих сигналов цветности, что улучшает отношение сигнал/помеха. Выходные каскады (выводы 7 и 8) выполнены в виде эмиттерных повторителей с каскодными генераторами тока в эмиттерной цепи.

PPP Номиналы внешних элементов обвязки указаны в соответствии с типовой схемой включения. Более подробно о работе корректора можно прочитать в [2].

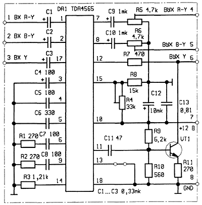
PPP Схема включения корректора (рис.2) заимствована из телевизоров "Горизонт". Она отличается наличием подстроечных резисторов R5, R6 [3] по выходам сигналов B-Y и R-Y, с помощью которых настраивают цветовой баланс. В современных телевизорах необходимость в таких регуляторах отпадает, т.к. в них баланс белого осуществляется автоматически. От типовой приведенная схема включения отличается номиналами RC-це-пей, постоянная времени которых определяет длительность фронта, и наличием активного источника тока (АИТ) на транзисторе VT1. На вход АИТ через дифференцирующий конденсатор емкостью 47 пФ поступает яркостный сигнал с опережением на 180 нс. АИТ включен параллельно внутреннему генератору тока в эмиттерной цепи выходного каскада. При таких номиналах RC-цепей длительность цветовых переходов (около 150 нс) примерно соответствует длительности яркостных перепадов в канале яркости (около 6 МГц).

Схема включения корректора

Рис.2. Схема включения корректора

PPP Резистор R3 должен быть подобран с точностью a1%, т.к. время задержки пропорционально его сопротивлению. В случае использования микросхем TDA4565A сопротивление R3 - 1,15 кОм (параллельно резистору 1,21 кОм включается 27 кОм).

PPP Когда движок резистора R4 находится в крайнем верхнем положении, включена одна дополнительная линия задержки 90 нс, в среднем положении - две по 90 нс (суммарная задержка - 180 нс), в крайнем нижнем положении - три (270 нс).

PPP Конструкция и детали. Чертеж печатной платы дополнительного субмодуля размерами 60x45 мм изображен на рис.3, а сборочный чертеж - на рис.4. Электролитический конденсатор С12 - типа К53-4 на напряжение 20 В, остальные - К50-35. Неполярные конденсаторы - типа К22-5. Подстроечные резисторы - СПЗ-38а.

Плата печатная

Рис.3. Печатная плата

Сборочный чертеж

Рис.4. Сборочный чертеж

PPP Перед монтажом субмодуля необходимо впаять в точки 4, 5, 7 и 8 проволочные выводы длиной около 10 мм и выпаять из основной платы элементы R38, R39, R42, R55, С31, С32, СЗЗ, VT2, VT3, а также линию задержки ВТ2 (ЛЗЯС-0,3/1000) и элементы ее согласования R63 и R88. Резистор R60 сопротивлением 150 Ом необходимо заменить на резистор сопротивлением 10 Ом, конденсатор С48 емкостью 22 мкФ - на 0,047 мкФ. Рядом с точкой соединения R60 и С28, а также на краю платы в "общем проводе" на одной линии с верхними выводами (правыми по схеме) конденсаторов С31 и СЗЗ просверливаются отверстия для подключения цепей питания (выводов 4 и 7) субмодуля.

PPP Перед монтажом субмодуля вывод KN4 необходимо укоротить на 2...3 мм, а конденсатор С28 пригнуть к плате. Выводы 4 и 5 субмодуля впаивают непосредственно в основную плату вместо верхних выводов демонтированных конденсаторов С31 и СЗЗ, а точки 1 и 2 соединяют гибкими проводами (длиной 55 и 70 мм соответственно) с нижними выводами этих конденсаторов. Вывод 3 субмодуля подключают экранированным проводом (150 мм) вместо правого вывода демонтированного резистора R88, а вывод 6 - гибким проводом (55 мм) на место вывода 2 демонтированной линии задержки.

PPP Наладка. При наладке подают сигнал "цветные полосы" с выхода соответствующего генератора на контакт 1 XN2(A1), предварительно сняв перемычку. Подавать сигнал на ВЧ-вход (из-за возможных помех), а также использовать сигнал телецентра (из-за повторов изображения) не рекомендуется. Линию задержки регулируют с помощью резистора R4 и перемычки между выводом 13 DA1 и общим проводом по минимальной зоне цветовых переходов по горизонтали. Цветовой баланс устанавливается резисторами R5 и R6. Оптимальный размах сигнала R-Y - около 1,05 В (максимальный - 1,5 В), сигнала B-Y - около 1,33 В (1,9 В максимум).

PPP В некоторых телевизорах, возможно, субмодуль декодера СД-41 заменен на более современный, например, "Электроника 016" или аналогичный с регуляторами уровней сигналов по выходам. В таких блоках эти регуляторы необходимо выставить в положение, соответствующее максимальному выходному сигналу, а оптимальные уровни выставлять с выходов корректора цветовой четкости.

PPP При тщательной настройке корректора наблюдается четко выраженный эффект повышения четкости и чистоты изображения, оно приобретает рельефность и чистоту. При недостаточной яркости может понадобиться подстройка режима входного каскада гираторной линии задержки с помощью резистора сопротивлением 220...510 кОм, включенного между выводами 17 и 16 DA1. Это определяется по наилучшему воспроизведению крайней левой белой полосы [3]. Указанный резистор на схеме не показан, но на плате предусмотрено место для его установки.

Источники

  1. К.Филатов. Корректор цветовых переходов. - Радио, 1990, N9 С.41.
  2. Л.Кевеш, А.Пескин.Модуль цветности МЦ-501. Радио, 1992, N5 С.28.
  3. А.Пахомов. Корректор цветовой четкости. - Радио, 1999, N2 С.10.

Автор: А.ПЕТРОВ, Д.ПЕТРОВ, г.Могилев.


Добавил:  Павел (Admin)  
Автор:  Неизвестно 

Вас может заинтересовать:

  1. Антенный усилитель
  2. Передатчик видеосигнала на микросхеме КР1043ХА4
  3. Видеоразветвители мощностий
  4. Простейший телевизионный конвертер MMDS в ДМВ
  5. Подавитель шумов и автоматическое выключение в телевизоре УЛПЦТ(И)-61-11


    © PavKo, 2007-2018   Обратная связь   Ссылки views: 15476 -- users: 14502 -- web3   Яндекс.Метрика