Портал для радиолюбителей
   Радиоудлинитель COM-порта
    Главная -> Статьи -> Компьютерная электроника -> Радиоудлинитель COM-порта


<< Назад в раздел   Распечатать Дата добавления: 2008-01-27 | Просмотров: 8598

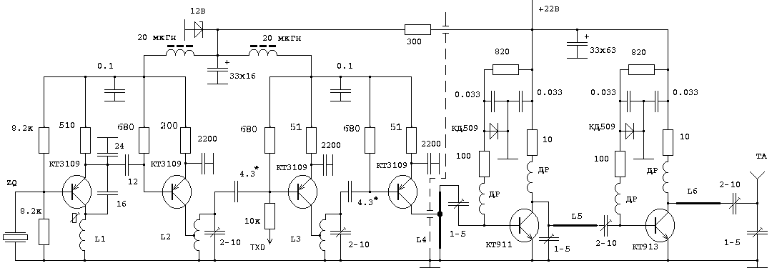
ПЕРЕДАТЧИК оригинальностью не отличается и построен по схеме с кварцевой стабилизацией и умножением частоты. Задающий генератор возбуждается на 5-7-й гармонике, далее следует утроитель частоты, затем усилитель-модулятор и удвоитель частоты с нагрузкой L4. Первые 4 каскада отделены экраном и собраны на печатной плате согласно [Л1].

Кварцевый резонатор выбирается из расчета Fкв=Fиз/n1/n2/n4, где n1 - номер гармоники, на которой возбуждается резонатор (3,5,7,9), n2=3 или 2 (второй каскад), n4=2 (четвертый каскад).

 

Puc.1

Усилитель мощности двух(трех)каскадный в зависимости от требуемой дальности связи. Монтаж комбинированный: площадки под выводы транзисторов и подстроечных конденсаторов размером 4х4мм. выгравированы на поверхности фольгированного стеклотекстолита, служащего несущей подложкой. Дроссели аналогичны [Л2].

L1 - 6 витков на каркасе диаметром 5 мм с подстроечником.
L2,L3 - 3,5 витка без каркаса диметром 4 мм посеребренным проводом.

Конструкция катушек L4,L5 и L6 приведена на рис.2.


Puc.2

Настройка хорошо описана в [Л1,Л2]. Выходной контур настраивается на штатную антенну по показаниям любого СВЧ пробника.

ПРИЕМНИК - обычный телевизор с ДМВ-диапазоном. Сигнал снимается с выхода СМРК с постоянной составляющей (Puc.3). Компаратор также сложности не представляет, выход подключается к RXD COM-порта.


Puc.3

АНТЕННЫ спиральные, диаметр рассчитывается как длинна волны/3.14, примерно 10 витков медного провода уложены по возможности равномерно на картонном каркасе в длину волны. Каркас приклеен к аллюминиевому или медному экрану размером в полтора раза больше диаметра антенны. Передатчик расположен на обратной стороне экрана непосредственно у "горячего" вывода спирали.

В заключение прошу не судить строго за дилетантский подход. Устройство создавалось для скорейшего достижения результата при минимальных затратах. Вместе с тем буду благодарен за дельные предложения, улучшающие или упрощающие изделие.

Этой штуке уже более 2-х лет, IP соединение ошибки вылавливает. Проверялась с директорными антеннами. Антенну лучше настраивать на передатчик по детектору поля, а потом такую же сделать для приемника.

ЛИТЕРАТУРА
1. А.Ермак, Г.Чурин. Радио N2 1989г., с.28.
2. В.Прокофьев. Радио N2 1983г., с.18


Добавил:  Павел (Admin)  
Автор:  Мардарьев Э.А. 

Вас может заинтересовать:

  1. Применение компьютерных блоков питания
  2. Промежуточный усилитель звуковой карты для устранения недостатков
  3. CDROM - автономный аудиоплеер
  4. Сопряжение звуковой карты с музыкальным инструментом
  5. Инфракрасный порт и работа с ним


    © PavKo, 2007-2018   Обратная связь   Ссылки views: 381 -- users: 312 -- web3   Яндекс.Метрика