Портал для радиолюбителей
   НЧ частотомер на интегральных схемах
    Главная -> Статьи -> Измерительная техника -> НЧ частотомер на интегральных схемах

аренда таунхаус минское шоссе

<< Назад в раздел   Распечатать Дата добавления: 2008-04-19 | Просмотров: 8784

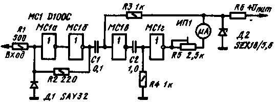
На рисунке приведена схема частотомера, обеспечивающего измерение частоты с точностью не менее 2%. Сигнал любой формы с амплитудой не менее 2 В поступает на вход триггера, выполненного на инверторах MC1a, МС1б. Диод Д1 и резистор R1 обеспечивают выделение положительной полуволны сигнала. Прямоугольные импульсы положительной полярности дифференцируются цепочкой C1R3 и поступают на формирователь длительности импульсов. Средний ток этих импульсов, пропорциональный частоте входного сигнала, измеряется прибором ИП1.

НЧ частотомер на интегральных схемах

Предельная измеряемая частота определяется временем восстановления ждущего мультивибратора. Для указанных на схеме номиналов резисторов и конденсаторов она равна 100 Гц.

В частотомере можно использовать микросхему К155ЛА3 диод серия Д220. стабилитрон КС156А. Сопротивление резистора R6 зависит от напряжения питания. Для напряжения 12В оно равно 200 Ом (0.25 Вт).


Добавил:  Павел (Admin)  
Автор:  Неизвестно 

Вас может заинтересовать:

  1. Цифровой интерфейс к "лазерной рулетке"
  2. Методика проверки трансформаторов (3 способа)
  3. Цифровой генератор шума для акустических измерений
  4. Прибор для измерения величины емкости и тока утечки электролитических конденсаторов
  5. ВЧ мост - панорамный КСВ-метр


    © PavKo, 2007-2018   Обратная связь   Ссылки views: 6095 -- users: 4320 -- web3   Яндекс.Метрика