Портал для радиолюбителей
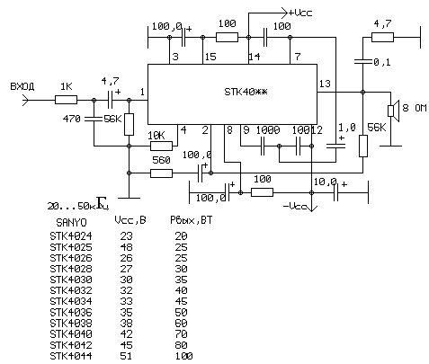
   Усилитель на STK40**
    Главная -> Статьи -> Полупроводниковые усилители низкой частоты -> Усилитель на STK40**

Программы обучения пожарной безопасности 1-pa.ru/obuchenie-po-pozharnoy-bezopasnosti/.

<< Назад в раздел   Распечатать Дата добавления: 2007-09-23 | Просмотров: 10908

схема усилителя на STK40


Добавил:  Павел (Admin)  
Автор:  Неизвестно 

Вас может заинтересовать:

  1. Усилитель мощности с балансным дифференциальным входным каскадом
  2. Простейший 100-ваттный УМЗЧ
  3. Усилитель мощности с полевым транзистором в качестве источника тока для входного каскада и элементами симметрирования выходного каскада
  4. Тепловые искажения в усилителях Hi-Fi
  5. "Несжигаемый" УНЧ для автомагнитолы


    © PavKo, 2007-2018   Обратная связь   Ссылки views: 756 -- users: 723 -- web3   Яндекс.Метрика