Портал для радиолюбителей
   "Несжигаемый" УНЧ для автомагнитолы
    Главная -> Статьи -> Полупроводниковые усилители низкой частоты -> "Несжигаемый" УНЧ для автомагнитолы


<< Назад в раздел   Распечатать Дата добавления: 2007-09-25 | Просмотров: 16255

Больше всего автолюбитель в дороге ценит надежность, в то же время часто случаются поломки "штампованных" импортных автомагнитол. Ниже приводится схема УНЧ, которая заменяет перегоревшую импортную - достаточно подключить вход схемы к регулятору громкости ремонтируемого устройства. После этого не нужно будет разбираться в монтаже, менять вышедшие из строя детали - самая "нежная" часть автомагнитолы - усилитель мощности - станет несжигаемым! Некоторая избыточность в деталях дала схеме два преимущества перед другими аналогичными схемами:
- размах выходного напряжения почти равен напряжению в бортовой сети,
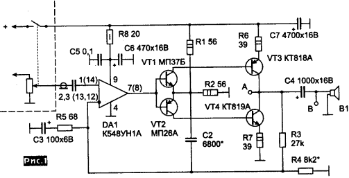
- перегрузку и даже КЗ по выходу усилитель переносит "с улыбкой", не имея сложных электронных схем защиты. На рис. 1 приведена принципиальная схема УНЧ (в скобках указаны выводы микросхемы, задействованные во втором канале), если магнитола действительно, без обмана, стереофоническая. С имеющегося в автомагнитоле регулятора громкости сигнал подводится к прямому входу микросхемы DA1 - операционного усилителя с большим коэффициентом усиления, запасом по верхним частотам, стабилизатором питания входного каскада и защитой выхода от перегрузки. 

Эти свойства двухканальной микросхемы позволили простым путем избавиться от помех по питанию во входном каскаде и просто осуществить стабилизацию выхода по постоянному напряжению, не заботясь о живучести микросхемы. С выхода ИМС сигнал подан на базы двух германиевых транзисторов различной проводимости фазоинверсного каскада VT1, VT2, таким путем искажения типа "ступенька" подавлены без подбора элементов. Эмиттеры упомянутых транзисторов соединены со средней точкой резисторов R1, R2 делителя питающего напряжения для ограничения токов и защиты всех транзисторов данного канала от перегорания. С коллекторов VT1 и VT2 различные полуволны сигнала попадают на базы выходных транзисторов VT3 и VT4, закрепленных на общем радиаторе. В эмиттеры выходных транзисторов включены резисторы R6 и R7, ограничивающие токи в цепях выхода и выходных транзисторов. Эти же резисторы ограничивают сквозной ток при установке в схему неисправного - "пробитого" транзистора. Переменная составляющая выходного сигнала через конденсатор С4 подводится к головке В1. Следует заметить, что "экономить" на емкости этого конденсатора нельзя! Для работы всех каскадов в линейном режиме необходимо по имеющимся головкам В1 ограничить "басы" снижением емкости конденсатора С1 так, чтобы выросла громкость воспроизведения, но не были заметно подавлены нижние частоты. Эту операцию лучше выполнять, прослушивая звучание в салоне автомобиля. Чем больше мы ограничим нижние частоты, которые на плохих головках очень слабо воспроизводятся, тем больше вырастет максимальная неискаженная мощность звука, и снизятся интермодуляционные искажения слышимых частот "неслышимыми" - не воспроизводимыми головками. Отрицательная обратная связь по постоянному и переменному напряжению с выхода на инвертирующий вход передается с делителя R3, R4, подбором R4 выводим режим усилителя на половину питающего напряжения в точке "А".

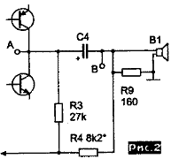
 На рис.2 приведена улучшенная схема этого делителя, в которой R4 соединен по постоянному напряжению с "корпусом", а по переменному - с динамической головкой. При такой схеме подачи обратной связи звуковые искажения на нижних частотах уменьшаются. Резистор R9 здесь нужен для сохранения режима усилителя при отключении динамических головок. Глубину отрицательной обратной связи по звуковым частотам и коэффициент усиления схемы регулируем резистором R5 так, чтобы звучание приемника, а также кассеты со слабым уровнем записи приводило при верхнем положении регулятора громкости к равномерному ограничению осциллограммы, снятой в точке "В" (в это время должны прослушиваться искажения звука). При такой настройке искажения в различных режимах работы не будут слишком большими и, а то же время, будет небольшой запас громкости. В связи с широкополосностью микросхемы и применением низкочастотных германиевых транзисторов для подавления возбуждения по высоким частотам пришлось взять сигнал ООС с эмиттеров VT1 VT2 и подвести его к инверсному входу микросхемы через конденсатор С2 (при правильной компоновке усилителя емкость этого конденсатора можно будет уменьшить, а при неправильной - значительной емкостной связи выходных цепей с "прямым" входом микросхемы - придется емкость С2 увеличить). Возникновение генерации видно на осциллограмме как "раздваивание" кривой напряжения и сопровождается оно резким снижением мощности и качества звука. Для защиты микросхемы от бросков напряжения в бортовой сети (работа системы зажигания, генератора с реле-регулятором) применены элементы R8, С5, С6.

МОНТАЖ

В связи с защищенностью схемы от вредных воздействий в монтаже нет больших ограничений. Одно условие необходимо выполнить обязательно: так как усилитель не инвертирует сигнал, надо хорошо экранировать провод, идущий с регулятора громкости, конденсатор С1 и правильно выбрать общую нулевую точку (соединение корпусов магнитолы и усилителя мощности). Монтаж выполняется в металлической коробочке размерами 100х70х30 или немного большей. Выходные транзисторы крепятся па верхнюю изолированную крышку-радиатор, со схемой они соединяются плоским 5-проводным жгутом. Остальной монтаж выполнен на одной стороне платы из двухстороннего стеклотекстолита (вторая сторона-корпус прижата к стенке коробочки).

На плате вырезаются или вытравляются несколько прямоугольных участков: прямой и инверсный входы микросхемы, питание микросхемы, питание бортовой сети, выход микросхемы и припаянные к нему базы-корпуса VT1 и VT2, цепи обратных связей. Соединения между этими участками лучше выполнить деталями, так чтобы изолированные "островки" не нарушали заземленную поверхность оставшейся платы. Микросхема, у которой откушены лишние выводы, устанавливается на одном краю платы, а выходные конденсаторы - на противоположном. Можно по завершении монтажа накрыть микросхему с входными цепями заземленным прямоугольником из фольгированного стеклотекстолита (изолированной стороной к деталям). Выходные транзисторы в пластмассовом корпусе прижимаются к крышке-радиатору, как обычно. Их коллекторные выводы откусываются, а выводы эмиттеров и баз припаиваются к полоске фольгированного стеклотекстолита (изолирующие дорожки вырезаны или вытравлены). Вывод коллекторов осуществляется через винт, крепящий один из транзисторов, либо крепящий полоску стеклотекстолита. При таком способе монтажа невозможно поломать выводы транзисторов или замкнуть их. Резисторы R6 и R7 можно также монтировать на крышке, а можно и в основном блоке - зависит от габаритов коробочки и деталей.

НАЛАЖИВАНИЕ

Если выполнены подготовительные операции, упомянутые выше, останется так подобрать предохранитель в цепи питания, чтобы при КЗ выхода усилителя предохранитель перегорал не сразу, а через десятки секунд. Схема защищена от перегрузок и коротких замыканий, но лучше, если магнитофон, работающий без контроля авто водителя, в аварийном случае обесточится. В дальнейшем можно подключать к выходу усилителя какие угодно головки в любом количестве. Молчание будет свидетельствовать о неисправной головке, а снижение громкости - о неправильном соединении. Сжечь схему очень непросто, но все же в период налаживания проверьте нагрев выходных транзисторов, резисторов R6 и R7 в режимах максимальной мощности и с коротким замыканием выхода. Напомним, всю работу может испортить неверный выбор точек подсоединения нулевого провода к магнитофону и усилителю мощности, либо слишком большая длина этого провода. Так, один экземпляр я отдал настроенным автолюбителю, который начал "дерзать", увеличивая длину проводов, а потом пришел с жалобой, что "вдруг" стало плохо "играть"!

УМОЩНЕНИЕ ИМЕЮЩЕЙСЯ ИСПРАВНОЙ МАГНИТОЛЫ

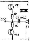
Если вы считаете, что транзисторный УНЧ вашей магнитолы (рис.3) дает маловато мощности, но еще не вышел из строя :-), то работа значительно упрощается (уточним: имеется в виду вариант УНЧ, в котором слабенькие выходные транзисторы прижаты к корпусу-теплоотводу). В самом деле, в схеме есть усилитель с небольшим усилением напряжения (амплитуда неискаженного напряжения около 2 В), цепями ООС и недостаточно мощными выходными элементами. Чтобы получить размах выходного напряжения в пределах питающего (как в схеме рис. 1), необходимо добавить выходной каскад на мощных транзисторах, использовать имеющиеся цепи ООС, при этом подать в последние только примерно третью часть переменного выходного напряжения.

На рис.4 обозначены только вновь введенные элементы. Конденсатор С1, служивший разделительным, как имеющий явно недостаточную емкость, оставляем только в цепи ООС. В цепях коллекторов VT1, VT2 необходимо разрезать токоведущие дорожки. Для соединения "старой" схемы с новым выходным каскадом подходит плоский жгут из 5 проводов, если С1 переносится на новую плату, или из 6, если С1 остается на "старом" месте. Транзисторы VT3, VT4, включенные с общим эмиттером, обеспечивают усиление тока и напряжения и должны иметь примерно равные коэффициенты передачи тока.

Конденсатор С2 является разделительным в цепи динамической головки. Делитель напряжения R5R6 подводит через С1 переменную составляющую выходного сигнала к цепям ООС. Через R7 в эту же точку подводится постоянный потенциал точки соединения коллекторов выходных транзисторов. Можно поэкспериментировать с уменьшением емкости С1 для повышения разборчивости и субъективной громкости при ограничении низших звуковых частот (обязательно проверить, не возникнет ли асимметрия усиления).

НАЛАЖИВАНИЕ

Если выходные транзисторы греются, либо потребляемый в паузе ток завышен, может понадобиться монтаж одного из двух резисторов R8, R9. Если замыкание Э-Б одного из выходных транзисторов резко снижает ток покоя, значит требуется резистор именно в это плечо (подобрать путем увеличения номинала от минимального). В правильно налаженном усилителе средний потенциал средней точки выхода при изменениях уровня входного сигнала почти не изменяется. Второй важный признак правильной настройки - симметричность ограничения синусоиды при большом уровне сигнала и третий - неискаженность синусоиды при подключенной нагрузке при любых уровнях от 0 до максимального (при котором возникает симметричное ограничение) в случае необходимости корректируют R8, R9.

Может оказаться, что небольшие искажения все же остались (мы ведь не переделывали всю схему УНЧ), но даже в этом случае громкость и качество звучания заметно улучшатся, а монтажа все же меньше, чем в схеме рис. 1

Монтаж данной схемы в моем варианте (в магнитоле одна плата, установленная сбоку от магнитофонного блока) легко уместился внутри имеющегося корпуса магнитолы. Плата из фольгированного стеклотекстолита занимает все пространство за лентопротяжным механизмом и крепится к нижней части корпуса. Выходные транзисторы устанавливаются подальше друг от друга так, чтобы П-образная полоса алюминия и луженой жести, соединяющая их корпуса, захватывала побольше воздуха для охлаждения. Для улучшения теплоотвода лучше применить две таких конструкции, прижатые к различным сторонам металлической части транзисторов. В пространстве их необходимо разнести, а "рога" загибать так, чтобы возможно больший объем воздуха соприкасался с радиаторами. Кроме двух точек крепления (коллекторы транзисторов) для механической прочности такой радиатор необходимо припаять к плате в одном-двух местах. Так как плата крепится к корпусу, монтаж деталей выполнен без сверления отверстий [1] -изогнутые выводы деталей припаиваются к участкам платы. В местах крепления платы должен быть нулевой потенциал.

Внимание! Необходимо проследить, чтобы винты, крепящие верхнюю съемную крышку магнитолы, не замыкали на корпус монтаж новой части УНЧ.

Литература. 7. Н. Горейко. Микрофон - без экранов и шумов! - "Радиохобби" N 1.98, с.46


Добавил:  Павел (Admin)  
Автор:  Николай Горейко, г.Ладыжин Винницкой обл. "Радиохобби" N 3.99 

Вас может заинтересовать:

  1. Применение многоканальной усилительной структуры в УМЗЧ с обратной связью
  2. Усилитель на микросхеме TA8251AH (TA8255AH)
  3. Усилитель мощности с балансным дифференциальным входным каскадом
  4. Усилитель 2 х 22W на основе ИМС TDA 1557Q
  5. Тепловые искажения в усилителях Hi-Fi


    © PavKo, 2007-2018   Обратная связь   Ссылки views: 8783 -- users: 8388 -- web3   Яндекс.Метрика