Портал для радиолюбителей
   Усилитель "Сталкер"
    Главная -> Статьи -> Ламповые усилители низкой частоты -> Усилитель "Сталкер"


<< Назад в раздел   Распечатать Дата добавления: 2008-06-18 | Просмотров: 47342

 

Слабость велика, а сила ничтожна.
Сталкер

Часть 1. С чего все начиналось

Сталкер - это усилитель, придающий тонкий винтажный флёр музыкальным тембрам.

История Сталкера началась в конце 2006 года, когда автор стал счастливым обладателем изрядного количества разнообразных октальных ламп. Возникло закономерное желание собрать для себя что-нибудь из классики, тем более, что просто неприлично увлекаться High-End'ом и не иметь собственного лампового усилителя :)

6Н8С + 6П3С - одна из наиболее популярных классических комбинаций ламп, поэтому мой выбор остановился на ней. В мире происходит много вещей, которые кажутся случайными, но в целом все закономерно. Случайный (интуитивный) выбор ламп и схемотехники дал в итоге потрясающий результат! Верьте в себя и полагайтесь на свою интуицию!

Оригинальная схема Сталкера:

 

Схема так проста, что не требует особых пояснений. В качестве выходных трансформаторов применены ТВЗ-1-9, извлеченные из старых ламповых телевизоров. Нижняя частота среза составляет примерно 40 Гц. Трансформаторы с большим Ктр применены специально для получения желаемого спектра искажений.

Антизвонные десятикилоомные резисторы поставлены по принципу "что на столе рядом лежало". Понятно, что для 6Н8С такой резистор не нужен, но просто хотелось исключить возможность паразитной генерации в принципе. Чтобы один раз собрать усилитель и не иметь с ним никаких проблем.

Все маломощные резисторы - МЛТ, остальные - современные китайские пятиваттные. Конденсаторы фильтров имеют аналогичное происхождение, разделительные конденсаторы - БМТ-2 на рабочее напряжение 400 В. Вместо БМТ-2 можно было применить более качественные (герметичные, по крайней мере) МБГП, но в то время я не придал этому особого значения. Вообще, я руководствовался принципом, что лучше поставить сегодня то, что лежит в тумбочке, чем завтра - то, что нужно еще где-то приобрести. Скорость сборки иногда тоже имеет значение! Особенно при дефиците энтузиазма :)

Лампы можно заменить на 6SN7 (6Н8С) и 6L6 (6П3С).

С блоком питания отдельная история.

Высоковольтный выпрямитель построен по схеме удвоения напряжения, т.к. в качестве силового трансформатора применен ТС-160, имеющий сравнительно низковольтные вторичные обмотки. ТС-160 был изъят из телевизора "Березка" :)

В усилителе отдано предпочтение RC фильтрам по той простой причине, что дроссели имеют немаленький размер и солидный вес. Я хотел сделать аппарат минимального размера и веса, поэтому от более эффективных LC фильтров пришлось отказаться. Электронные фильтры имеют для меня меньшую привлекательность, т.к. их применение нарушает принцип максимальной простоты, которым я стараюсь руководствоваться при проектировании своих схем.

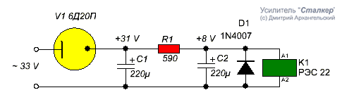
Для задержки анодного напряжения вначале применялась следующая схема:

Время задержки - приблизительно 40 с. Летом 2008 года этот таймер был демонтирован, т.к. без него звук усилителя немного более чистый. Элементарный выключатель анодного напряжения, кроме того, лучше соответствует принципу максимальной простоты. Параллельно контактам выключателя подсоединен резистор 100к (2Вт) для предотвращения самоотравления катодов ламп, которое происходит, если при подключенном накале лампы долго остаются без положительного потенциала на анодах.

Электролитические конденсаторы не шунтированы ничем. Често говоря, мне было просто неинтересно экспериментировать с шунтами из конденсаторов разных сортов.

Настроить низковольтную часть блока питания было несколько сложнее...

Я перепробовал все популярные методы борьбы с фоном. Результат с объективной т.з. был отличный (уровень шума -90 дБ), но субъективно звук был немного грязноват. Поэтому для питания накалов применен стабилизатор напряжения. Максимально допустимый ток для LM317T составляет 1.5 А, поэтому использовано праллельное включение 2-х микросхем. Такой вариант совершенно безопасен, т.к. LM317T имеет встроенный датчик температуры кристалла, который выключает стабилизатор при перегрузке. Обе микросхемы установлены на радиатор от процессора Athlon.

Однополупериодный выпрямитель (ОППВ) накала - единственная большая ошибка, допущенная при проектировании (по причине невнимательности). Дело в том, что ОППВ сильно нагружает силовой трансформатор за счет протекания постоянного тока через его вторичную обмотку. В результате вибрация трансформатора сильно повышается, что дает в итоге более грязный звук за счет микрофонного эффекта 6Н8С.

Диод КД203Г установлен на небольшой радиатор.

Подстроечным резистором R9 можно регулировать напряжение накала в небольших пределах: примерно от 5.7 до 6.5 В. Звучание усилителя при этом немного меняется. Этот интересный эффект можно использовать для тонкой настройки звуковой сигнатуры схемы.

Емкость конденсатора C6 - критичная величина. При увеличении емкости сигнатура усилителя немного менялась, причем субъективно не в лучшую сторону.

Летом 2008 года ОППВ заменен диодным мостиком, который установлен на отдельном небольшом радиаторе. Емкость C6 пришлось уменьшить до 1500 мкФ (для сохранения правильной сигнатуры):

 

Усилитель Сталкер S001.

 

Часть 2. Что получилось в итоге.

Полное название усилителя "Сталкер S001. Устройство для телепортации в Зону." И это не случайно. "Зона" - это то место, где находится комната, в которой исполняются желания. Если вы не в курсе, о чем речь, посмотрите фильм Андрея Тарковского "Сталкер" или прочтите роман братьев Стругацких "Пикник на обочине". Это вам многое прояснит.

После завершения сборки усилитель был подключен к АС, роль которых играли ящики от радиол. Этот вариант был намного лучше, чем применение современных дешевых ширпотребных АС. Тем более, что в радиолах стояли довольно неплохие динамики 4ГД-28.

Так получилось, что спустя примерно год после сборки усилителя я посмотрел в первый раз фильм Андрея Тарковского "Сталкер". Причем звук шел через мой усилитель, который на тот момент еще не имел никакого названия. Я был совершенно потрясен... При этом звук был очень реалистичный.

Очередная случайность, скажете вы. Мог бы и не посмотреть фильм, и тогда ничего бы не произошло... Все в мире закономерно, друзья, все закономерно. Т.к. все случайности ведут нас к определенной цели...

Можно было предположить, что усилитель здесь не при чем. Однако многочисленные эксперименты показали, что реалистичность звука определяется правильным спектром искажений, низким уровнем шумов и высокой детальностью (прозрачностью) звучания. По всем этим параметрам мой усилитель идеально подходит для прослушвания саундтрека фильма Тарковского. По этой причине он и получил соответствующее название.

Усилитель достаточно универсальный, на нем можно слушать записи самых разных жанров - от академической музыки - до панка / этнической музыки / джаза.

 


Часть 3. Зачем нужен новый вариант усилителя.

Проходит время и замечаешь недостатки у тех конструкций, которые с таким воодушевлением были в свое время разработаны и сделаны "в железе". Да, наши конструкции несовершенны, как и многое в этом мире...

Было принято решение попробовать сделать усилитель предельно универсальным. Чтобы можно было слушать музыку практически любых жанров с минимальными искажениями. Переделывать готовый Сталкер не хотелось, поэтому я сделал макет для исследования ламповых сигнатур.

Сигнатура лампы - спектр ее искажений. В макете было испытано несколько десятков советских ламп: двойные триоды, пентоды в триодном включении, комбинированные лампы и даже такая экзотика, как 6Е5С. Режимы ламп варьировались в широких пределах, правда дискретно, посредством замены резисторов в анодной цепи и изменения смещения добавлением батареек в цепь управляющей сетки.

После завершения экспериментов я уже хорошо представлял себе, какой звук можно получить от ламп разных типов. После многочисленных сравнительных прослушиваний мой выбор остановился на комбинации 6Н14П + 6П6С. Усилитель, построенный на этих лампах должен был иметь предельно чистый прозрачный звук (т.е. высокую детальность). Кроме того, спектр искажений должен был получиться предельно нейтральным. Позднее выяснилось, что 6Н1П тоже прекрасно работает в данной схеме.

Полностью уверенный в выборе ламп и собственных силах, я приступил к выбору схемотехники усилителя. Как обычно, схема была получена экзистенциально-сюрреалистическим методом. Т.е. мне трудно объяснить, почему это сделано так, а это - вот так...

Усилитель Сталкер S002 - схема.

Секрет исключительно высокой нейтральности звучания - в комбинации ламп, светодиода и батарейки. И, разумеется, в качественных выходных трансформаторах.

Трансформаторы намотаны на железе ШЛ 16х32. Первичная обмотка состоит из 3-х секций по 635 витков провода ПЭТВ-2 0.23, соединенных последовательно. Вторичная обмотка - 2 секции по 54 витка провода ПЭЛ 0.74, включенные параллельно. Толщина немагнитной прокладки - 0.06 мм. При том, что нижняя частота среза усилителя составляет 38 Гц, субъективные впечатления о качестве баса положительные.

Резисторы, как обычно, МЛТ и современные китайские пятиваттные. Межкаскадные конденсаторы - МБГП. Электролитические конденсаторы не шунтированы ничем.

Схема блока питания очень проста.

Усилитель Сталкер S002 - блок питания.

Силовой трансформатор - от радиолы Урал, излишки напряжения накальных обмоток (7.0 В) гасятся резисторами (на схеме не показаны). Дроссели самодельные: железо ШЛ 12х25, 1850 витков провода ПЭТВ-2 0.23.

Фон достаточно сильный, т.к. не применяются никакие методы его подавления. Несмотря на это (как это ни парадоксально) шум совершенно не мешает комфортному прослушиванию музыки, даже на очень малой громкости.

Усилитель собран в макетном варианте, последующие экземпляры планируется собирать в красивых лакированых фанерных корпусах. Цвет оформления - под красное дерево, стиль - ретро 1950-х.

Усилитель Сталкер S002.

 

Усилитель Сталкер S002. Вид на монтаж.

Для тестирования использовалась акустика 6АС-519 от электрофона Ноктюрн. Звук более чем хороший для акустики такого уровня. Намного лучше, чем у ящиков от советских радиол I - II классов.

При самостоятельном повторении конструкции придерживайтесь описания, приведенного здесь. В таком случае Вы получите классический по сигнатуре ламповый звук, но со значительно меньшими искажениями. Вместо 6Н1П можно поставить 6Н14П (внимание, другая цоколевка), режим при этом следующий: Ua = 100 В, Ia = 7.0 мА, Ug = -1.5 В. 6П6С можно заменить на 6П1П, лампы с индексами В и ЕВ в данной схеме работают хуже (уменьшается детальность звучания).

 

Часть 4. Подведение промежуточных итогов.

И когда наступит День Серебра,
И кристалл хрусталя будет чист,
И тот, кто бежал, найдет наконец покой,
Ты встанешь из недр земли, исцеленный,
Не зная, кто ты такой.
Я хотел бы быть рядом, когда
Всадник протянет тебе
Еще нетронутый лист.
(БГ, 1986)

Итак, проделана чрезвычайно интересная работа: испытание ламповых сигнатур, выбор схемотехники, настройка новой схемы... Результат превзошел все ожидания: звук идеально нейтральный. Одинаково хорошо звучит музыка Баха, Мессиана, Кино, Аквариума, Led Zeppelin, Шнитке, Булеза, Шумана... При том, что по сигнатуре аппарат по-прежнему можно отнести к классике лампового усилителестроения. Что и требовалось, т.к. Сталкер изначально планировался в ретро стиле.

Разумеется, новый вариант Сталкера (S002) был тщательно протестирован на саундтреке фильма Андрея Тарковского. Звук стал еще более реалистичным и детальным по стравнению с первым вариантом усилителя. При том, что характер звучания остался прежним.

Приятной неожиданностью оказалось то, что S002 почти идеально подходит и к фильму Солярис Андрея Тарковского. Хотя, на мой взгляд, усиления эффекта фильма можно достичь подъемом ВЧ и увеличением 3-й гармоники (разбалансировкой PP), нейтральный усилитель тоже отлично подходит для сопровождения этого фильма. Последний вариант даже, возможно, лучше, т.к. эквалайзеры неуниверсальны по определению. Те настройки, которые хорошо подходят для одной записи, для другой, скорее всего, окажутся неприемлемыми.

 

Часть 5. "Веди меня туда, где начнется джаз..."

Для полного контроля над звуком нужны самодельные высококачественные АС, идеально согласованные с собственными усилителем, комнатой, музыкальными предпочтениями. Без правильных АС Top-End система невозможна.

В настоящее время используется трехполосная несимметричная АС, построенная на динамиках 4ГД-28 и 4ГД-36. Внешнее оформление - щит. Остальное - секрет фирмы:)

Сталкер в сочетании с АС моей собственной конструкции - это моя Top-End система, т.к. звук абсолютно нейтральный, ЭМОЦИИ передаются хорошо и я на 100% удовлетворен достигнутым результатом. Опыты в стиле Audio High-End завершены, теперь можно плотно заняться ламповыми регенеративными приемниками.

Усилители Сталкер S001 (слева), S002(справа) и ГУ-81(в центре).

Хочется поблагодарить всех тех, кто помогал мне своими добрыми советами. Особая благодарность Роману Ткаченко за помощь в создании трансформаторов.

Удачи и хорошего звука!

Дмитрий Архангельский, 25 декабря 2008 г.

 


Добавил:  Павел (Admin)  
Автор:  Дмитрий Архангельский 

Вас может заинтересовать:

  1. Двухтактный усилитель из телевизионных деталей
  2. Усилитель для «тяжелых» колонок на ГУ-50
  3. Расчет однотактного триодного усилителя
  4. Простой способ настройки двухтактного лампового усилителя.
  5. Ламповый УМЗЧ с глубокой ООС (Pвых = 80 Вт)


    © PavKo, 2007-2018   Обратная связь   Ссылки views: 145 -- users: 144 -- web3   Яндекс.Метрика