Портал для радиолюбителей
   СОС - сигнализатор отключения сети
    Главная -> Статьи -> Блоки питания, зарядные устройства -> СОС - сигнализатор отключения сети


<< Назад в раздел   Распечатать Дата добавления: 2008-07-16 | Просмотров: 9265

    Неожиданные отключения сетевого напряжения стали еще одной (в дополнение к двум известным) российской бедой. Главное в такой ситуации - вовремя узнать об отключении и принять меры - перейти на резервное питание (если есть возможность) или просто убрать из неработающего холодильника скоропортящиеся продукты. Это легко сделать в вечернее время, когда об отсутствии напряжения сигнализируют погасшие светильники. Днем или поздней ночью никаких явных признаков отключения нет и его можно своевременно не заметить. Описываемое в статье устройство подает звуковой сигнал продолжительностью более минуты через несколько секунд после пропадания напряжения в сети.


    Предлагаемый сигнализатор (его схема показана на рис. 1) построен по тому же принципу, что и описанный в статье А. Долгого "Сторожевой пес для компьютера" ("Радио", 2000, №2, с.27).

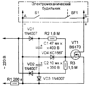
Принципиальная схема сигнализатора

Рис.1. Принципиальная схема сигнализатора

Сетевое напряжение поступает на два выпрямителя. На выходе первого (VD1C1) - напряжение положительной полярности, второго (VD2C2) - отрицательной. Номиналы резисторов R2 и R3 выбраны таким образом, что полевой транзистор VT1 закрыт, цепь звонка электромеханического будильника разорвана. При пропадании сетевого напряжения конденсаторы С1 и С2 начинают разряжаться. Но так как их емкость различна, разрядка происходит с неодинаковой скоростью. Напряжение отрицательной полярности (рис. 2, кривая 1) спадает быстрее, чем положительной (кривая 2), поэтому напряжение на затворе транзистора VT1 (кривая 3) быстро растет. Как только оно (в момент t1) превысит пороговое значение (Uп), транзистор VT1 откроется и замкнет цепь звонка.

Временные диаграммы

Рис.2. Временные диаграммы

    Благодаря стабилитрону VD4 напряжение на затворе транзистора ограничено безопасными для последнего значениями 0 и Uст (без стабилитрона оно могло бы достичь 100 В и более, как показано штриховой линией). В момент t2, когда конденсатор С1 почти полностью разряжен, транзистор VT1 закрывается, выключая звонок. При указанных на схеме номиналах резисторов и конденсаторов продолжительность звукового сигнала - более минуты.

    Основная функция резистора R1 - ограничить ток при случайном прикосновении к проводам, идущим от сигнализатора к будильнику, или соединении их с заземленным предметом. Этот резистор убережет от тяжелых последствий и в случае пробоя одного из конденсаторов.

    Задача диода VD3 - не допустить "переполюсовки" напряжения на конденсаторе С2. В отсутствие диода это может произойти в результате перераспределения заряда между конденсаторами после отключения сети.

    Сигнализатор собран в корпусе зарядного устройства сотового телефона. Имеющаяся в нем печатная плата заменена показанной на рис.3 с установленными на ней деталями сигнализатора. Конденсаторы - импортные, резисторы - МЛТ-0,5 или другие с предельным рабочим напряжением не менее 350 В. Стабилитрон - любой маломощный с напряжением стабилизации 5...15 В (не более допустимого напряжения затвор-исток транзистора VT1). Диоды 1N4007 можно заменить отечественными КД105Г или другими выпрямительными с допустимым обратным напряжением не менее 600 В.

Печатная плата

Рис.3. Печатная плата

    К сожалению, найти равноценную отечественную замену полевому транзистору BS170 не удалось. Можно попробовать установить вместо полевого транзистора биполярный, как это сделано в устройстве, описанном в упомянутой выше заметке. Однако в этом случае придется либо применить транзистор с очень большим (несколько сотен) статическим коэффициентом передачи тока h21Э, либо уменьшить номиналы резисторов R2, R3, что приведет к пропорциональному сокращению длительности сигнала. Использовать составной транзистор не рекомендуется, так как слишком большое падение напряжения на нем в открытом состоянии может привести к несрабатыванию звонка будильника.

    В будильнике необходимо найти показанные на рис.1 точки А и Б (S1 - выключатель звонка, SF1 - контакты часового механизма, замыкающиеся в момент срабатывания будильника). Неплохо убедиться, что соединение их отрезком провода приводит к подаче звукового сигнала. Остается вольтметром определить полярность напряжения между этими точками и, соблюдая ее, подключить сигнализатор.

    Собранное устройство включают в любую свободную розетку. Будильник может продолжать выполнять свою основную функцию - звонить в установленное время. Сигналом пропадания напряжения в сети послужит срабатывание будильника в неурочный час.

    Конечно, в качестве источника звукового сигнала можно использовать не только будильник, но и, например, пьезоизлучатель с встроенным генератором и автономным источником питания, электронный узел от озвученной детской игрушки и т.п.

Автор: А.СЕРГЕЕВ, г.Москва


Добавил:  Павел (Admin)  
Автор:  А.СЕРГЕЕВ, г.Москва 

Вас может заинтересовать:

  1. Блок питания 0..12 вольт
  2. Бестрансформаторный преобразователь напряжения
  3. Переделка блока питания для ПК POWER MAN IW-P350 в блок питания для трансивера 13,8V 22А
  4. Зарядное устройство для гальванических элементов
  5. Способ намотки тороидальных силовых трансформаторов


    © PavKo, 2007-2018   Обратная связь   Ссылки views: 15901 -- users: 15600 -- web3   Яндекс.Метрика