Портал для радиолюбителей
   Радиолюбительский блок питания
    Главная -> Статьи -> Блоки питания, зарядные устройства -> Радиолюбительский блок питания


<< Назад в раздел   Распечатать Дата добавления: 2008-08-23 | Просмотров: 19922

Рано или поздно перед радиолюбителем возникает проблема изготовления универсального блока питания (БП), который пригодился бы на «все случаи жизни». То есть имел достаточную мощность, надёжность и регулируемое в широких пределах выходное напряжение, к тому же защищал нагрузку от «чрезмерного потребления» тока при испытаниях и не боялся коротких замыканий.
Предлагается, по мнению автора, наиболее удовлетворяющий этим условиям достаточно простой для повторения БП, обеспечивающий стабилизированное напряжение 1 ,5-24 В при выходном токе до ЗА. Кроме того, он может работать в режиме источника тока с возможностью плавной регулировки тока стабилизации в пределах 10-100 мА или с фиксированными значениями тока 0,1 А, 1 А, 3 А.

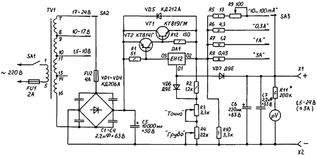
Схема блока питания

Рассмотрим схему блока питания(см.рис.). Основой её является традиционная схема стабилизатора напряжения, «сердцем» - микросхема КР142ЕН12, которая в настоящее время доступна широкому кругу радиолюбителей. В качестве силового трансформатора выбран довольно мощный унифицированный накальный трансформатор ТН-56, который имеет четыре вторичные обмотки с допустимым током 3,4 А и напряжением каждой 6,3 В. В зависимости от требуемого выходного напряжения переключателем SA2 подключаются две, три или четыре последовательно соединённые обмотки. Это необходимо для уменьшения мощности, рассеиваемой на регулирующем элементе, а, следовательно, повышения КПД устройства и облегчения температурного режима. Действительно, в самом неблагоприятном режиме, при максимальной разности между входным и выходным напряжениями (конечно, если выходное напряжение соответствует диапазону, указанному переключателем SA2) и максимальном токе ЗА рассеиваемая на регулирующем элементе мощность составит: Ppacc.max = (Uвx.max-2Uvd-Uвых.min)*Imax (1) Ррасс.max = (12,6-2*0,7-1,5)*3 = 29,1 Вт, где Uвх.max - максимальное входное действующее напряжение данного диапазона; Uвых.min - минимальное выходное напряжение данного диапазона; Uvd - падение напряжения на диоде выпрямительного моста. Легко проверить, что без разделения выходного напряжения на диапазоны рассеиваемая регулирующим элементом мощность достигает 70 Вт.
Переменное напряжение выпрямляется диодным мостом VD1-VD4 и сглаживается на конденсаторе С5. Предохранитель FU2 защищает трансформатор при выходе из строя диодов выпрямителя. Транзисторы VT1, VT2 служат для увеличения выходного тока БП и облегчения режима работы интегрального стабилизатора DA1. Резистором R1 задаётся ток через DA1, открывающий VT2:
IDA1 = Uбэvt2/R1 = 0,7/51 = 0,014 А, (2)
где Uбэvt2 - открывающее напряжение эмиттер-база транзистора VT2. При токе 14 мА микросхема DA1 может работать без радиатора. Для повышения стабильности выходного напряжения регулирующее напряжение снимается с линейки резисторов R2-R4, подключенной к выходу микросхемы и подаётся на «управляющий» вывод 01 DA1 через развязывающий диод VD6. Регулировка выходного напряжения осуществляется резисторами: R4 - «ГРУБО» и R3 - «ТОЧНО». Стабилизатор тока выполнен на DA1, токозадающих резисторах R5-R9 и развязывающем диоде VD7. Выбор необходимого дискретного тока стабилизации осуществляется переключателем SA3. Кроме того, на пределе «10-100 мА» возможна плавная регулировка тока резистором R9. При необходимости можно изменить ток стабилизации, изменив номиналы задающих резисторов используя формулу:
R = 1,35/Iстаб, (3)
где R - сопротивление токозадающего резистора, Ом; Iстаб - ток стабилизации, А. Мощность токозадающих резисторов определяется по формуле:
Р = I*I*R, (4)
где I - ток стабилизации диапазона; R - сопротивление резистора. Реально мощность токозадающих резисторов из соображения надёжности сознательно увеличена. Так резистор R8 типа С5-16В выбран мощностью 10 Вт. В режиме стабилизации тока (переключатель SA3 в положении «ЗА») на резисторе рассеивается мощность 3,8 Вт. И если даже поставить пятиваттный резистор, то его загрузка по мощности составит 72% от максимально допустимой. Аналогично R7 типа С5-16В имеет мощность 5 Вт, но также можно применить МЛТ-2. Резистор R6 типа МЛТ-2, но можно поставить МЛТ-1. R9- проволочный переменный резистор типа ППЗ-43 мощностью 3 Вт. R5 типа МЛТ-1. Эти резисторы надо располагать так, чтобы они охлаждались наилучшим образом и не грели по возможности другие элементы схемы, а также друг друга. Для наглядности регулировки (устанавливаемого тока) на лимбе резистора R9 делают отметки 10, 20, 50, 75 и 100 мА, воспользовавшись внешним миллиамперметром (тестером), подключив его непосредственно к гнёздам БП.
Дополнительные удобства при работе с БП обеспечивает вольтметр pV, в качестве которого используется микроамперметр типа М95 с током полного отклонения 0,15 мА.
Сопротивление резистора R11 подбирается так, чтобы конечному значению шкалы соответствовало напряжение 30 В. Также можно использовать любую другую измерительную головку с током полного отклонения до 1,5 мА, подобрав токоограничительный резистор R11.
В качестве переключателей SA2, SA3 используются галетные - типа 11П3НМП. Для увеличения допустимого коммутируемого тока эквивалентные выводы трёх галет запараллелены. Фиксатор установлен в зависимости от количества положений.
Конденсатор С5 сборный и состоит из пяти параллельно включенных конденсаторов типа К50-12 ёмкостью 2000 мкФ х 50 В.
Транзистор VT1 установлен снаружи на радиаторе площадью 400 см2. Его можно заменить на КТ803А, КТ808А, VT2 может быть заменён на КТ816Г. Пару транзисторов VT1, VT2 можно заменить одним КТ827А, Б, В или Д. Диоды VD6, VD7 любые, лучше германиевые с меньшим прямым падением напряжения и обратным не менее 30 В. Диоды VD1 -VD4 типа КД206А, КД202А, Б, В или аналогичные устанавливаются на радиаторах.
При самостоятельном изготовлении трансформатора TV1 можно руководствоваться методикой, описанной в [3]. Габаритная мощность трансформатора должна быть не менее 100 Вт, лучше 120Вт. При этом можно будет домотать ещё одну обмотку напряжением 6,3 В. В этом случае добавится ещё один диапазон 24 - 30 В, что обеспечит при токе нагрузки 3 А диапазон регулирования выходного напряжения 1,5-30 В.
Наладка блока питания проводится по известной методике и особенностей не имеет. Правильно собранный БП начинает работать сразу. При работе с БП вначале переключателем SA2 выбирают необходимый диапазон выходного напряжения, резисторами «ГРУБО» и «ТОЧНО» выставляют требуемое выходное напряжение, ориентируясь по показаниям встроенного вольтметра. Переключателем SA3 выбирают предел ограничения тока и подключают нагрузку. Следует отметить, что при всей простоте схемы данный блок питания совмещает два устройства: стабилизатор напряжения плюс стабилизатор тока. БП не боится коротких замыканий и даже может защитить элементы подключаемого к нему электронного устройства, что очень важно при проведении различных испытаний в радиолюбительской практике.

ЛИТЕРАТУРА
1. Нефёдов А.В., Аксёнов А.И., Элементы схем бытовой радиоаппаратуры, микросхемы: Справоч-ник.-М: Радиосвязь, 1993.
2. Акимов Н.Н., Резисторы, конденсаторы, трансформаторы, дроссели, коммутационные устройства РЭА: Справочник.-Минск.: Беларусь, 1994.
3. Полупроводниковые приемно-усилительные устройства: Справочник радиолюбителя/Р.М.Терещук, К.М.Терещук.-Киев: Наукова думка, 1988.

Радиохобби 05-1999


Добавил:  Павел (Admin)  
Автор:  Неизвестен (Радиохобби 05-1999) 

Вас может заинтересовать:

  1. Преобразователь напряжения 12/220 - 50 Гц
  2. Зарядное устройство-автомат
  3. Защита блока питания от КЗ
  4. Простой блок питания 5В, 0,5А
  5. Суперэкономичный источник опорного напряжения с применением ГСТ на полевом транзисторе в микротоковом режиме


    © PavKo, 2007-2018   Обратная связь   Ссылки views: 16016 -- users: 15713 -- web3   Яндекс.Метрика