Портал для радиолюбителей
   ДВА СИНУСОИДАЛЬНЫХ ГЕНЕРАТОРА НА ЛОГИКЕ
    Главная -> Статьи -> Измерительная техника -> ДВА СИНУСОИДАЛЬНЫХ ГЕНЕРАТОРА НА ЛОГИКЕ


<< Назад в раздел   Распечатать Дата добавления: 2008-11-14 | Просмотров: 26739

ДВА СИНУСОИДАЛЬНЫХ ГЕНЕРАТОРА НА «ЛОГИКЕ»

Радиоконструктор 2007 №11

Обычно, генераторы низкочастотных синусоидальных сигналов строят на операционных усилителях. Но логические элементы тоже могут работать в аналоговом режиме -в качестве усилителей. В литературе эта тема затрагивалась неоднократно, но в основном это были схемы усилителей аналоговых сигналов (усилители НЧ на КМОП-микросхемах, приёмники прямого усиления и т.п.). Но любой усилитель, даже сделанный из логических элементов, можно превратить в генератор, - все дело в обратной связи...

На рисунке 1 приводится схема синусоидального генератора НЧ фиксированной частоты, реализованного на двух логических инверторах микросхемы К561ЛН2. Инверторы переведены в аналоговый режим с помощью ООС на резисторах R1 и R3. каждый из которых включен между входом и выходом инвертора. Полученные таким образом усилители включены последовательно (как два каскада) через резистор R4. Причем, коэффициент передачи первого каскада зависит от соотношения сопротивлений R1 и R2. Так как эти резисторы одинаковы, - коэффициент передачи первого каскада равен единице Коэффициент передачи второго каскада определяется соотношением сопротивлений R4 и R3, и его можно подстраивать резистором R4.

sine generator

Резисторы R1-R2 вместе с ёмкостями С1 и С2 образуют мост Вина, настроенный на некоторую частоту которая определяется по известной формуле:

F=1/(RC), где R=R1=R2, С=С1=С2.

Чтобы получить неограниченную и неискаженную синусоиду нужно отрегулировать соответствующим образом коэффициент передачи усилителя под строенным резистором R4. В данной схеме, при питании от источника напряжением 9V наилучшая форма синусоиды получается при её действующем значении около 1V.

Этот генератор, хотя и выполнен на логических элементах, является чисто аналоговым, и его выходной продукт не содержит каких-то импульсных составляющих или ступенчатого напряжения, нуждающихся в фильтрации.

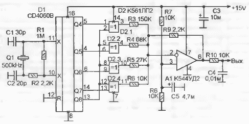
На рисунке 2 показана схема цифрового кварцевого синусоидального генератора, вырабатывающего синусоидальное напряжение частотой 976,5625 Гц (при частоте кварцевого резонатора 500 кГц). Здесь синусоидальное напряжение формируется из прямоугольных импульсов с помощью ЦАП на элементах микросхемы D2 и резисторах. Период состоит из 32-х ступенек. Окончательно выходной сигнал формируется операционным усилителем А1, и включённой на его выходе RC-цепочкой. которая сглаживает ступеньки, образующие синусоиду.

sine generator

Частота выходной синусоиды будет в 512 раз ниже частоты кварцевого резонатора или входных импульсов, которые, при работе от внешнего источника импульсов, можно подавать на вывод 11 D1. При этом, детали R1, R2, Q1, С1, С2 исключаются

Схема привлекательна тем, что позволяет получить синусоидальный низкочастотный сигнал кварцевой стабильности частоты.


Добавил:   ()  
Автор:  Unknown 

Вас может заинтересовать:

  1. Цифровой генератор шума для акустических измерений
  2. ИЗМЕРИТЕЛЬ ТОЛЩИНЫ ПОЛИМЕРНОЙ ПЛЁНКИ
  3. ВЧ приставка к осциллографу
  4. Прибор для измерения величины емкости и тока утечки электролитических конденсаторов
  5. Счетчик витков для намотки трансформатора с применением компьтерного LPT-порта


    © PavKo, 2007-2018   Обратная связь   Ссылки views: 13705 -- users: 13127 -- web3   Яндекс.Метрика