Портал для радиолюбителей
   КВ-ПРИЁМНИК ПРЯМОГО УСИЛЕНИЯ
    Главная -> Статьи -> Радиоприемники -> КВ-ПРИЁМНИК ПРЯМОГО УСИЛЕНИЯ


<< Назад в раздел   Распечатать Дата добавления: 2008-11-15 | Просмотров: 28878

КВ-ПРИЁМНИК ПРЯМОГО УСИЛЕНИЯ

Радиоконструктор №12 2006

Приёмники прямого усиления не отличаются высокой чувствительностью и селективностью, поэтому, схемы прямого усиления очень редко используются для приёма в радиовещательных КВ-диапазонах. Обычно приёмник прямого усиления, - это несложное средство для приёма местных радиостанций на средних или длинных волнах.

И все же, существуют способы повышения чувствительности и селективности приёмника прямого усиления, один из которых, - введение регулируемой положительной обратной связи в УРЧ. Способ состоит в том, что уровень положительной обратной связи (ПОС) в каскаде усиления РЧ устанавливают таким, чтобы он находился на грани возбуждения. Оперируя органами настройки входного контура и регулировки глубины ПОС можно достигнуть чувствительности и селективности достаточной для уверенного приёма удалённых радиостанций в KB радиовещательных диапазонах.

Приёмники, выполненные по такой схеме были широко распространены до Великой Отечественной Войны. Их широкое распространение было следствием значительно более низкой цены, чем супергетеродинного приёмника аналогичной чувствительности и селективности. Главный недостаток - в необходимости тщательной установки глубины ПОС для приёма каждой конкретной радиостанции.

image

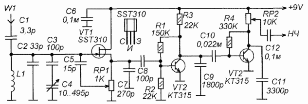
Принципиальная схема приёмного тракта такого типа, выполненного на более современной элементной базе показана на рисунке. Первый усилительный каскад выполнен на полевом транзисторе VT1. Входной сигнал выделяется контуром L1-C2-C3-C4 и поступает на его затвор. Транзистор включён по схеме с общим стоком Положительная обратная связь осуществляется с затвора на исток через конденсатор С5. Глубина ПОС устанавливается переменным резистором RP1, регулирующим степень связи через С5 между затвором и истоком VT1. Конденсатор С7 снижает вероятность неконтролируемого самовозбуждения.

На транзисторе VT2 выполнен второй каскад усиления, по схеме с общим эмиттером. С9 необходим для уменьшения склонности каскада к самовозбуждению.

Третий каскад на транзисторе VT3 выполняет функции третьего каскада УРЧ и детектора. Продетектированный сигнал фильтруется конденсатором С11. Резистор RP2 служит регулятором громкости. С него сигнал можно подать на вход любого УНЧ.

Приёмник охватывает два радиовещательных KB диапазона, - 41 и 49 метров.

В качестве контурной катушки L1 используется готовый высокочастотный дроссель индуктивностью 5 мкГн. Катушка не подстраивается. Переменный конденсатор С4 - одна секция переменного конденсатора 2х10...495 пф с воздушным диэлектриком. Такие конденсаторы использовались в ламповых радиолах и приёмниках. Если нет именно такого, - сойдет любой другой от приёмника. Но желательно, всё же, с воздушным диэлектриком. Если это будет популярный конденсатор ёмкостью 2х5...260пф нужно обе его секции включить параллельно. Или соответствующим образом изменить С3.

Антенна, - отрезок монтажного провода длиной около двух метров.

Транзисторы КТ315 можно заменить на КТ3102, транзистор SST310 на J310, Т310 или КП302, КП303.

Эксперименты по приёму KB проводил в сельской местности (район Ладожского озера). В ночное время был возможен приём многих дальних КВ-радиовещательных станций.

Иванов А.


Добавил:   ()  
Автор:  Иванов А. 

Вас может заинтересовать:

  1. Тракт ПЧ ЧМ автомагнитолы на микросхемах
  2. Детектор
  3. Радиоприемник на микросхеме UA04XA01
  4. Радиоприемник на микросхеме TDA7000 (174XA42)
  5. Цифровой FM стерео приемник 60-110 МГц с микропроцессорным управлением


    © PavKo, 2007-2018   Обратная связь   Ссылки views: 13133 -- users: 12933 -- web3   Яндекс.Метрика