Портал для радиолюбителей
   ДЕТЕКТОР ПО НЕОБЫЧНОЙ СХЕМЕ
    Главная -> Статьи -> Радиоприемники -> ДЕТЕКТОР ПО НЕОБЫЧНОЙ СХЕМЕ


<< Назад в раздел   Распечатать Дата добавления: 2008-11-16 | Просмотров: 11543

ДЕТЕКТОР ПО НЕОБЫЧНОЙ СХЕМЕ

ЮТ 1993 №3

Попадёт к радиолюбителю микросхема - сборка слаботочных диодов, и он в недоумении - к чему бы ее приспособить? Диоды помощнее сгодились бы для выпрямительного мостика, а эти? Подскажем - подобная сборка способна сыграть роль... трансформатора в карманном приёмнике, если собрать детектор по необычной схеме с многократным умножением напряжения (рис. 1). Уровень сигнала на выходе такого диодно-ёмкостного умножителя заметно выше, чем у обычных одно- и двухполупериодных диодных детекторов. Кроме того, благодаря большему входному сопротивлению такой детектор слабо нагружает предшествующие каскады УРЧ и значительно улучшает избирательность. Это особенно ценно для простых одноконтурных приёмников прямого усиления. Если в местных условиях нет необходимости в повышении избирательности приёма, можно существенно увеличить количество витков катушки связи с антенным контуром; сопутствующий рост подаваемого на УРЧ сигнала позволит в ряде случаев уменьшить число каскадов усилителя. Для лучшего согласования с таким детектором первый каскад УЗЧ следует сделать с повышенным входным сопротивлением.

Detector - multipler

Приёмник

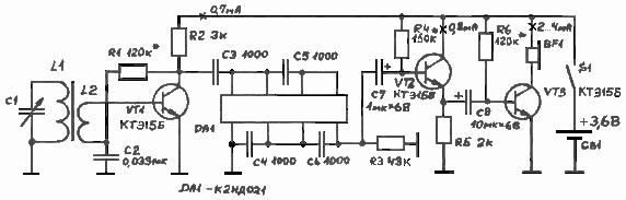
Те, кто хотел бы поэкспериментировать с необычным типом детектора, могут собрать простой радиоприёмник согласно рисунку 2. Смонтированный в малогабаритной плоской коробочке, он может стать вашим хорошим спутником. Расскажем коротко о схеме. Транзистор VT1 работает в каскаде усиления радиочастоты, выделенной контуром LI, C1. Диодная сборка DA1 совместно с конденсаторами C3-C6 образует 4-каскадный умножитель. В усилителе звуковых частот первый каскад на транзисторе VT2 обеспечивает повышенное выходное сопротивление, VТ3 - выходной, нагружен телефоном BF1. Источником питания CD1 могут служить три дисковых аккумулятора Д-0,1 или два-три элемента 316. Стержень магнитной антенны из феррита марки 400НН или 600НН длиной 80-100 мм. Катушки наматываются проводом ПЭЛШО-0,2, количество витков L1-70, L2-7. Постоянные резисторы типа МЛТ - 0,125, конденсаторы радиочастотные - КПМ, КЛС; оксидные - К53-1. Для настройки лучше использовать миниатюрный односекционный КПЕ, но можно обойтись подстроечным керамическим КПК-2 с максимальной ёмкостью 100-150 пФ. Миниатюрный телефон типа ТМ-2, ТМ-4.

Экспериментируя с детектором, исследуйте влияние величины ёмкости конденсаторов C3-C6 на эффективность приема.

Ю. ГЕОРГИЕВ


Добавил:   ()  
Автор:  Ю. ГЕОРГИЕВ 

Вас может заинтересовать:

  1. Простой приемник на 144...146 МГц
  2. Сверхрегенеративный приемник на барьерном генераторе ВЧ с ОБ
  3. Радиоприемник "Бархан"
  4. УКВ радиоприемник на КХА-058
  5. Высокая чувствительность приемника, простыми методами


    © PavKo, 2007-2018   Обратная связь   Ссылки views: 5636 -- users: 3967 -- web3   Яндекс.Метрика