Портал для радиолюбителей
   ЭЛЕКТРОННАЯ ШКАЛА ДЛЯ РАДИОПРИЁМНИКОВ
    Главная -> Статьи -> Радиоприемники -> ЭЛЕКТРОННАЯ ШКАЛА ДЛЯ РАДИОПРИЁМНИКОВ


<< Назад в раздел   Распечатать Дата добавления: 2008-11-26 | Просмотров: 20897

ЭЛЕКТРОННАЯ ШКАЛА ДЛЯ РАДИОПРИЁМНИКОВ

Радиоконструктор 2003 №10

Радиолюбительское конструирование довольно специфическое хобби, по тому что, радиолюбителю намного проще спаять сложную схему, чем сделать простое механическое устройство. Наглядный пример - конструирование радиоприёмника. Вся схема может быть очень хорошо собрана и отлажена, но шкально-верньерное устройство всё портит. Требуются какие-то шкивы, ролики, пружинки. А взять их негде. Приходится что-то подбирать, что-то подтачивать, подпиливать использовать детали от детского конструктора, поломанного будильника, и т.п. В результате получается неказистая и крайне не долговечная конструкция, которая всё время скрипит и заедает. К тому же, времени на неё уходит в несколько раз больше, чем на сборку, монтаж и налаживание самой схемы. Конечно, можно сказать, что необходимо освоить "параллельные специальности", но мы же "электронищики", а не "механики". Поэтому нам проще собрать электронную схему чем механический верньер.

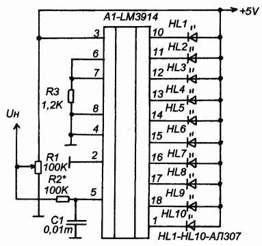
Используя многооборотные переменные резисторы (такие, как применялись в узлах фиксированных настроек советских цветных телевизоров) и микросхемы шкальной индикации типа LM3914 можно сделать неплохое электронно-механическое верньерно-шкальное устройство для самодельного радиоприёмника, которое будет надёжным, современным и очень простым (с точки зрения радиолюбителя, конечно).

image

Рис.1

Принципиальная схема такого устройства показана на рисунке 1. Микросхема А1 включена в режиме индикации перемежающейся светящейся точкой (вывод 9 никуда не подключён). Если вывод 9 подключить к выводу 3 (к + питания), то индикация будет светящимся столбом, это может быть и красиво, но экономически не выгодно, потому что будет постоянно включено несколько светодиодов. а в одном из крайних положений шкалы, вообще, все десять. Ток потребления, при этом, будет слишком высок для батарейного питания. А так, со светящейся точкой, постоянно горит только один светодиод и дополнительный ток такой же, как от светодиодного индикатора точной настройки или включения питания.

Механическая часть получается очень простой, - нужно только подобрать подходящую ручку и нацепить её на маленькую дисковую торцевую ручку многооборотного переменного резистора. Шкала состоит из линейки светодиодов, расположенных по краю печатной платы слева от переменного резистора настройки.

image

Рис.2

Разводка печатной платы и её монтажная схема приводится на рисунке 2. Печатная плата устанавливается на передней панели корпуса радиоприёмника. Плата располагается перпендикулярно панели и вверх печатными дорожками. В самой передней панели должно быть прямоугольное прозрачное окно размерами, примерно, 55x5 мм. Проще всего оцифровать шкалу таким образом: необходимо подготовить рисунок шкалы на персональном компьютере. Проще всего это сделать в текстовом редакторе Word любой версии (редактор имеет разметку страницы с линейками в миллиметрах по горизонтали и вертикали). Затем приобрести прозрачную плёнку типа Transparencies, и распечатать на ней при помощи лазерного принтера подготовленный рисунок шкалы. Затем вырезать рисунок шкалы и приклеить его на внутреннюю сторону прозрачного окна при помощи скотч-ленты.

Конечно, можно выполнить шкалу и гравировкой с заполнением чёрной краской, или фотоспособом. Все зависит от конкретных "технологических" возможностей. Однако, сейчас, вариант с лазерным принтером наиболее доступный (если нет компьютера дома, то его можно найти на работе, в вузе или в интернет-кафе).

Переменный резистор R1 - орган настройки, это многооборотный переменный резистор типа СП3-36. Светодиоды АЛ307 можно заменить любыми другими малогабаритными светодиодами.

С движка переменного резистора R1 напряжение поступает на варикап приёмника.

Налаживание схемы состоит в подборе номинала резистора R2 таким образом, чтобы при вращении ручки резистора R1 от одного предельного положения до другого поочерёдно зажигались и гасли все светодиоды. Причём, в крайних положениях R1 горели крайние светодиоды.

Шкала может питаться напряжением от 4 до 15V. В такой схеме питания как на рисунке 1 желательно питать шкалу от стабилизированного источника. Или нужно на резистор R1 подавать напряжение от стабилизированного источника (например, со стабилитрона), а саму микросхему А1 и светодиоды питать от нестабилизированного источника.

Иванов А.


Добавил:   ()  
Автор:  Иванов А. 

Вас может заинтересовать:

  1. Переделка китайского приемника для прослушивания жучков
  2. Усилитель высокой частоты
  3. Сверхрегенеративный приемник на барьерном генераторе ВЧ с ОБ
  4. Приемник на 28...29,7 МГц
  5. Диодный радиоприемник на 65...130 МГц


    © PavKo, 2007-2018   Обратная связь   Ссылки views: 3117 -- users: 2805 -- web3   Яндекс.Метрика