Портал для радиолюбителей
   Простой телефонный "жучок"
    Главная -> Статьи -> Шпионские штучки -> Простой телефонный "жучок"


<< Назад в раздел   Распечатать Дата добавления: 2010-08-08 | Просмотров: 6101

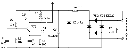
При снятии трубки и вызове абонента на резисторе R5 падает напряжение (3...4 В), достаточное для питания простого передатчика. Подбором резистора R5 можно получить и большее напряжение, но при этом будет ощутимо снижение громкости переговоров на этом ТА, что может привести к рассекречиванию "жучка".

На транзисторе VT2 собран генератор по схеме емкостной трехточки. Выходной контур L1C2 можно настроить на требуемый диапазон частот изменением емкости конденсатора С2 или числа витков катушки L1.

Катушка L1-8 витков провода ПЭЛ 0,5...0,7, намотанных на диаметре 4 мм. Параметрический стабилизатор на стабилитроне VD1 ограничивает подаваемое на транзистор VT1 напряжение питания. Модуляция обеспечивается за счет изменения разговорного тока, протекающего по телефонной сети.

Транзистор VT1-KT3102 либо КТ3102Г; если взять транзисторы серии КТ315, то из-за меньшего статического коэффициента передачи тока будут уменьшены коэффициент усиления и дальность передачи. Конденсаторы-КМ, резисторы-МЛТ-0,125.

Благодаря малому числу деталей, передатчик умещается в малогабаритном корпусе. Можно просто собрать передатчик на печатной плате и залить компаундом, придав устройству прямоугольный вид, например закамуфлировать под конденсатор.

Схема


Добавил:  Павел (Admin)  
Автор:  Неизвестно 

Вас может заинтересовать:

  1. Радиомикрофон на 108 МГц
  2. Радиопередатчик с высокой стабильнлстью несущей частоты
  3. Радиопередатчик повышенной мощности
  4. Телефонный радиоретранслятор с амплитудной модуляцией
  5. Телефонный радиоретранслятор с ЧМ на одном транзисторе


    © PavKo, 2007-2018   Обратная связь   Ссылки views: 3751 -- users: 3735 -- web3   Яндекс.Метрика