Портал для радиолюбителей
   Цветомузыкальное устройство на лампах дневного света
    Главная -> Статьи -> Цветомузыкальные установки -> Цветомузыкальное устройство на лампах дневного света

Мезотерапия и плазмотерапия волос proface.kz.

<< Назад в раздел   Распечатать Дата добавления: 2007-10-07 | Просмотров: 11167

В литературе было опубликовано несколько описаний различных приставок к усилителям низкой частоты, позволяющих сопровождать речь и музыку цветовыми эффектами. Но все эти конструкции обладают рядом недостатков. Один из них заключается в том, что лампы накаливания, которые используются на выходе цветомузыкальных установок, имеют неравномерный спектр светового излучения, поэтому даже при полном накале спектр лампы в области синего света значительно слабее, чем красного. С изменением накала меняется не только интенсивность излучения, но и его спектральный состав. Чтобы получить одинаковую яркость различных цветов, необходимо применять лампы разной мощности. К тому же лампы накаливания имеют сильную нелинейность зависимости между излучаемой световой мощностью и потребляемой электрической.

  • Второй недостаток устройств подобного типа — малая выходная мощность. Действительно, чтобы зажечь три лампы по 100 вт, требуется очень мощный усилитель и соответствующий источник питания. Причем, в случае использования усилителя переменного тока возникает необходимость применения трех мощных выходных трансформаторов.
  • И, наконец, третий недостаток — эффект мигания. Он заключается в том, что интенсивность излучения каждого канала, а значит и суммарная интенсивность пропорциональны громкости звука. Это приводит к очень резким колебаниям силы света, неблагоприятно действующим на зрителей.

Предлагаемая конструкция приставки для цветомузыки позволяет если не полностью устранить, то в значительной мере уменьшить указанные недостатки. Схема установки здесь
Первая проблема решается путем замены ламп накаливания лампами дневного света, спектральный состав светового излучения которых практически не зависит от интенсивности. Метод управления лампой дневного света при помощи электромагнитного поля высокой частоты (порядка 20 Мгц) неприменим из-за создаваемых радиопомех, магнитные же усилители пока мало применяются радиолюбителями. Поэтому был выбран метод управления интенсивностью свечения с помощью усилителя постоянного тока.
Выходная лампа усилителя должна иметь анодный ток порядка 0,24 - 0,3 А. Этому требованию удовлетворяет лампа ГУ-50 или две соединенные параллельно лампы 6П3С.
Проблема постоянной суммарной интенсивности света может быть решена несколькими методами:

  • вводится белый фоновый свет, яркость которого падает при увеличении яркости цветных источников;
  • в качестве фона используется один из основных цветов, например, зеленый, которому придается доминирующее значение; в режиме молчания его интенсивность максимальна. Когда возрастает интенсивность других цветов, фоновый цвет слабеет;
  • все три основных цвета (красный, зеленый, синий) в режиме молчания имеют половину максимальной интенсивности. Повышение напряжения в каком-либо участке спектра приводит к увеличению яркости соответствующего цвета и одновременному уменьшению яркости двух других, так, чтобы суммарная интенсивность света оставалась постоянной. При создании описываемой системы был выбран последний метод.

Предварительный усилитель низкой частоты и фильтры звуковых частот выполнены по обычным схемам, поэтому описания их и принципиальные схемы в данной статье не приводятся.
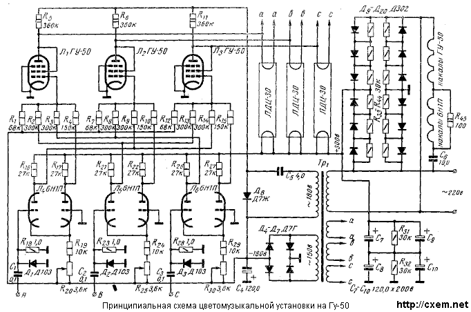
Выходная часть, схема которой приведена на рисунке, состоит из трех одинаковых каналов, в каждый из которых входит диодный детектор (Д103), дифференциальный усилитель (6Н1П), оконечный усилитель (ГУ-50) и люминесцентная лампа типа ЛДЦ-30, окрашенная в один из цветов. Выпрямители общие для всех трех каналов.
Напряжение звуковой частоты с выхода фильтра подается на соответствующий детектор. Постоянная составляющая напряжения на выходе детектора, примерно равная амплитуде входного напряжения, усиливается дифференциальным усилителем (Л4, Л5 или Л6). С выходов каждого усилителя снимаются два напряжения, одно из которых увеличивается, другое уменьшается пропорционально входному напряжению, подаваемому на детектор. Эти напряжения и компенсирующее напряжение —180 в поступают на составленные из резисторов сумматоры, выходы которых присоединены к управляющим сеткам оконечных ламп ГУ-50. На каждый сумматор подаются увеличивающееся напряжение своего канала и уменьшающиеся напряжения двух других каналов. В итоге для интенсивности свечения люминесцентной лампы каждого канала можно получить выражение:

Ia = K (2a - b - c) + Io
Ib = K (-a -+2b - c) + Io
Ic = K (-a - b + 2c) + Io

где К — общий коэффициент усиления; Io — интенсивность свечения люминесцентной лампы при отсутствии сигнала.

Из полученных выражений видно, что суммарная интенсивность свечения всех трех ламп Ia + Ib + Ic = 3 Io постоянна и не зависит от входных напряжений a, b и с.
Сопротивления резисторов каждого сумматора выбираются так, чтобы рабочая точка Iо при отсутствии сигнала соответствовала середине линейного участка характеристики, выражающей зависимость яркости свечения люминесцентной лампы от потребляемой мощности, что соответствует току через лампу, равному 150 мА для ламп типа ЛДЦ-30. Напряжение смещения на управляющих сетках ГУ-50 должно быть при этом равно —30 в.
Лампы ГУ-50 включены триодами с целью уменьшения их внутреннего сопротивления и предотвращения перегрева экранных сеток ламп в случае, если лампа ЛДЦ-30 по какой-либо причине не зажжется. Для надежного зажигания ламп ЛДЦ-30 кроме постоянного напряжения +300 В на них дополнительно подается пульсирующее напряжение с амплитудой —360 в. Напряжение накала на отрицательный электрод каждой люминесцентной лампы подается от отдельной накальной обмотки. Постоянное напряжение 300 в для питания всей установки подается от бестрансформаторного выпрямителя, выполненного на мощных диодах Д302, включенных по мостовой схеме. Нити накала всех усилительных ламп соединены последовательно и питаются от сети через конденсатор емкостью 10 мкф.
Силовой трансформатор используется только для получения напряжения накала люминесцентных ламп и отрицательных напряжений —180 в и —360 в. Такая схема питания позволяет применить силовой трансформатор мощностью порядка 40 вт. Ввиду использования бестрансформаторного выпрямителя подключение цветомузыкальной приставки к радиоприемнику или магнитофону должно производиться через трансформатор низкой частоты. При напряжении сети 127 В применяются люминесцентные лампы, рассчитанные на 127 в.
В статье не указывается, какие выбираются цвета и каким частотам звукового диапазона они соответствуют, так как понятие низких, средних и высоких частот существенно зависит от звуковой программы. Большинство зрителей высказывается за общепринятое соответствие: низкие частоты — красный цвет, средние — зеленый или желтый, а высокие — синий.


Добавил:  Павел (Admin)  
Автор:  Р. ТЕРЕНТЬЕВ, В. ПСУРЦЕВ (Радио 9/1966) 

Вас может заинтересовать:

  1. Мигающие огни
  2. Простейшая 3-х канальная цветомузыкальная установка
  3. Цветомузыкальное малогабаритное устройство
  4. Переключатель кучи светодиодов на двух микросхемах
  5. Беглый светодиодный огонь (вариант последний)


    © PavKo, 2007-2018   Обратная связь   Ссылки views: 1015 -- users: 940 -- web3   Яндекс.Метрика