Портал для радиолюбителей
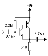
   Повторитель на составном транзисторе Шиклаи
    Главная -> Статьи -> Схемные решения -> Повторитель на составном транзисторе Шиклаи


<< Назад в раздел   Распечатать Дата добавления: 2010-12-24 | Просмотров: 9360

Rвх>1МОм, коэффициент обратной связи около 50 дБ. Характеристика линейна от 10Гц до 100 кГц.


Добавил:  Павел (Admin)  
Автор:  Азбука транзисторной схемотехники А.Петров, г.Могилёв (РЛ,1994,4..12) 

Вас может заинтересовать:

  1. Каскод с коэффициентом усиления 50 и с полосой пропускания 0...1 мГц
  2. Повторитель с входным сопротивлением, стремящимся к бесконечности
  3. Получение из однополярного сигнала двухполярного
  4. Пример коллекторной стабилизации с исключением влияния ООС по переменному току
  5. Простое устройство сложения и вычитания двух сигналов


    © PavKo, 2007-2018   Обратная связь   Ссылки views: 2907 -- users: 2624 -- web3   Яндекс.Метрика