Портал для радиолюбителей
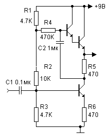
   Усилитель с динамической нагрузкой
    Главная -> Статьи -> Схемные решения -> Усилитель с динамической нагрузкой


<< Назад в раздел   Распечатать Дата добавления: 2010-12-25 | Просмотров: 9872

имеет коэффициент усиления около 100...150. Благодаря съёму сигнала с эмиттера транзистора VT2 каскад имеет низкое входное сопротивление. Номинальное входное напряжение - 20мВ.


Добавил:  Павел (Admin)  
Автор:  Азбука транзисторной схемотехники А.Петров, г.Могилёв (РЛ,1994,4..12) 

Вас может заинтересовать:

  1. Повторитель с входным сопротивлением, стремящимся к бесконечности
  2. Малошумящий усилитель со встречной динамической нагрузкой
  3. Каскод с коэффициентом усиления 50 и с полосой пропускания 0...1 мГц
  4. Эмиттерный повторитель с повышенным быстродействием
  5. Повторитель напряжения с высокой термостабильностью


    © PavKo, 2007-2018   Обратная связь   Ссылки views: 1507 -- users: 1414 -- web3   Яндекс.Метрика