Портал для радиолюбителей
   Металлоискатель на двух микросхемах
    Главная -> Статьи -> Бытовая электроника -> Металлоискатель на двух микросхемах


<< Назад в раздел   Распечатать Дата добавления: 2010-12-30 | Просмотров: 7689

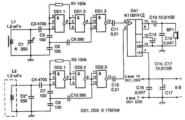
Принципиальная схема металлоискателя на двух микросхемах

Принципиальная схема металлоискателя на двух микросхемах


Добавил:  Павел (Admin)  
Автор:  Неизвестно 

Вас может заинтересовать:

  1. Автоматический рукомойник
  2. Бездроссельное питание люминесцентных ламп
  3. Фотовспышка с лампой накаливания
  4. Бездроссельное включение ЛДС
  5. Лазерная указка в исполнительном устройстве


    © PavKo, 2007-2018   Обратная связь   Ссылки views: 1673 -- users: 1657 -- web3   Яндекс.Метрика