Портал для радиолюбителей
   Дистанционный выключатель
    Главная -> Статьи -> Бытовая электроника -> Дистанционный выключатель


<< Назад в раздел   Распечатать Дата добавления: 2011-04-09 | Просмотров: 14509

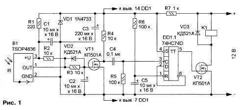
Предлагаемый выключатель позволяет подавать питание или сигнал на различные устройства, а управлять им можно с помощью ИК пульта дистанционного управления (ПДУ) различной бытовой аппаратуры: телевизора, CD (DVD) проигрывателя и т. д. Схема устройства показана на рис. 1. Принимает сигналы управления от ПДУ и преобразует их в электрические сигналы специализированный модуль В1. На транзисторе VT1 собран инвертирующий усилитель, на D-триггере DD1.1 — делитель частоты на два, на транзисторе VT2 и реле К1 — электронный выключатель. Питание триггера и усилителя стабилизировано параметрическим стабилизатором напряжения R7VD1 и сглажено конденсатором СЗ, а питающее напряжение модуля В1 дополнительно фильтрует RC-фильтр R1C1 Диод VD3 защищает транзистор VT2 от ЭДС самоиндукции при обесточивании реле К1.

Дистанционный выключатель - Схема

В исходном состоянии после подачи питающего напряжения триггер с помощью RC-цепи R6C5 устанавливается в нулевое состояние с низким уровнем напряжения на прямом выходе (вывод 5), поэтому транзистор VT2 закрыт и реле К1 обесточено. Его контакты (на схеме не показаны) могут быть замкнуты или разомкнуты (в зависимости от типа реле). При отсутствии ИК сигнала на выходе модуля В1 присутствует высокий уровень, поэтому конденсатор С2 зарядится через резистор R3 до этого уровня и транзистор VT1 будет открыт.

Дистанционный выключатель - Печатная плата

Если нажать на одну из кнопок ПДУ и направить на модуль В1, на его выходе будут формироваться пачки импульсов. Поэтому конденсатор С2 быстро разрядится через диод VD2 и транзистор VT1 закроется. Перепад напряжения на его стоке через конденсатор С4 поступит на вход С триггера DD1.1 и переключит

его в единичное состояние с высоким уровнем на прямом выходе. Транзистор VT2 откроется, на реле поступит питающее напряжение и его контакты переключатся, подавая или отключая питающее напряжение (или сигнал) от потребителя.

После прекращения подачи ИК импульсов на модуль В1 на его выходе снова установится напряжение высокого уровня, конденсатор С2 зарядится, транзистор VT1 откроется, а конденсатор С4 разрядится. Следующая подача ИК импульсов на модуль В1 приведет к разрядке конденсатора С2, закрыванию транзистора VT1 и переключению триггера DD1.1, поэтому транзистор VT2 закроется, а реле будет обесточено. Таким образом, после каждой подачи И К излучения от ПДУ устройство переключается из одного состояния в другое.

В устройстве применены резисторы для поверхностного монтажа — Р1-12, РН1-12, но их можно заменить на МЛТ, С2-23, устанавливая перпендикулярно плате. Оксидные конденсаторы — К50-35 или импортные, конденсатор С4 — К10-17. Модуль TSOP4836 заменим на SFH503-36; диоды КД521А — на 1N4004, 1N4005, 1N4006, а стабилитрон 1N4733 — на 1N5338B. Реле должно срабатывать при напряжении 10...11 В; его выбирают в зависимости от коммутируемых напряжения и тока. Например, реле TRR-1F-12-D рассчитано на коммутацию напряжения до 12 В при токе до 1 A, a TRB-12VDC-FB-CD — до 30 В при токе до 3 А.

Все детали, кроме реле, монтируют на печатной плате из одностороннего фольгированного стеклотекстолита, чертеж которой показан на рис. 2. Питать устройство можно от сетевого (в том числе и нестабилизированного) источника питания с выходным напряжением 11...13В и током, достаточным для работы реле.


Добавил:  Павел (Admin)  
Автор:  В. ГРИЧКО, г. Краснодар (Радио №4, 2011 г.) 

Вас может заинтересовать:

  1. Сварочный полуавтомат в углекислотной газовой среде с автоматической подачей сварочной проволоки
  2. Простой термометр с шестью датчиками
  3. Бездроссельное питание люминесцентных ламп
  4. Схема питания низковольтных ламп дневного света
  5. Музыкальный синтезатор на UM66T


    © PavKo, 2007-2018   Обратная связь   Ссылки views: 1992 -- users: 1975 -- web3   Яндекс.Метрика