Портал для радиолюбителей
   Электростимуляторы
    Главная -> Статьи -> Медицинская техника -> Электростимуляторы


<< Назад в раздел   Распечатать Дата добавления: 2011-10-27 | Просмотров: 12013

Организм человека вырабатывает слабые электрические импульсы и реагирует на их воздействие. Еще И.П. Павлов подчеркивал, что сильные реакции организма могут быть вызваны слабыми воздействиями. На этом принципе основано электропунктурное воздействие на биологически активные точки организма (БАТ) по методу акупунктуры (чжень-цзю терапии, иглотерапии). Возник метод чжень-цзю терапии на основе эмпирических данных 4-5 тысячелетий назад (в каменном веке) в Китае [1]. Тысячелетия спустя этот метод был систематизирован и описан. А в наши дни классические точки меридианного учения были дополнены сотнями новых внеканальных точек и зон. С развитием техники древние иглотерапия и прижигание БАТ дополнились электропунктурой, лазеропунктурой, электроакупунктурой, свето и магнито терапией. По своему действию на организм все способы рассматриваются как рефлекторный процесс, в основе которого лежит сложная нейрогуморальная реакция, возникающая в ответ на раздражение БАТ.

Советские ученные в 1964 году разработали уникальный автономный электростимулятор желудочно-кишечного тракта (АЭС ЖКТ). Этот стимулятор использовался для элитарных медицинских учреждений (за что и получил название [Кремлевская таблеткаk) и только в середине 90-х годов появился в свободной продаже и стал доступен для использования всем желающим.

АЭС ЖКТ конструктивно выполнен в виде капсулы размером 22х11 мм. Используют капсулу несколькими способами. 1- проглатывая, как таблетку. В этом случае она стимулирует все органы, проходя ЖКТ. 2- посасывая во рту. На языке находятся биологически активные зоны почти всех органов тела. Поэтому происходит влияние на эти органы при воздействии импульсов электростимулятора. Кроме того, этот способ применяется для профилактики и лечения простудных заболеваний, снятия похмельного синдрома, зубной или головной боли, стоматита, породонтоза. 3- периодическим введением анально или вагинально. Анальное введение электростимулятора от 30 минут до 8 часов (на ночь) активизирует половую функцию мужчин, нормализует работу простаты, усиливает моторику всего кишечника, способствуя его очищению от шлаков и камней. Хорошо помогает этот способ при лечении геморроя. Вагинальное введение электростимулятора на 20 минут после 3-4 сеансов увеличивает секреторную активность влагалища, нормализует менструальный цикл и излечивает фригидность. При ежедневном вагинальном введении от 40 минут до нескольких часов в течении не менее 2-х недель лечатся гинекологические заболевания (опухоли, вагинит, эрозии, воспаления придатков).

Поскольку влияние электростимуляции на полости человека еще мало изучено, то можно получить совершенно неожиданный положительный результат. Несомненно одно: АЭС ЖКТ прошел клинические испытания и разрешен Минздравом РФ в амбулаторных и домашних условиях.

При всех достоинствах АЭС ЖКТ есть один существенный недостаток это соотношение цены и срока годности (до 70 часов). Получается, что вновь использовать АЭС ЖКТ могут только избранные. Здесь я предлагаю для самостоятельного изготовления и применения два имитатора АЭС ЖКТ. Имитаторы копируют параметры выходных импульсов АЭС ЖКТ и оказывают аналогичное воздействие. Недостаток имитатора в том, что его нельзя проглотить и пропустить через весь желудочно-кишечный тракт. Достоинство - многократное использование и расширенные функции (регулировка тока воздействия и использование для электропунктуры). Имитаторы можно применять перорально и анально-вагинально, что перекрывает лечение достаточно большого спектра заболеваний.

Имитатор, схема которого показана на рисунке 3, можно использовать и как электропунктурный стимулятор по точкам акупунктуры.

Согласно инструкции по применению АЭС ЖКТ имеет следующие параметры импульсов (Рис.1):

-длительность импульсов - 4,8 - 7,2 мс;

-период следования импульсов - 19,2-28,8 мс;

-длительность пачки импульсов - 304-456 мс;

-период следования пачек импульсов - 2,4-3,6 с.

Имитатор выдает близкие по значению параметры (Рис.2):

-длительность импульсов - 4 мс;

-период следования импульсов - 16 мс;

-длительность пачки импульсов - 500 мс;

-период следования пачки импульсов - 4 с.

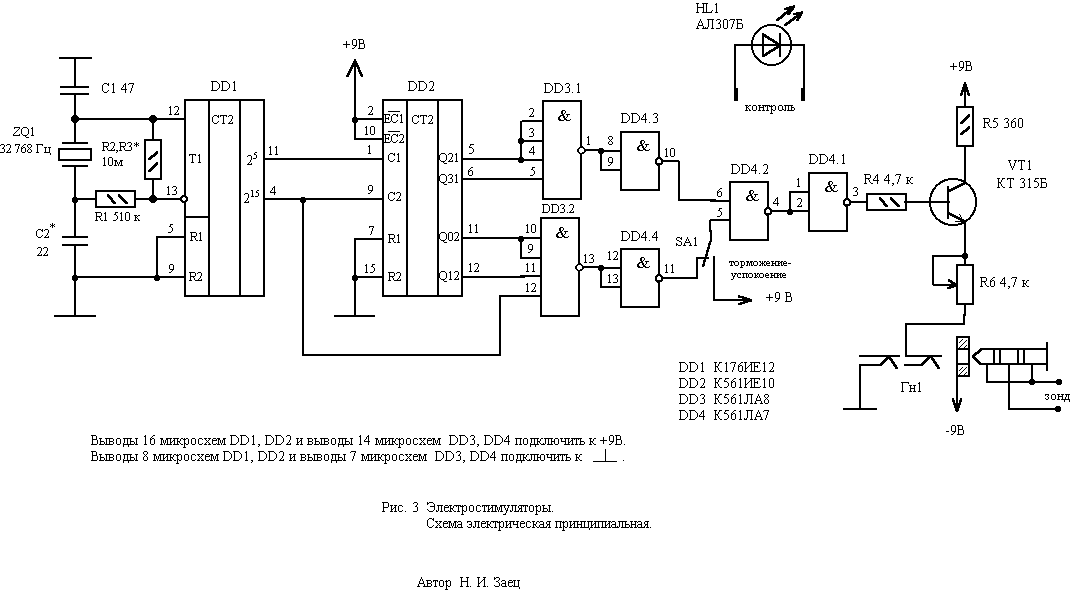
Схема имитатора изображена на Рис.3.

Функционально схема состоит из трех блоков - задающего кварцевого генератора на DD1, формирователя импульсов заданной длительности на микросхемах DD2 - DD4 и выходного каскада на транзисторе VT1, который задаёт амплитуду импульса тока в пределах - 8 - 12 мА.

Генератор собран на микросхеме К176ИЕ12 по стандартной схеме включения. Используется один делитель Т1 с коэффициентом деления 32768. С выхода 11 снимаются импульсы с периодом около 1мс, а с выхода 4 - импульсы с периодом 1с. Эти импульсы поступают на входы 1 и 9 двух различных четырехразрядных двоичных счетчиков на микросхеме К561ИЕ10. С выхода третьего разряда первого счетчика (вывод 5) снимаются импульсы длительностью 4 мс. С вывода 6 снимаются вспомогательные импульсы, необходимые для формирования заданной скважности (4). С выхода первого и второго разрядов второго счетчика (вывод11, 12) снимаются вспомогательные импульсы, необходимые для формирования скважности (8) пачек импульсов. Длительность пачек импульсов определяется длительностью импульсов на выводе 4 (DD1), и составляет 500 мс.

Импульсы с выходов 5 и 6 счетчика DD2 суммируются четырехвходовым логическим элементом 4И-НЕ микросхемы К561ЛА8 (DD3.1) и инвертируются элементом DD4.3 микросхемы К561ЛА7. На выводе 10 DD4.3 можно наблюдать импульс заполнения с параметрами, данными на Рис.2 а.

Аналогично формируется импульс, предназначенный для заполнения, но со скважностью в два раза больше. Вспомогательные импульсы с выводов 11, 12 счетчика DD2 и импульс, определяющий длительность периода импульса воздействия, с вывода 4 DD1 суммируются на DD3.2 и инвертируются DD4.4. Импульсы заполнения с вывода 10 DD4.3 и импульсы пачек с вывода 11 DD4.4 складываются на элементе DD4.2,инвертируются DD4.1 и поступают на базу транзистора VT1. На базе транзистора импульсы имеют вид, показанный на Рис.2 б.

Транзистор включен в режиме эмиттерного повторителя. Ток на зонде не должен превышать 10 мА при эквиваленте нагрузки 100 Ом. Регулировка тока воздействия по субъективным ощущениям производится резистором R6. Выходные импульсы снимаются со стерео гнезда Гн.1, которое выполняет функцию выключателя напряжения. При выключенной вилке прибор обесточен. Распайка вилки показана на рисунке 3. Если прибор использовать как имитатор АЭС ЖКТ, то в гнездо вставляется вилка с зондом. Если прибор используется как акупунктурный электростимулятор, то гнездо снабжается щупом и электродом. Для переключения способов воздействия в режиме акупунктуры служит переключатель SA1. На схеме переключатель показан в положении торможения (возбуждения, тонизирования), а в другом положении на электроде будут непрерывные импульсы, что соответствует успокоению. В режиме имитатора АЭС ЖКТ переключатель SA1 должен стоять в положении торможение.

Светодиод HL1 используется для контроля работоспособности прибора. Светодиод крепится на корпусе так, чтобы его выводы располагались на корпусе на расстоянии 3-4 мм друг от друга. При прикладывании зонда или электродов к выводам светодиода, он будет светиться с периодом 4 секунды. Если в одном положении светодиод не горит, то необходимо поменять местами стороны зонда.>

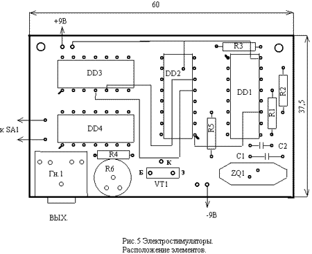
Печатная плата дана на Рис. 4, а расположение элементов - на Рис. 5. Плата с элементами размещается в подходящем пластмассовом корпусе.

Налаживание имитатора сводится к подбору конденсатора С1 в пределах 18 - 68 пФ до возникновения устойчивой генерации и появления импульсов на выходах 11, 4 микросхемы DD1. Типовая схема включения микросхемы К176ИЕ12 требует включения между выводами 12 и 13 резистора сопротивлением 22 мегаомма, хотя микросхема может возбуждаться и с меньшими номиналами резистора (и вообще без резистора). Поскольку высокоомные резисторы достаточно редкие, на печатной плате этот резистор заменен двумя R2,R3. Это дает возможность поставить два резистора номиналами 3-5-10 мегаомм. Подбором номинала резистора R2,R3 также добиваются устойчивой генерации микросхемы. Практически работоспособность имитатора проверяют, взяв зонд в губы или положив на язык. С интервалом в 4 секунды будут ощущаться небольшие покалывания.

В имитаторе используются микросхемы серии 561 и 176. Возможна замена на 176 серию, но не все микросхемы этой серии работают при понижении напряжения питания до 3 вольт. Конденсатор C1- КМ5б, резисторы - МЛТ - 0,125. Кварц РК-71 или>миниатюрный, с наручных часов на 32768 Гц. Резистор R6 типа СПО. При регулировании тока воздействия необходимо руководствоваться правилом - лучше меньше ток, но больше время.

Конструктивно зонд выполнен в виде капсулы размером 22x11 мм (Рис.6а).

Капсула состоит из двух полусфер и пластмассовой втулки - изолятора. Полусферы изготовлены из нержавеющей стали и внутри пустотелые. Автор взял, пришедшую в негодность, заводскую капсулу, удалил начинку и сделал отверстие диаметром 2 мм в торце одной из полусфер. Через отверстие внутрь полусфер проведено два гибких провода, которые припаяны к разным полусферам. Отверстие с проводами и места соединения полусфер с пластмассовой втулкой проклеены водостойким клеем. При самостоятельном изготовлении капсулы полусферы могут быть не полыми, что несколько утяжелит устройство. Другой испытанный вариант зонда показан на рисунке 6б. Зонд сделан из колец из нержавеющей стали и залит эпоксидной смолой или силиконовым герметиком. Для орального использования лучше использовать зонд в форме таблетки, показанный на рисунке 6в. Для электропунктуры изготавливается щуп из корпуса шариковой авторучки и нейтральный электрод. Вместо пишущего узла ручки ставится позолоченный или посеребренный контакт от разъема. Позолоченный контакт действует на точку акупунктуры возбуждающе, а посеребренный успокаивающе. Нейтральный электрод делается в виде кольца, для надевания на палец или зажима типа фотографического пинцета. Нейтральный электрод подключается к минусу питания, хотя имеются точки акупунктуры, требующие обратного воздействия [2].

Имитатор используют путем введения зонда перорально, вагинально или анально. Перорально капсулу посасывают во рту для снятия похмельного синдрома, зубной или головной боли, лечения стоматита, породонтоза. Она воздействует на все органы через биологически активные зоны, которых во рту очень много. Биологически активные зоны языка показаны на рисунке 7 [3].

Зная свои болячки, зонд желательно держать ближе к соответствующей зоне. Время воздействия - не менее 10 минут. Вагинально или анально (как свечу) для лечения парезов, запоров, импотенции, простатита, полипов на матке, фригидности, задержки менструального цикла, выведения из состояния контузии, при оперативной реанимации, геморрое... Время - до 8 часов.

Противопоказания: кардиостимулятор, беременность и металлические зубы. В последнем случае необходимо следить, чтобы капсула не соприкасалась с металлом.

Поскольку описанный имитатор находится внутри тела [на привязиk при помощи проводов, его свободное перемещение невозможно. Поэтому был разработан другой стимулятор для вагинально-анального использования.

Стимулятор представляет собой зонд и электронную схему, которые конструктивно выполнены в одном блоке.

Схема стимулятора показана на рисунке 8.

Функционально схема состоит из двух генераторов на микросхеме DD1, реверсивного счётчика на микросхеме DD2, демультиплексора DD3,DD5 и триггера реверса DD4.

Частота генератора на элементах DD1.1-DD1.3 30-60 Гц. Частота второго генератора на элементах DD1.4, DD1.5 регулируется резистором и устанавливается в зависимости от личных ощущений. Импульсы первого генератора последовательно распределяются на 16 выходов с частотой второго генератора при помощи реверсивного счётчика DD2. Когда счётчик досчитает до 16, на выходе переноса появится импульс. Импульс с вывода 7 счётчика D2 опрокинет триггера на микросхеме D4 и на выводе 10 счётчика изменится уровень. Счётчик начнёт считать в обратную сторону. Таким образом, импульсы первого генератора будут последовательно проходить от первого до шестнадцатого выхода, а затем от 16-го до первого. Но это в идеале. Практически схема считает до 17. Т.е. после 16 идёт 1, а затем реверс до 16 и т. д.. Чтобы не добавлять элементов, можно смириться с таким порядком счёта. Таким образом, импульсы воздействия будут последовательно перемещаться по зонду в обоих направлениях. И стимуляция будет осуществляться по всей полости на длину зонда.

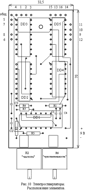
Печатная плата этого электростимулятора дана на рисунке 9, а расположение элементов на рисунке 10.

Зонд представляет собой кольца из нержавейки шириной 2 мм (диаметр по наличию материалов, 8-12 мм), нанизанные на деревянную оправку или пластиковую трубку. Между каждым сигнальным кольцом располагается [земляноеk кольцо. Всего 33 кольца. Расстояние между кольцами 1,5 мм. Таким образом, длина активной части зонда равна 114 мм. Распайка колец показана на рисунке 11.

Промежуток между кольцами залит автомобильным силиконовым герметиком или эпоксидной смолой. Разумеется, предварительно к кольцам были припаяны провода (Провод можно взять обмоточный типа ПЭВ2.)P и выведены через углубление в оправке или просверленные в трубке отверстия на один конец. На этом конце к оправке крепится саморезом или винтом плата.

Расстояние от платы до первого кольца должно быть не менее 50 мм. Это связано с тем, что наружные части влагалища и ануса более чувствительны (насыщены нервными окончаниями) к импульсам, чем внутренние. Поэтому включать стимулятор необходимо после полного введения зонда или при максимальном значении резистора R6. С другой стороны платы устанавливается батарея типа 6F22 (Крона). Выключатель питания SA1 миниатюрный импортный устанавливается на плату. Другой конец зонда делается герметиком (эпоксидкой) на конус для облегчения введения. Переменные резисторы R2, R6 припаиваются прямо к плате, хотя после установки частоты вместо резистора R2 можно поставить постоянный резистор соответствующего номинала. Плата с батареей обворачиваются стеклотканью (или тонким листом стеклотекстолита) и всё заливается герметиком. Герметик выравнивается рукой, смоченной растительным маслом или водой, сразу после нанесения. К слову, силиконовый герметик после затвердения (10-30 мин.) должен быть на ощупь как резиновый в противном случае это подделка. Батарейный отсек изолируется целлофаном. Схематически общий вид стимулятора показан на рисунке 12.

При использовании стимулятора лучший эффект дает небольшое покачивание зонда до получения наиболее благоприятного ощущения. Этого же добиваются и вращением движка резистора чувствительности R6. Основное правило: никакого дискомфорта. При лечении геморроя или колита необходимо следить, чтобы воздействие было минимальным. Перед анальным введением необходимо сделать небольшую клизму. Зонд смазывается любым растительным маслом.

После сеанса зонд необходимо промыть теплой водой с мылом и щеткой.

Литература.

1.Игнатов Ю.Д., Качан А.Т., Васильев Ю.Н. Акупунктурная аналгезия. Ленинград [Медицинаk, 1990.

2.Стояновский Д.Н. Частная рефлексотерапия. Справочник. Кишинев, Картя Молдовеняскэ, 1990.

3.Овечкин А.М. Основы чжень-цзю терапии. Саранск, Голос, 1991, с. 287.


Добавил:  Павел (Admin)  
Автор:  Неизвестно 

Вас может заинтересовать:

  1. Прибор для лечения ИК и лазерным излучением
  2. Аналог прибора Витафон
  3. Походный электростимулятор
  4. Глушение противокражных систем EAS
  5. Электростимулятор биологически активных точек


    © PavKo, 2007-2018   Обратная связь   Ссылки views: 433 -- users: 247 -- web3   Яндекс.Метрика