Портал для радиолюбителей
   Походный электростимулятор
    Главная -> Статьи -> Медицинская техника -> Походный электростимулятор


<< Назад в раздел   Распечатать Дата добавления: 2011-10-27 | Просмотров: 6332

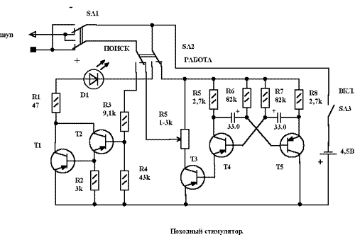
Предпагаемый элекростимулятор хорошо использовать в поездках, командировках. Он прост в изготовлении и даёт стабильные параметры при повторении. Использование любых маломощных низкочастотных транзисторов, даёт возможность изготовить его начинающим радиолюбителям. Транзисторы применяются любые: ГТ109, МП40... Применяя кремниевые транзисторы, необходимо поменять полярность электролитов и подключение батареек. Светодиод - любого свечения с соответствующей полярностью включения. У меня стоит АЛ102Б.

Конструкцию прибора лучше выполнить с одним щупом, а в качестве второго использовать металлический корпус стимулятора. Корпус взят от безопасной бритвы, металлический. К пластмасовому корпусу приклеивается металлическая полоска. Если использовать батарейку типа "крона", то необходимо увеличить в два раза ёмкость конденсаторов.

Переключаталь SA1 изменяет полярность электродов, SA2 - переключает род работы ПОИСК - РАБОТА. В положении "ПОИСК" производится поиск активной точки. При нахождении точки - загорается светодиод. При стабильном горении светодиода переключатель SA2 ставится в положение "РАБОТА" и производится воздействие на точку. Сила тока воздействия регулируется переменным резистором R5.

принципиальная схема


Добавил:  Павел (Admin)  
Автор:  Неизвестно 

Вас может заинтересовать:

  1. Простой электропунктурный стимулятор
  2. Датчик [мокрые пеленки]
  3. Устройство для лечения магнитным полем
  4. Схема озонатора воздуха
  5. Прибор для лечения ИК и лазерным излучением


    © PavKo, 2007-2018   Обратная связь   Ссылки views: 9028 -- users: 8626 -- web3   Яндекс.Метрика