Портал для радиолюбителей
   Подавитель шумов и автоматическое выключение в телевизоре УЛПЦТ(И)-61-11
    Главная -> Статьи -> Телевизионная техника -> Подавитель шумов и автоматическое выключение в телевизоре УЛПЦТ(И)-61-11


<< Назад в раздел   Распечатать Дата добавления: 2011-10-28 | Просмотров: 6286

Схема шумоподавителя НЧ приведена на рис. 1. Правильно собранное устройство в налаживании не нуждается.

Схема шумоподавителя
Puc.1

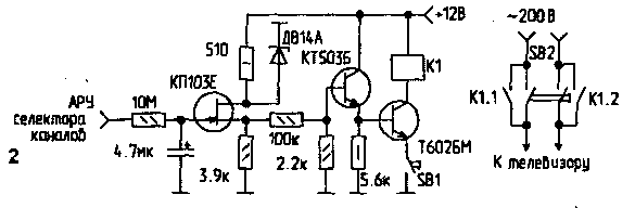
Устройство, показаное на рис.2, предназначено для автоматического отключения телевизора по окончании телепередач.

Схема автоматического отключения телевизора
Puc.2

Порядок работы с этим устройством таков: сначала надо нажать кнопку SB2 - при этом сети подается на блок питания телевизора, реле К1 срабатывает (если телевизор принимает какой-либо сигнал). Затем кнопку можно отпустить.

По окончании телепередач напряжение АРУ селектора каналов увеличивается до 9...9,5 В, и реле отключается.

Для принудительного отключения телевизора служит кнопка SB1.

С.ГРИШКО, Кобринский р-н, п.Ореховский.

(РЛ 2-99)


Добавил:  Павел (Admin)  
Автор:  Неизвестно 

Вас может заинтересовать:

  1. Устройство защиты накала ЭЛТ
  2. Прибор для проверки и восстановления кинескопов
  3. Антенна тройной квадрат из одного куска провода
  4. Штопорная (спиральная) - антенна
  5. Малошумящий антенный усилитель с симметричным входом и регулировкой усиления


    © PavKo, 2007-2018   Обратная связь   Ссылки views: 2226 -- users: 1750 -- web3   Яндекс.Метрика