Портал для радиолюбителей
   Радиомодем на 2400 - 76800 бод
    Главная -> Статьи -> Радиомодемы -> Радиомодем на 2400 - 76800 бод


<< Назад в раздел   Распечатать Дата добавления: 2011-11-18 | Просмотров: 7013

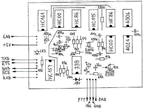
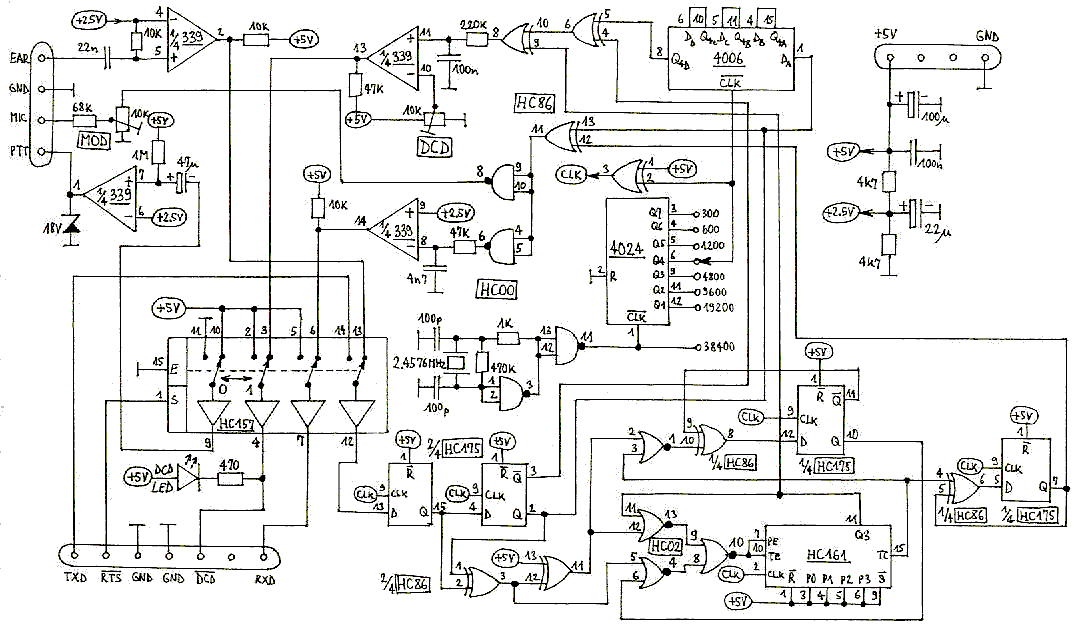
Радиомодем на 2400 - 76800 бод.

Собирать не пробовал. Описание отсутствует.



Добавил:  Павел (Admin)  
Автор:  Неизвестно 

Вас может заинтересовать:

  1. Основы Wi-Fi
  2. Простой модем для КВ и УКВ пакетой связи
  3. Схема универсального частотного радиомодема на 300/600/1200/2400/4800 бод
  4. Многоскоростной радиомодем
  5. 4800bps PSK modem


    © PavKo, 2007-2018   Обратная связь   Ссылки views: 11697 -- users: 10663 -- web3   Яндекс.Метрика