Портал для радиолюбителей
   RF модули своими руками
    Главная -> Статьи -> Радиомодемы -> RF модули своими руками


<< Назад в раздел   Распечатать Дата добавления: 2011-11-18 | Просмотров: 10801

Иногда возникает ситуация , когда имеются в наличии ПАВ- резонаторы на те Pчастоты, на которые промышленность не выпускает приемные модули . Да и не секрет , что стоимость промышленных микросборок около 7 уе ( RX 5000 )способно отбить охоту экспериментировать у кого угодно.
Современная элементная база позволяет собрать и передатчик и приемник самостоятельно с характеристиками , как минимум ,P не худшими, чем у промышленных модулей.

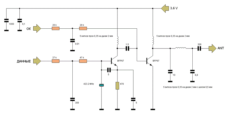
Схема передатчика данных

Передатчик данных.
Стандартная схема , испытанная многими радиолюбителями.
Состоит из управляемого задающего генератора и усилителя мощности.
Мощность около 10 мВт , потребляемый ток 15 мА. Ток задающего генератора около 2 мА. Потребляемый ток и мощность оконечного каскадаP можно регулировать резисторами смещения. Следует помнить при этом, что ток оконечного каскадаPсвыше 50 мА способен вывести из строя транзистор применяемый в данной конструкции.

Схема приемника данных

Приемник данных.
Приемник сверхрегенератор с чувствительностью около 1 мкв . Сохраняет работоспособность от 3 до 6 вольт никуда при этом не [уезжаяk по частоте.
Связь сверхрегенератора с антенной индуктивная , что позволяет избежать пагубного влияния наводок и сильных сигналов на работу сверхрегенеративного каскада.
Настройка приемника производится сдвиганием и раздвиганием витков катушки в цепи коллектора . Применение емкостей параллельно коллекторной катушке нежелательно т к это ухудшает добротность контура.
На частоту 423,2 МГц контур имеет 9 витков.
В проведенных многочисленных испытаниях выяснилось , что применение УВЧ совместно с правильно настроенным приемником подобного , типа ничего не дает в плане улучшения чувствительности , а лишь ухудшая динамику сверхрегенератора допускает некоторую небрежность его настройки.
АМ сигнал , принятыйP приемником , имеет очень малую амплитуду, поэтому он сначала усиливается а затем подается на вход компаратораP ( порогового устройства ).
На выходе компаратора появляется лог 1, еслиP уровень напряжения на его входе превышает определенный уровень.
В процессе настройки приемникаPP сигнал, излучаемый передатчиком , удобно контролировать еще в аналоговой форме после первого усилителя ( вывод 1 LM 358 ), подсоединив туда вход обычного УНЧ.

Скачать файлы разводки плат в формате lay


Добавил:  Павел (Admin)  
Автор:  Сергей, г Кременчуг 

Вас может заинтересовать:

  1. Два варианта модема, Hamcomm и Hamcomm+
  2. Схема универсального частотного радиомодема на 300/600/1200/2400/4800 бод
  3. Взлом Wi-Fi
  4. Простой модем для КВ и УКВ пакетой связи
  5. Радиомодем на 2400 - 76800 бод


    © PavKo, 2007-2018   Обратная связь   Ссылки views: 5602 -- users: 5115 -- web3   Яндекс.Метрика