Портал для радиолюбителей
   Реверсивный QRP трансивер «Парус»
    Главная -> Статьи -> Трансиверы -> Реверсивный QRP трансивер «Парус»


<< Назад в раздел   Распечатать Дата добавления: 2014-10-06 | Просмотров: 22269

В. Линьков RD4AG (ех RK9AF) vladi59@mail.ru

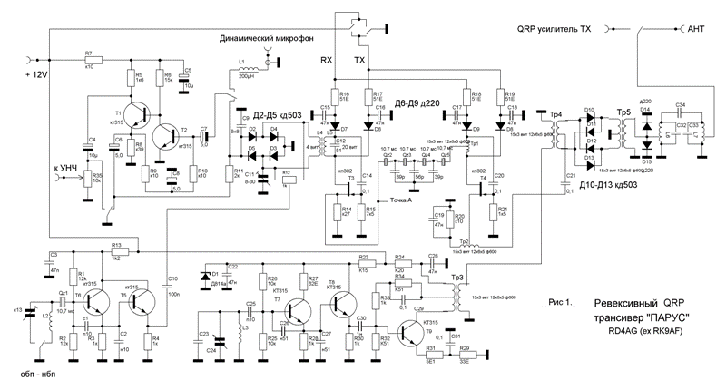
Реверсивный QRP трансивер «Парус» собран по супергетеродинной схеме с одним преобразованием частоты (Рис 1). Настроенный на передачу, трансивер автоматически будет настроен и на приём. Схема очень устойчива в работе, проста для повторения начинающим радиолюбителем, в ней используются самые доступные детали.

Рис. 1

Возможные дополнительные каскады: выходной каскад УНЧ, QRP усилитель, CW генератор и др. даны на Рис 2.

Рис. 2

Теперь о кварцевом фильтре: мною было настроено более десятка таких аппаратов с различными лестничными кварцевыми фильтрами на частоты от 5 до 10,7 мс, в которых применялись от 6 до 2 кварцев, в последнем случае это почти DSB-трансивер. Если у радиолюбителя имеется в наличие большее количество кварцев, то лучше добавить ещё один каскад ПЧ (в разрыв точки «А»), применяя ещё один кварцевый фильтр, улучшив чувствительность и избирательность. Методик изготовления лестничных кварцевых фильтров множество. В данной конструкции вместо одного «большого», например, 8 кристального, лучше применить два «маленьких», 6 + 4, 4 + 4, или 4 + 2 кварца и т.п. важно, чтобы разнос частот кварцев был не более 30 гц, но и больший разнос частот не повод отказываться от повторения и в дальнейшем усовершенствования трансивера.

Детали: все трансформаторы тр1-тр5 имеют 15 витков (скручены в 3 провода) ф600 или 1000-3000нн, к12х6х5 (в принципе, подойдут даже и чашки из феррита ф600 от пч фильтров транзисторных приёмников, не отламывая края чашек), L4 -4 витка, L5-20 витков на секционированном каркасе с подстроечником ф600, ПЭЛ 0,32. Катушка гпд 8 витков.

В литературе есть множество данных ПФ для кольцевых смесителей, в одой из конструкций «Паруса» я применил такие: катушки намотаны на каркасах 7 мм с подстроечниками ф600, (160м и 80 м на секционированных). Расстояние между центрами катушек – 20 мм.

Диап.

С контуров

С

связи

Число витков

Отвод

витки

Провод

диаметр

160м

560 пф

51 пф

14 х 3

6

0,32

80м

390 пф

30 пф

12 х 3

5

0,32

40м

110 пф

-

23

3

0,32

20м

82 пф

-

14

2

0,47

17м

47 пф

-

9

1,5

0,32

15м

51 пф

-

10

1,5

0,47

12м

47 пф

-

8,5

1

0,47

10м

33 пф

-

9

1

0,47

Улучшить параметры можно заменив т4 на КП903, при этом вместо R18 и R19 поставить дроссели по 20-40 мкгн. Т2 на ктз102Е (или другой малошумящий с большим коэфф. ус.). Т9 – кт610 изменив R24 на 33Е. Вместо 2х контурных ПФ сделать 3х контурные, и ввести все кв. диапазоны.

Настройка: унч должен в режиме передачи развивать вч напр. 0,2 – 0,4 в. Вч напр. на выходе ОКГ и ГПД отключенных от БМ и смесителя не более 1 – 1,5 в.

Частоты ГПД:

1,830 – 2,000

12,530 – 12,700

3,500 – 3,800

14,200 – 14,500

7,000 – 7,100

17,700 – 17,900

14,000 – 14,350

3,300 – 3,650

18,068 - 18,168

7,368 – 7,468

21,000 – 21,450

10,300 – 10,750

24,890.- 24,990

14,190 – 14,290

28,000 - 29,700

17,300 – 19,000


Добавил:  Павел (Admin)  
Автор:  В. Линьков RD4AG (ех RK9AF) vladi59@mail.ru 

Вас может заинтересовать:

  1. Основная плата трансивера «Аматор-ЭМФ-SA»
  2. ТРАНСИВЕР "РАДИО-76"
  3. Реверсивный QRP трансивер «Парус»
  4. Приемопередатчик на одной лампе
  5. Радиостанция на 420-435 МГц


    © PavKo, 2007-2018   Обратная связь   Ссылки views: 653 -- users: 558 -- web3   Яндекс.Метрика