Портал для радиолюбителей
   MP3 плеер своими руками
    Главная -> Статьи -> Устройства на микроконтроллерах -> MP3 плеер своими руками

Опт. склад молдинг Київ Orac Decor.

<< Назад в раздел   Распечатать Дата добавления: 2016-11-24 | Просмотров: 17463

Набравшись немного терпения, вы можете спаять самодельный MP3-плеер своими руками, при этом затратив менее 1000 руб. Т.к. программное обеспечение данного плеера представлено в открытом виде (доступны все исходники проекта), то вы можете дорабатывать его вводя новые функции, к примеру: управление по последовательному интерфейсу, можете использовать плеер в различных проектах робототехники, ну и естественно по его прямому предназначению прослушивание музыки. Карта памяти SD/MMC, размер памяти ограничен теоретическим лимитом спецификациями MMC-формата.

Фото MP3 плеера

Данный MP-3 плеер поддерживает такие функции как случайное воспроизведение треков, навигация по трекам (вперед, назад, пауза), регулирование громкости воспроизведения. Также присутствует поддержка файловой системы FAT32, фрагментированных файлов, неограниченное число файлов в корневой директории, ну и естественно качество воспроизведения находится на высоком уровне. MP3-файлы с битрейтом 256 кБит/с воспроизводятся без каких-либо затыков, файлы с переменным битрейтом также воспроизводятся без проблем (в пике до 320 кБит/с).

WAV файлы также поддерживаются, но качество должно быть ниже чем у CD, пока вы не поставите кварцевый резонатор с большей частотой. На моем тестовом плеере это работает, однако запустить PIC с более чем ~8 МГц кварцем при питании 3.3 Вольта проблематично.

Для записи файлов на карту памяти вам будет нужен кард-ридер. Помните, что карта памяти должна быть в формате FAT32, а не в FAT16 или каком-либо другом.

Файлы на карте памяти должны быть с расширением .mp3. Вставьте карту памяти в плеер и включите питание, воспроизведение начнется с первого трека. Файлы воспроизводятся в том порядке как они были на нее записаны (если не включена функция случайного воспроизведения).

Чтобы включить случайное воспроизведение, удерживайте кнопку "следующий трек" во время включения MP3-плеера. Функция будет работать до следующего включения плеера. Когда все треки будут проиграны, воспроизведение останавливается и плеер уходит в "sleep" режим.

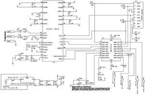
Схема MP3 плеера

Исходный код

Исходник написан на Си. В качестве компилятора я использовал PCM midrange compiler от CCS (офсайт ccsinfo.com). Компилятор платный, однако выдает очень компактный код и содержит достаточно богатый набор встроенных функций и данных.

Если в исходном коде вам не нужно делать каких-либо изменений и корректировок, то в архив я вложил уже готовый HEX-файл. Перед прошивкой не забудьте очистить фьзы BROWNOUT и WATCHDOG, иначе устройство не заработает!

Почти вся память контроллера 4К используется. Память EEPROM 256 байт полностью используется под таблицу данных для функции случайного воспроизведения. При необходимости можно освободить память, удалив несколько не очень критичных функций, к примеру функции для кнопок и случайное воспроизведение.

Печатная плата MP3 плеера

Расположение элементов

Думаю vs1011e также должна подойти с некоторыми изменениями

Файлы


Добавил:  Павел (Admin)  
Автор:  none 

Вас может заинтересовать:

  1. Многофункциональные часы-термостат с дистанционным управлением
  2. Сопряжение с компьютером цифрового мультиметра серии 830
  3. Музыкальный звонок с возможностью замены мелодий без использования программатора
  4. Программирование МК AVR в ОС Ubuntu. Часть 2 (GUI)
  5. Цифровой терморегулятор на микроконтроллере PIC16F84A


    © PavKo, 2007-2018   Обратная связь   Ссылки views: 8830 -- users: 8618 -- web3   Яндекс.Метрика